Wednesday, July 20th, 2022 AT 8:07 AM
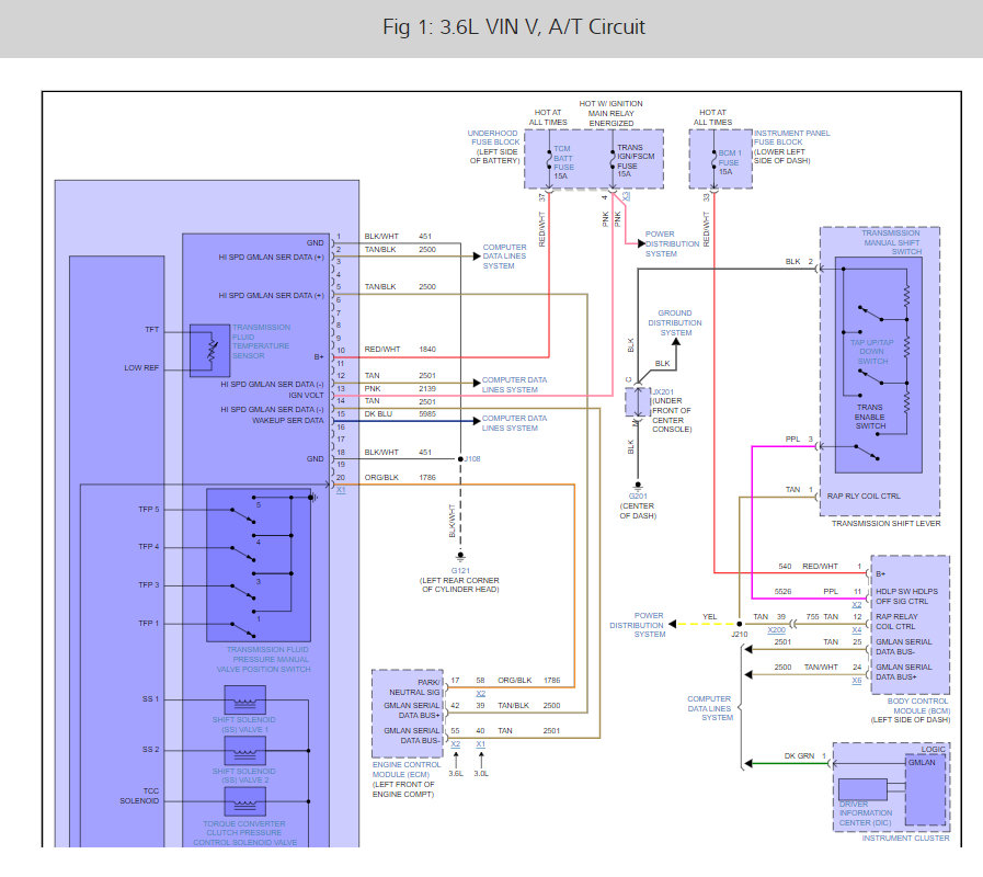
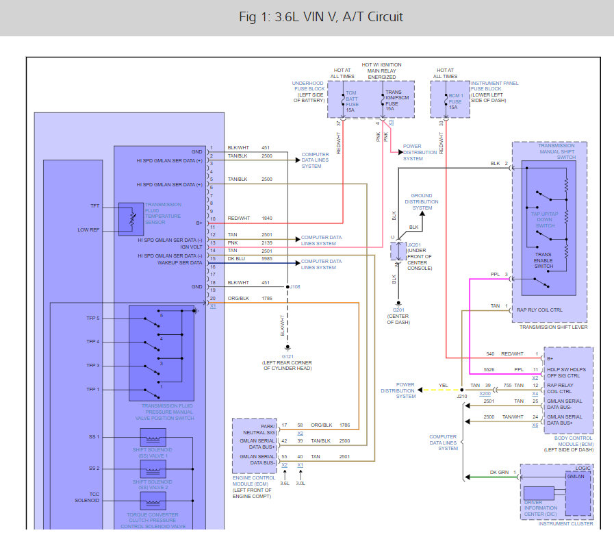
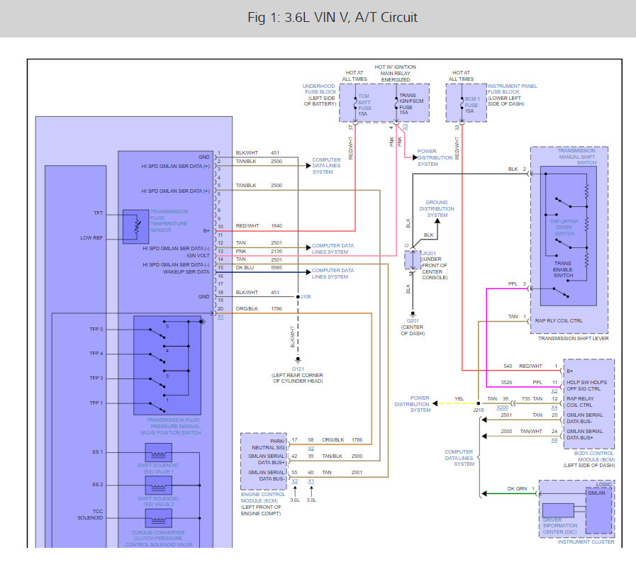
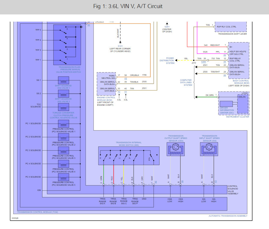
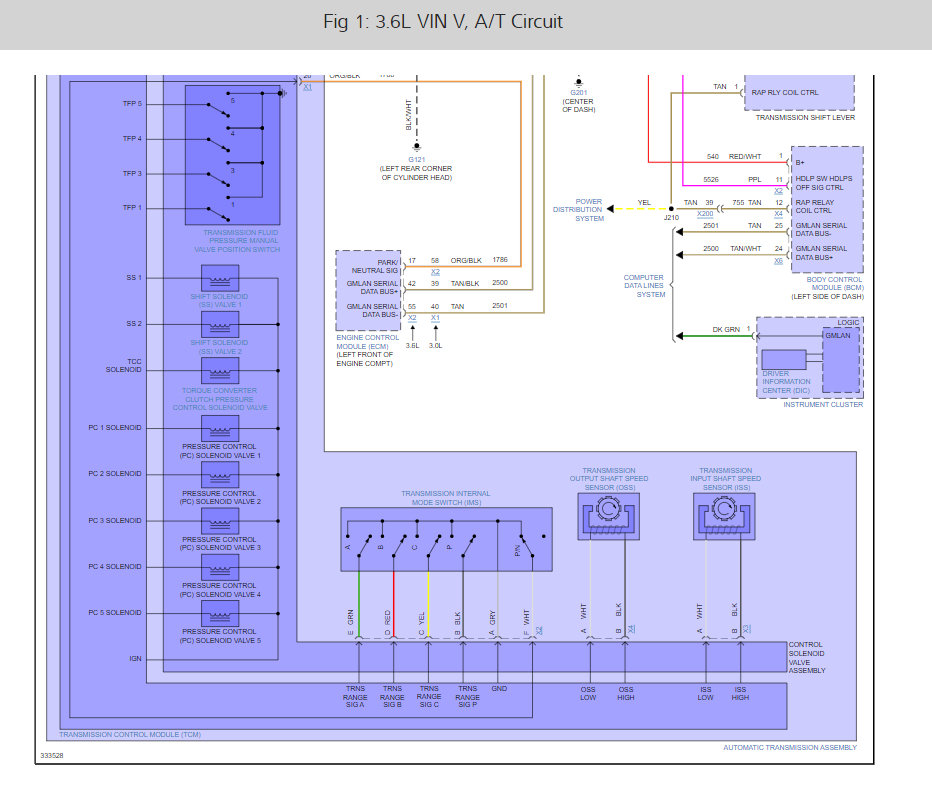
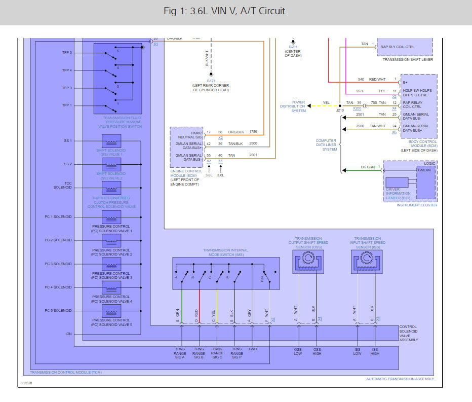
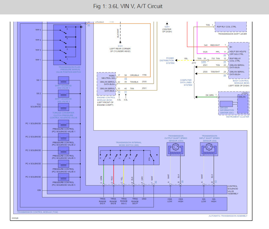
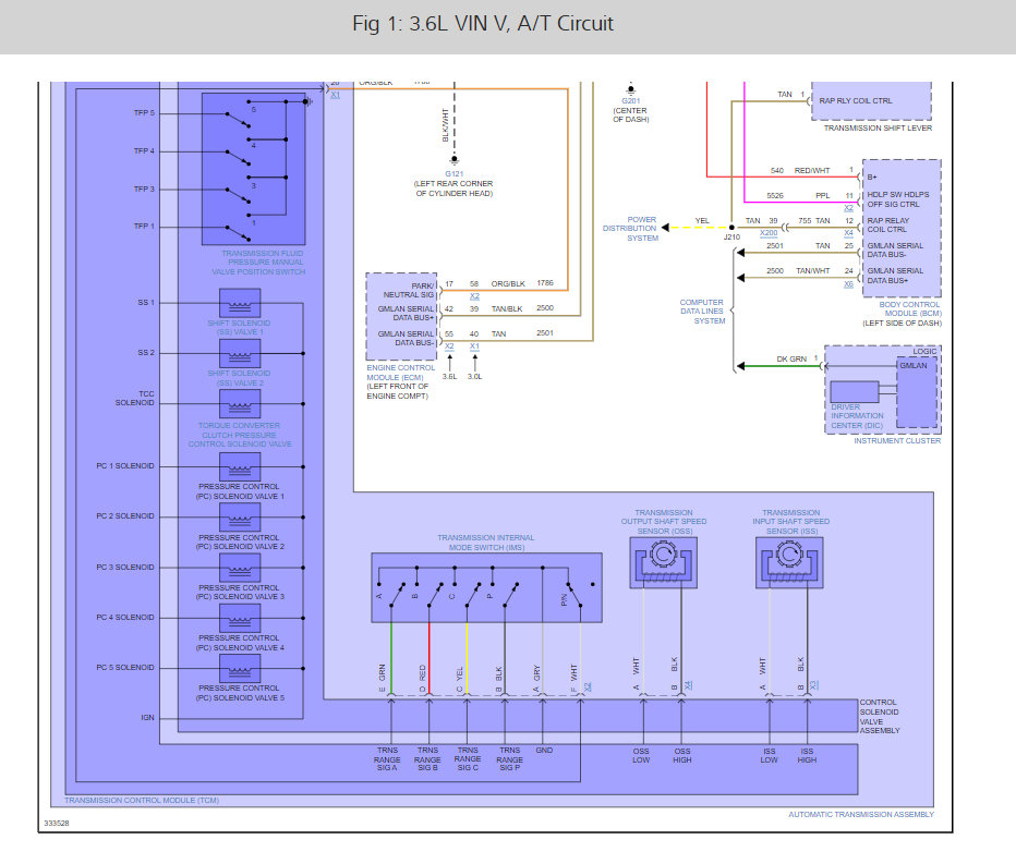
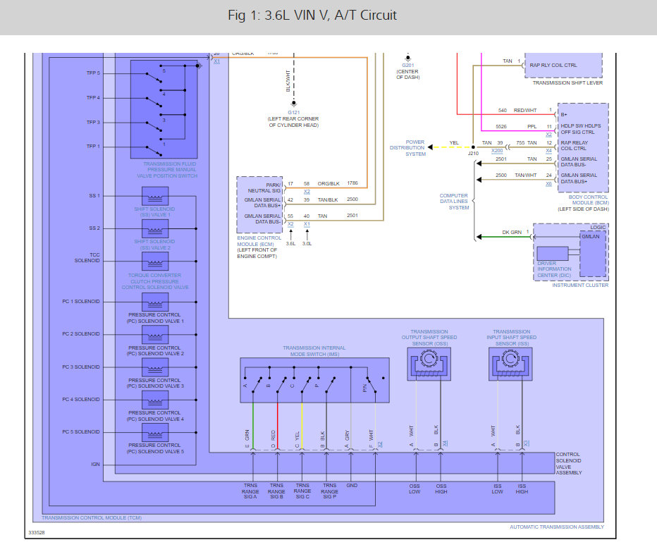
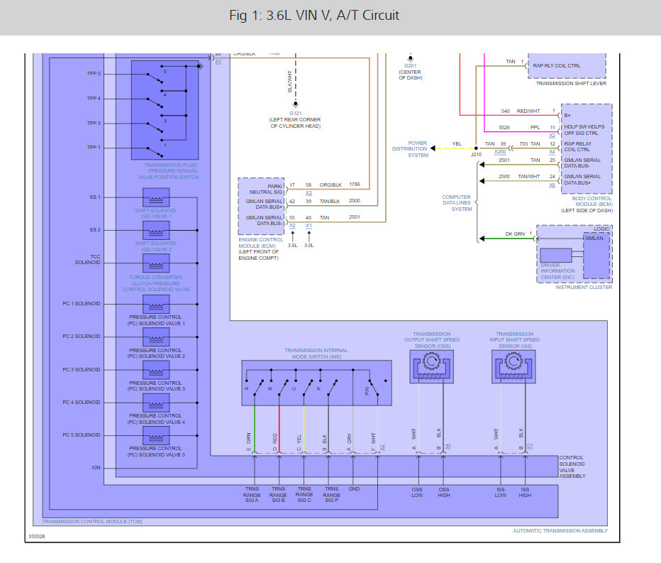
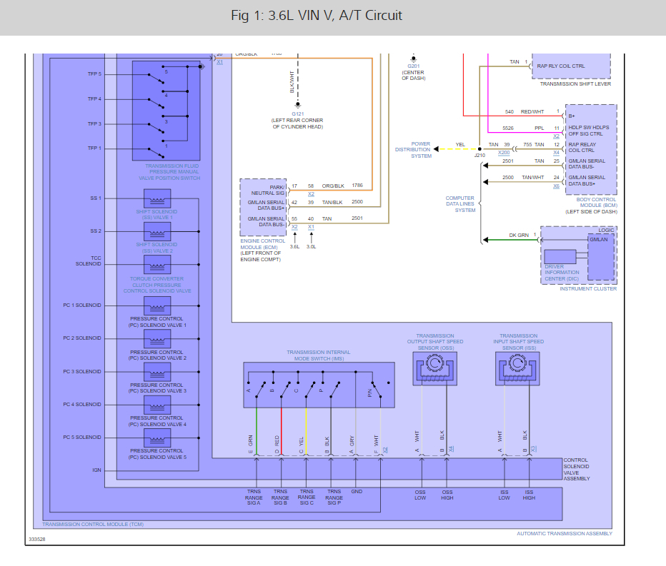
I have two codes I am attempting to fix (P0877) transmission fluid pressure sensor switch D circuit low and also (P0989) transmission fluid pressure sensor switch E circuit low.










