HOME
ASK A QUESTION
REPAIR GUIDES
BECOME A MEMBER
LOG IN
Login with Facebook
OR
Remember me
NOT A MEMBER?
FORGOT PASSWORD?
CONTACT US
PRIVACY POLICY
TERMS AND CONDITIONS
☰
Home
Nissan
Armada
Drivetrain
Transmission
Input Shaft Sensor
Location
Where is the Turbine speed sensor located?
TWYLAJENE85
MEMBER
2007 NISSAN ARMADA
2.0L
V8
TURBO
2WD
AUTOMATIC
98,000 MILES
I can't find the location.
Thursday, January 4th, 2024 AT 2:23 AM
1 Reply
KEN L
MASTER CERTIFIED MECHANIC
55,291 POSTS
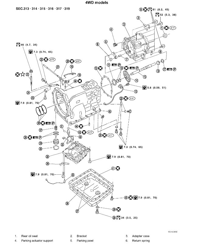
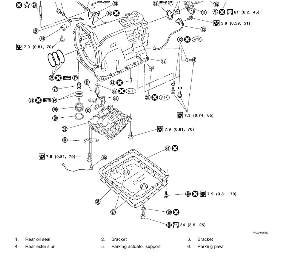
Both the VSS and output shaft and the turbine or input shaft sensors are inside the transmission, here is the location of both sensors in the images below. Check out the images (below). Let us know if you need anything else.
Images (Click to make bigger)
Was this
answer
helpful?
Yes
No
-1
Thursday, January 4th, 2024 AT 11:02 AM
Please
login
or
register
to post a reply.
Ask a Car Question. It's Free!
What to Do When a Check Engine Light?
Code Read Retrieval/Clear Mercedes Benz
Code Read Retrieval/Clear Mercedes-Benz C230