Trunk lock actuator replacement

Tiny
MALLON500
  • MEMBER
  • 2003 VOLKSWAGEN GTI
  • 1.8L
  • 4 CYL
  • TURBO
  • 2WD
  • MANUAL
  • 120,000 MILES
How do I locate and replace the trunk lock actuator?
Friday, March 29th, 2019 AT 2:52 PM

1 Reply

Tiny
JACOBANDNICKOLAS
  • MECHANIC
  • 110,192 POSTS
Welcome to 2CarPros.

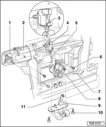
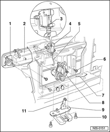
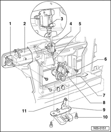
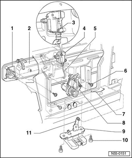
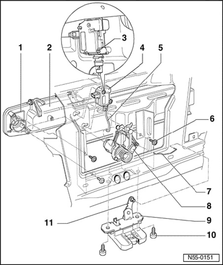
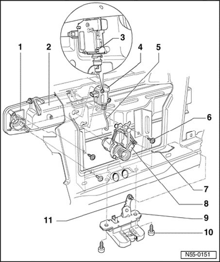
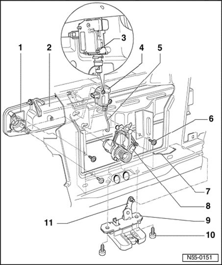
The actuator is located with the latch assembly. I have attached a picture with all components related to the rear latch assembly. The actuator is number 4 in the picture.

Here are the directions for replacing the latch assembly. I had to include everything to the actuator could be included.

_____________________________________

Rear Lid Lock, Removing And Installing
1 - Locking clamp
2 - Handle
- Removing
- Unclip lid trim (handle is secured with a bolt).
- Unclip pull lever, pry out locking clamp and remove lock cylinder housing from handle.
- Disconnect connector for luggage compartment light and unclip operating rod for central locking system if necessary.
- Remove Torx bolts and remove handle from lid.

3 - Actuator securing bolt
- Loosen and tighten using Socket wrench T10010

4 - Central locking actuator
- Removing
- Disconnect connector from actuator.
- Remove actuator using Socket wrench T10010 and remove from lid.

5 - Pull lever
6 - Torx screw
7 - Operating rod
8 - Lock cylinder housing
- Removing
- Unclip lid trim (handle is secured with a bolt).
- Unclip pull lever, pry out locking clamp and remove lock cylinder housing from handle.

9 - Lock
- Removing
- Remove lid trim.
- Disconnect connector from lock.
- Unclip operating rod, remove bolt and remove lock from lid.

- install - only with striker catch in detent

10 - Oval-head machine screw
- 20 Nm

11 - Actuator lever

Installing
- Engage locking clamp again.
- Position lock cylinder housing on to grip piece and lock in handle with an audible click.
- Then proceed in reverse order of removal.

Let me know if this helps.

Take care,
Joe
Was this
answer
helpful?
Yes
No
Friday, March 29th, 2019 AT 9:03 PM

Please login or register to post a reply.