Truck idles extremely rough and now strong smell of fuel

Tiny
RACHEL VINCENT
  • MEMBER
  • 1998 FORD EXPLORER
  • 4.0L
  • V6
  • AUTOMATIC
  • 267,000 MILES
After changing plugs and wires my truck is reading misfire in cylinder two and Incorrect ratio gear one, two, and four. Help! Also, I had been informed to gap plugs @.054. Was this correct information? Thank you
Tuesday, March 14th, 2017 AT 1:52 PM

4 Replies

Tiny
HMAC300
  • MECHANIC
  • 48,601 POSTS
It is supposed to e >052-, 056". So you are in good shape I would send firing order and plug wire placement, but there are two different ones VIN numbers E or X. Check that if it did not misfire prior. Otherwise scan it and take reading of sensors if you have one low or out of range that may be causing it as well as injectors.
Was this
answer
helpful?
Yes
No
+1
Tuesday, March 14th, 2017 AT 3:47 PM
Tiny
RACHEL VINCENT
  • MEMBER
  • 3 POSTS
My engine is an X vin
Was this
answer
helpful?
Yes
No
Sunday, March 19th, 2017 AT 5:42 AM
Tiny
HMAC300
  • MECHANIC
  • 48,601 POSTS
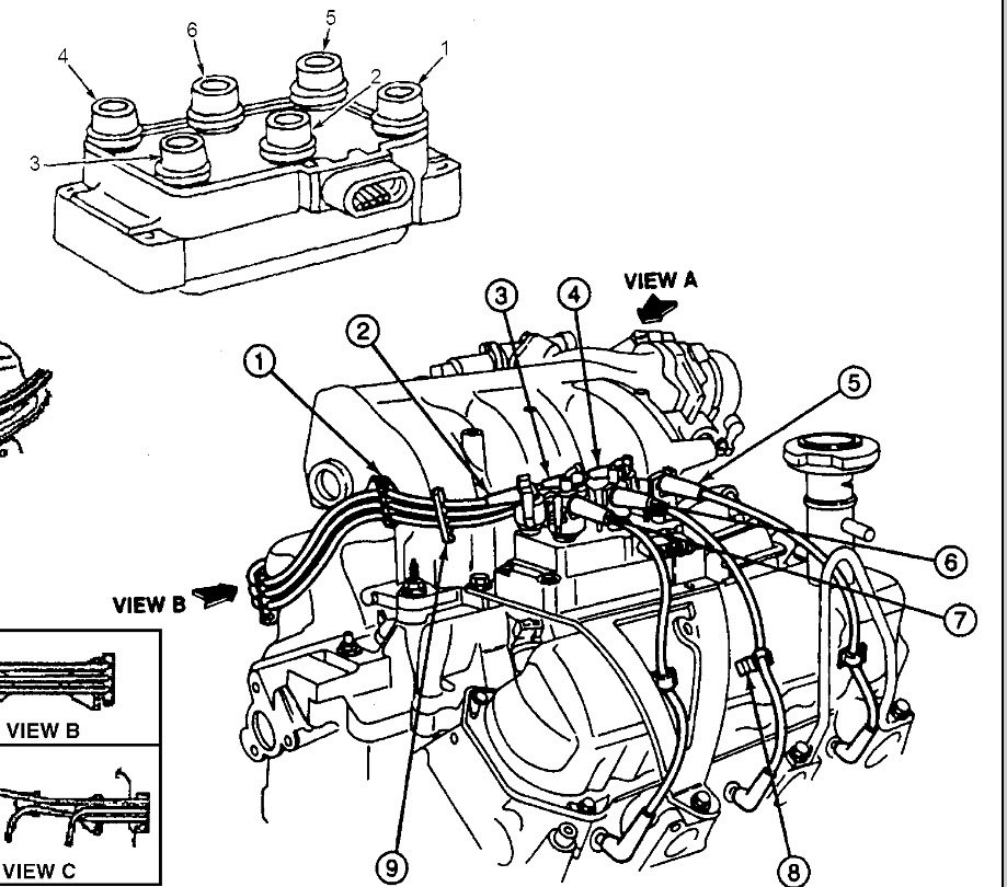
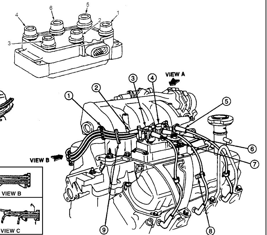
See pics for coil/plug locations.
Was this
answer
helpful?
Yes
No
Sunday, March 19th, 2017 AT 8:12 AM
Tiny
RACHEL VINCENT
  • MEMBER
  • 3 POSTS
It needed a new coil! All fixed! Running beautifully! Thank you for your help!
Was this
answer
helpful?
Yes
No
Sunday, March 19th, 2017 AT 1:35 PM

Please login or register to post a reply.