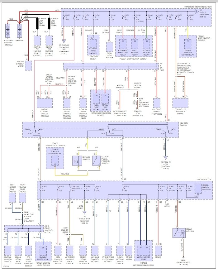
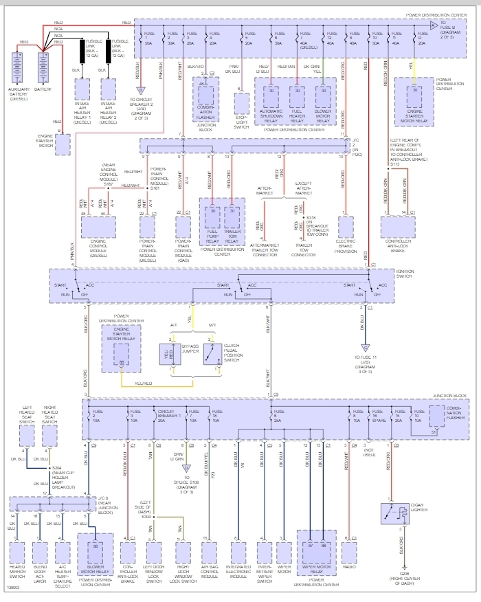
Thursday, June 9th, 2016 AT 10:27 AM
When my truck is running it runs perfect, but when I go to turn it off the engine hesitates to turn off even after I turn the key off and take the key out of the ignition. It does not keep running, but it takes a good four to five seconds for it to actually turn off when I turn the key off. I have tried to look it up on the internet but I have not been able to find anything about it. Please help!


