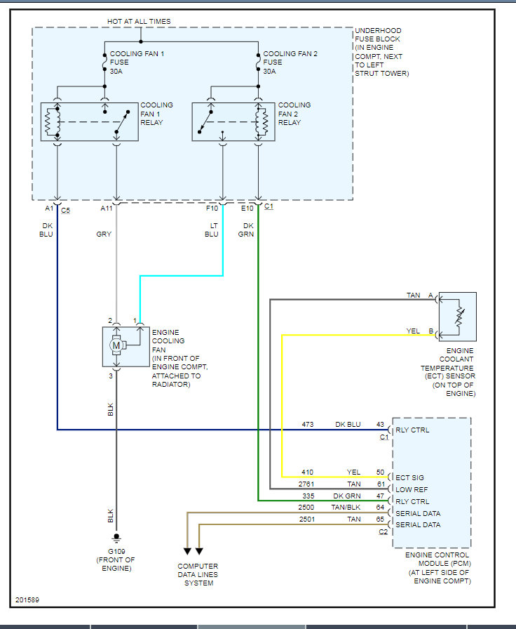
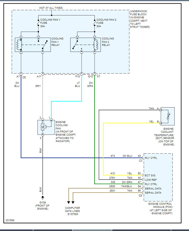
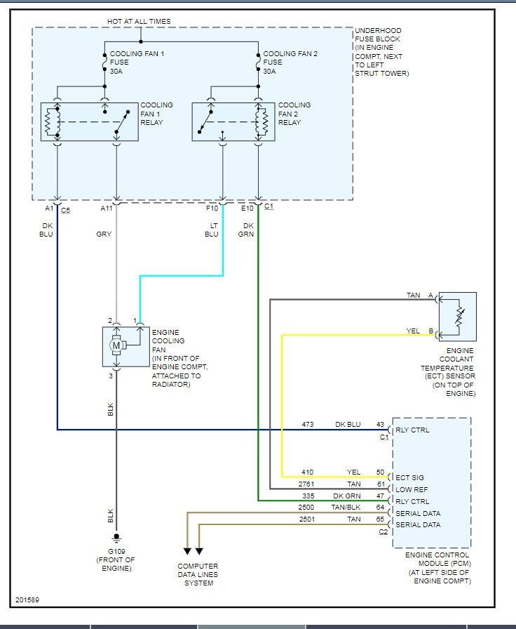
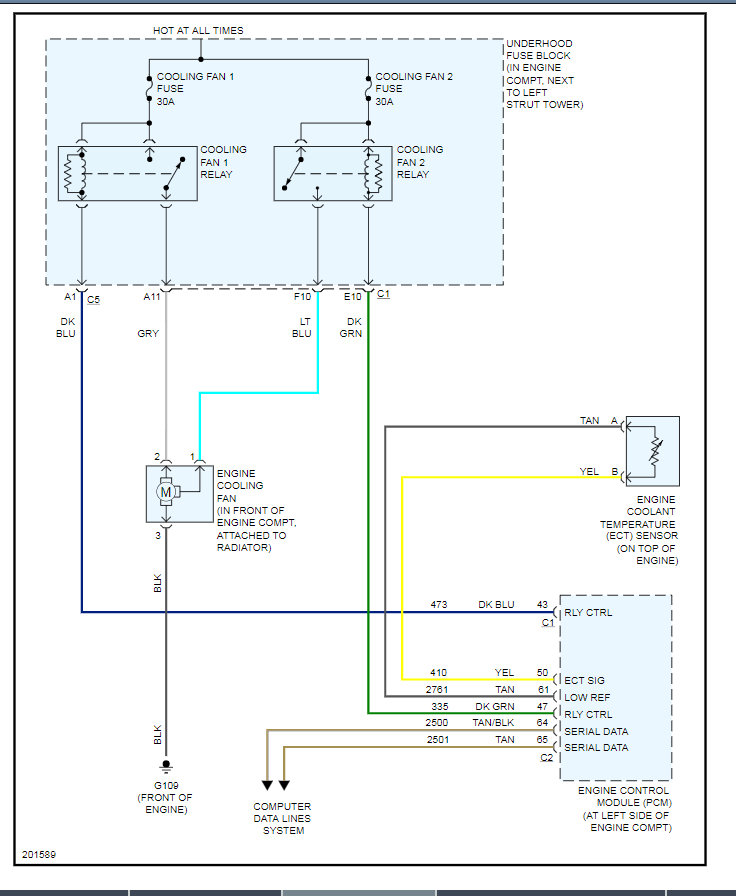
Engine light shows trouble p0480. by the way how many relays are on my car for the cooling fan? Thanks
Dec 9, 2019 at 6:45 AM
Advertisement
Repair Safety Notice:
This information is for general instructional purposes only. Vehicle repair can be dangerous.
Verify all information, follow manufacturer service procedures, use proper tools and safety equipment,
and consult a qualified repair shop when needed.
KASEKENNY
AUTOMOTIVE REPAIR CONTRIBUTOR
18,907 POSTS
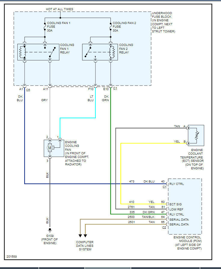
I attached the test for this code so you can run through it and let me know what you find. I attached the wiring diagram. You have two fan relays. Let me know what questions you have if any. Thanks