Transmission will not let you shift from reverse to park

Tiny
JTWPISHION
  • MEMBER
  • 1998 CHEVROLET TRUCK
  • 5.7L
  • V8
  • 2WD
  • AUTOMATIC
  • 100,000 MILES
Once you shift to anything out of park to get back into park you have to do it from under the truck by hand.
Monday, February 4th, 2019 AT 11:38 AM

1 Reply

Tiny
KEN L
  • MASTER CERTIFIED MECHANIC
  • 55,065 POSTS
Hello,

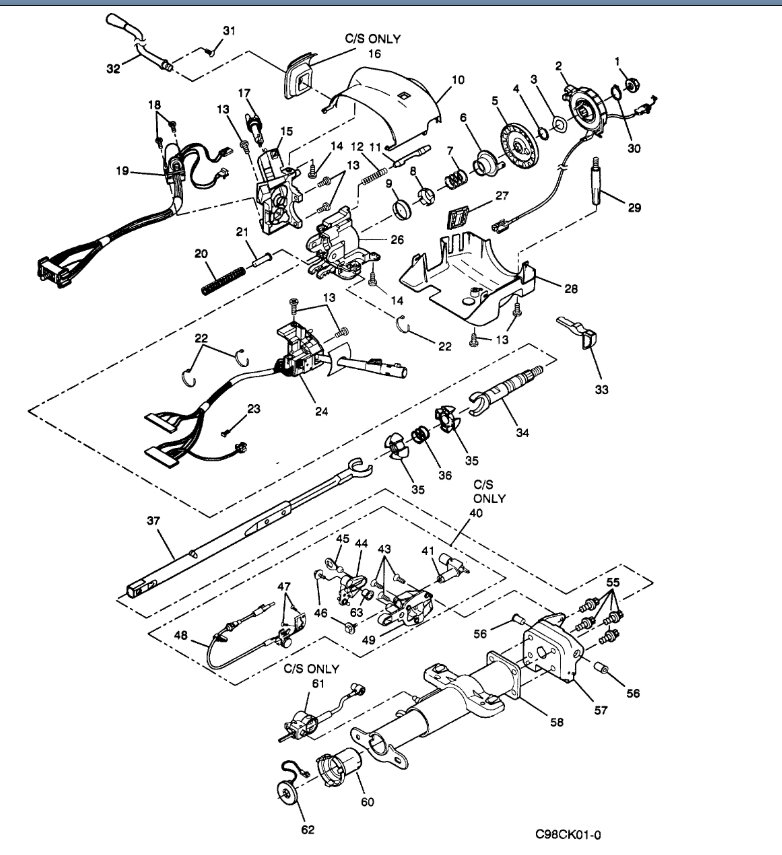
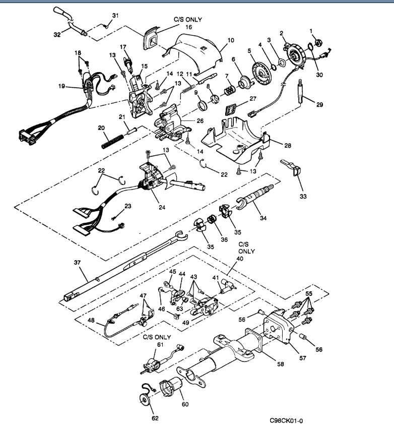
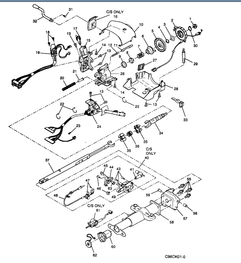
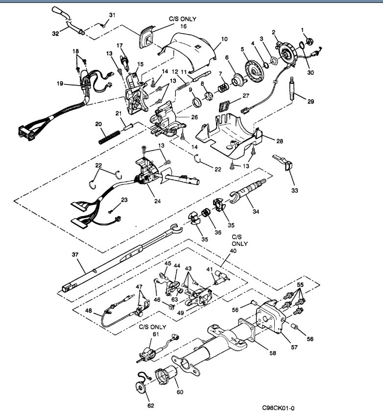
It sounds like you have a problem with the shift cable or interlock solenoid. Here are diagrams for you to check out to fix the problem. Check out the diagrams (below). Please let us know what you find. We are interested to see what it is.
Was this
answer
helpful?
Yes
No
Tuesday, February 5th, 2019 AT 11:51 AM

Please login or register to post a reply.