Sunday, November 10th, 2024 AT 2:50 PM
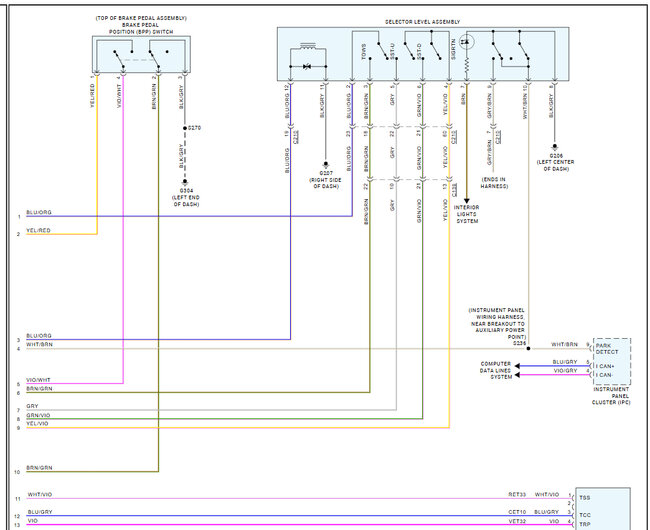
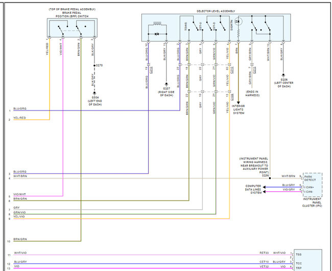
I recently had to change out the transmission range selector lever due to it no longer attaching to the shift cable bushing. After re-bolting the new lever, the vehicle is stuck in M1 even if I move the shift lever back and forth. Both the lever at the base of the transmission and the shift knob in the vehicle move back and forth. I did an obd2 test and the Error code P1705 came up (basically letting me know the range sensor is not in park). Everything worked electrically prior to replacing the lever. I have tried disconnecting the battery to reset the computer as well as deleting the error code with the obd2.









