Transmission error codes P1745 and a PO869

Tiny
SWINGSWING
  • MEMBER
  • 2011 DODGE CARAVAN
  • 3.6L
  • V6
  • 2WD
  • AUTOMATIC
  • 200,000 MILES
Got a p1745 and a po869. What was the cause and how to fix myself? Please help.
Friday, January 24th, 2020 AT 1:42 PM

1 Reply

Tiny
ASEMASTER6371
  • MECHANIC
  • 52,796 POSTS
Good afternoon,

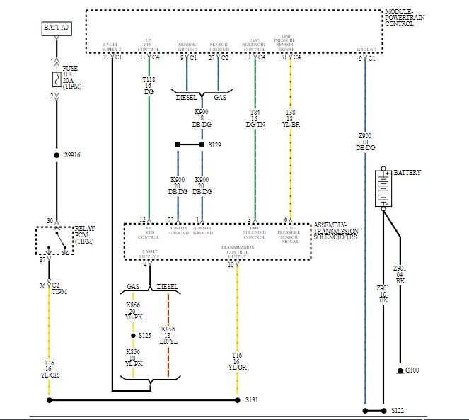
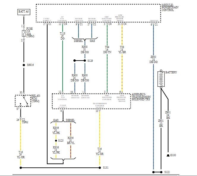
This 869 code is for the line pressure is too high. I attached the possibilities below for you to view. It could be an electrical failure but needs to be checked.

You will need an advanced scan tool that can read the transmission and monitor the pressure and the sensor to see if there is a signal to the TCM.

1745 is related to the 869 code.

It could be dirty fluid in the transmission, valve body issues, wiring issues or the solenoid pack that is defective. They all need to be checked t find the failure.

Roy
Was this
answer
helpful?
Yes
No
Friday, January 24th, 2020 AT 1:53 PM

Please login or register to post a reply.