The engine is idling low?

Tiny
MIKEMASON2526
  • MEMBER
  • 2002 LEXUS ES 300
  • 3.0L
  • 6 CYL
  • 2WD
  • AUTOMATIC
  • 207,000 MILES
Car is idling at 300 RPMs and almost shuts off when I put it in gear.
Tuesday, February 25th, 2025 AT 6:30 PM

3 Replies

Tiny
KEN L
  • MASTER CERTIFIED MECHANIC
  • 55,499 POSTS
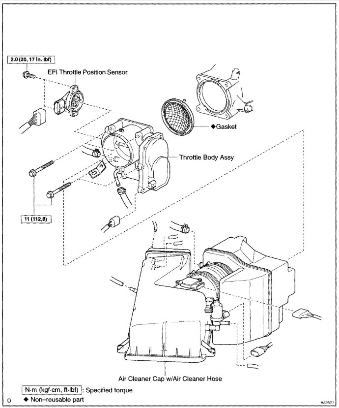
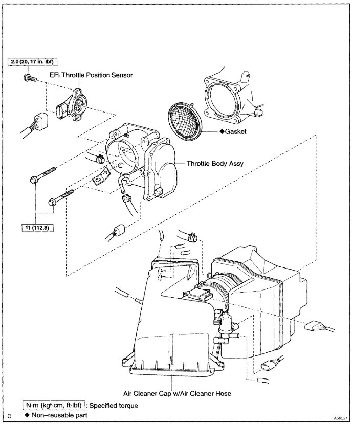
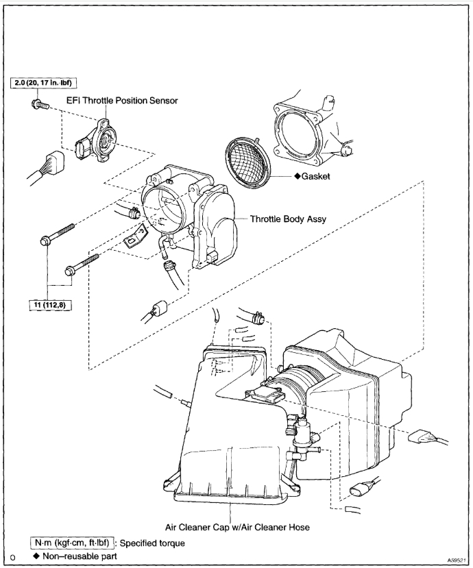
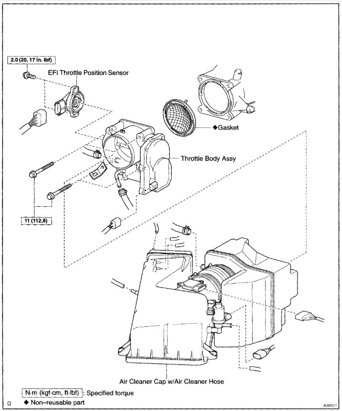
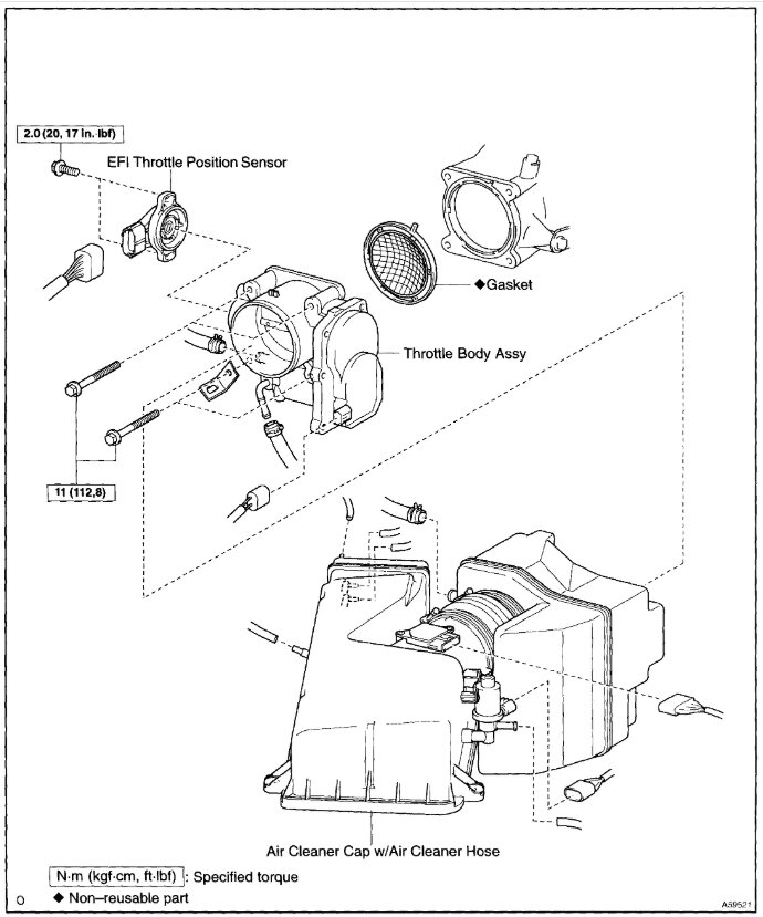
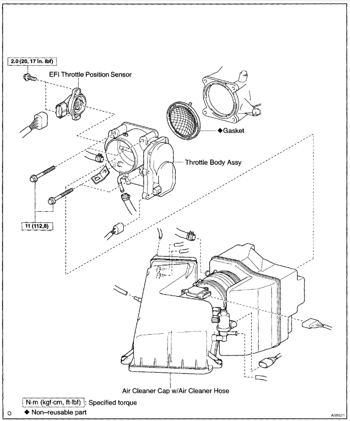
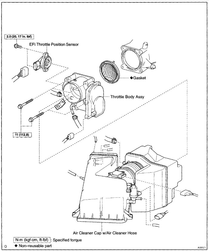
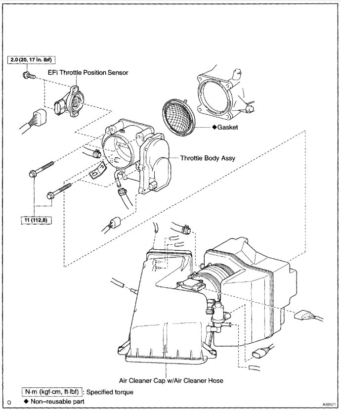
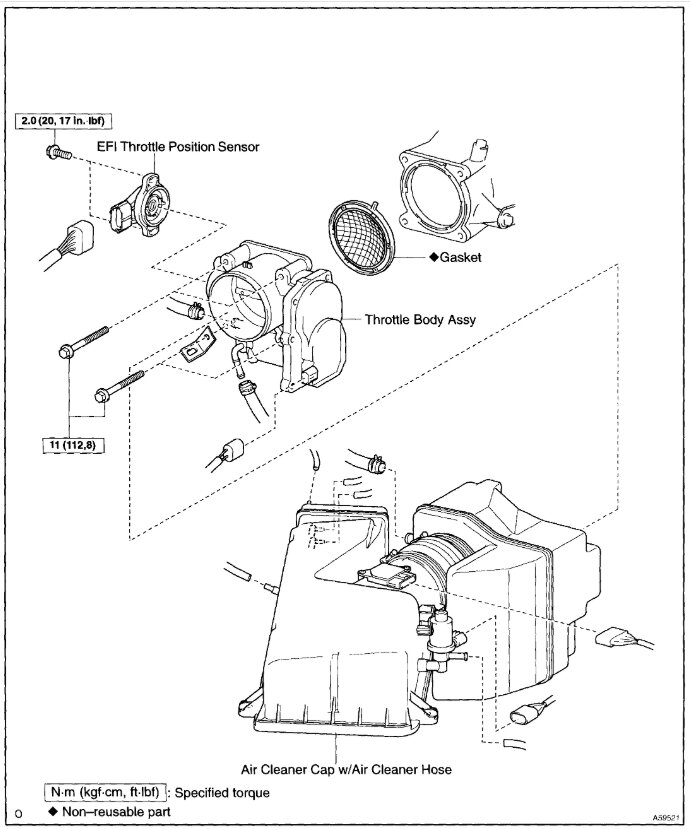
This is common when the throttle bore needs to be serviced, here are guides to help us fix the problem with instructions for your car in the images below.

https://www.2carpros.com/articles/throttle-actuator-service

and

https://www.2carpros.com/articles/low-engine-idle

Also, is the check engine light on? Check out the images (below). Please let us know what happens.

Was this
answer
helpful?
Yes
No
+2
Thursday, February 27th, 2025 AT 11:36 AM
Tiny
MIKEMASON2526
  • MEMBER
  • 2 POSTS
The check engine light flashed off and on at first then stopped, but your answer was right on. Thank you, you guys are good.
Was this
answer
helpful?
Yes
No
Monday, March 3rd, 2025 AT 4:20 AM
Tiny
KEN L
  • MASTER CERTIFIED MECHANIC
  • 55,499 POSTS
Thanks for letting us know, we are here to help, please use 2CarPros anytime.
Was this
answer
helpful?
Yes
No
Monday, March 3rd, 2025 AT 10:36 AM

Please login or register to post a reply.