Ignition switch replacement instructions please?

Tiny
PRSNOW
  • MEMBER
  • 2001 TOYOTA PRIUS
The ignition switch on my Classic Toyota Prius went bad and had to be replaced. I took my car to a dealership who wants to replace the ECU (immobilizer) along with my ignition switch, thus needing a new set of keys and having to have two keys--one for the ignition and the old one for the locks.

Is that the best way to go about it? Could they just replace the ignition switch, cut a key blank to match my old key, and re-pin the tumbler for the ignition? I know that I am not out of master keys to be reprogramed to the ECU
Monday, June 15th, 2009 AT 2:12 PM

1 Reply

Tiny
KASEKENNY
  • MECHANIC
  • 18,907 POSTS
It depends on what is wrong with it but if the switch has failed then when you replace the switch they just send it with the new cylinder and keys as you are going to have program the keys to the new switch and you can only program the key to one switch.

So unfortunately when you replace the switch, you have to put new keys in as well.

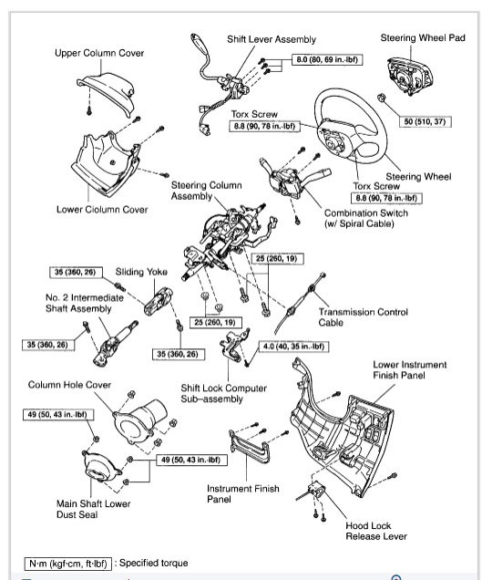
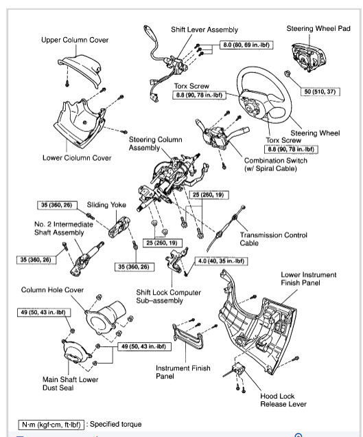
I attached the process below for the cylinder and programming the new keys. However, they may not have explained it very well but it sounds like they are correct with programming new keys.

As for changing the ignition cylinder, that does not need to be changed. They can cut the metal part to the existing key but you are going to have to program and cut new keys so the old keys will no longer start the vehicle.

Let us know if you need more info. Thanks
Was this
answer
helpful?
Yes
No
Saturday, February 6th, 2021 AT 7:11 AM

Please login or register to post a reply.