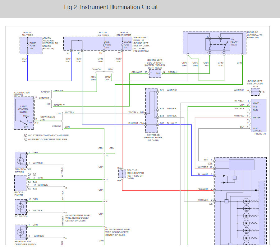
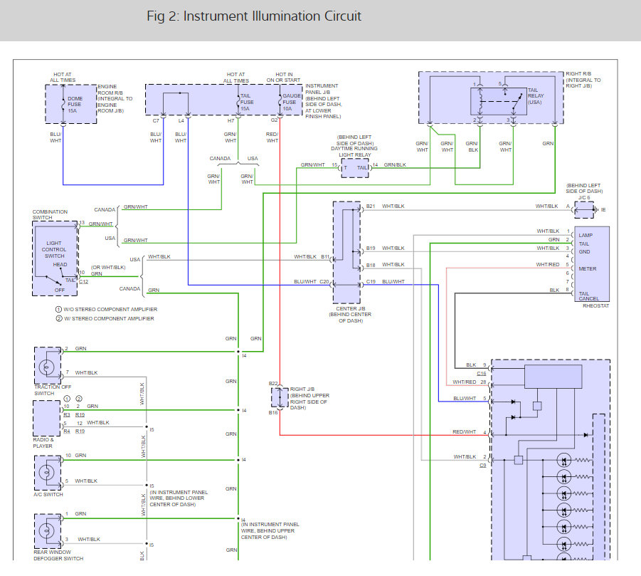
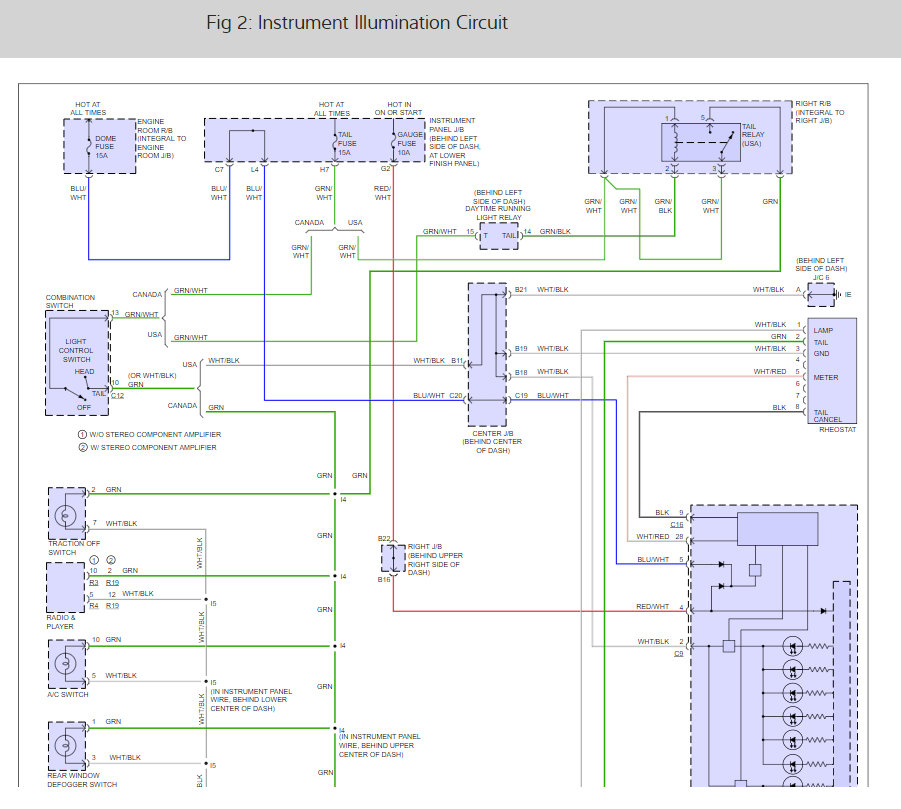
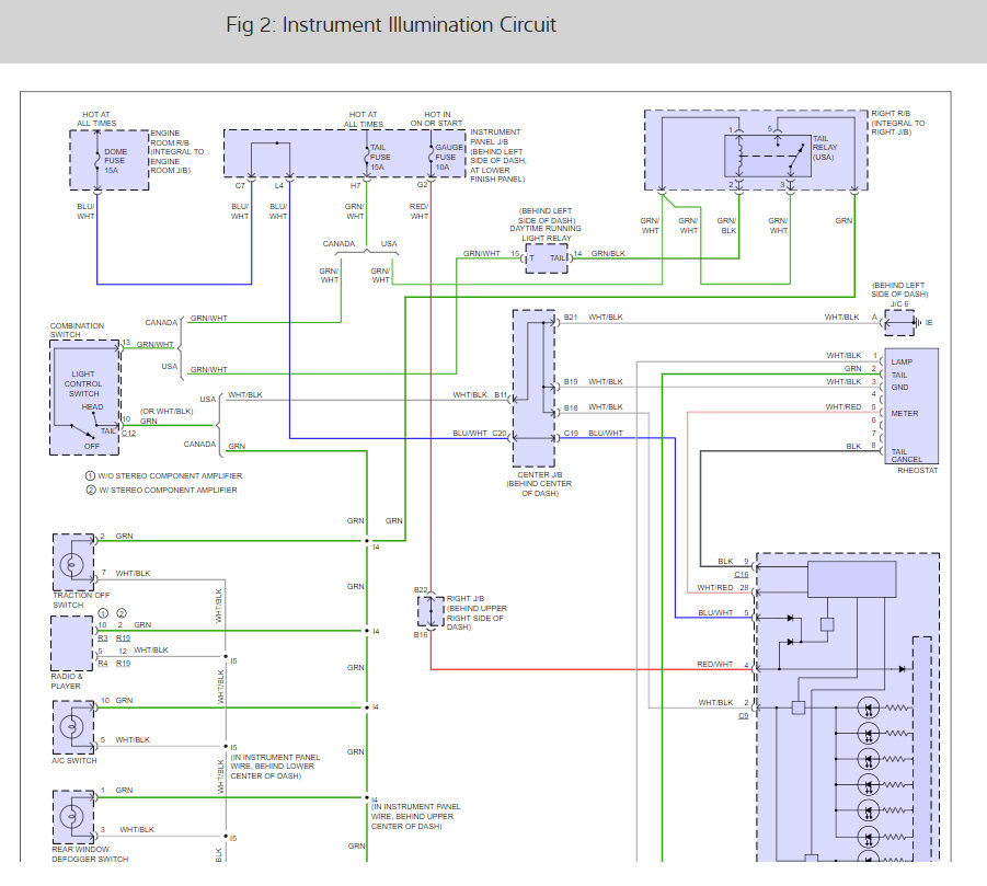
Sunday, March 28th, 2010 AT 12:50 PM
Dash lights have gone out so I can not see anything at night. At first my radio was also out but after checking every fuse in the car it is now working but not the dash or radio lights. Is it possible the lights themselves have died? How do I change those?



