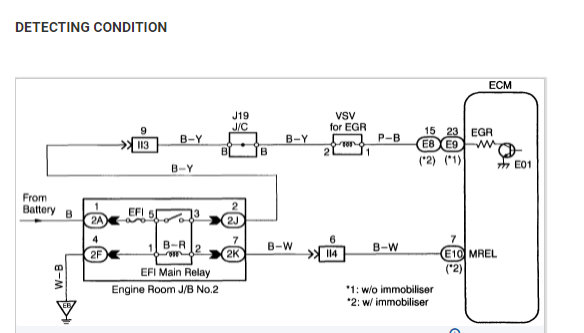
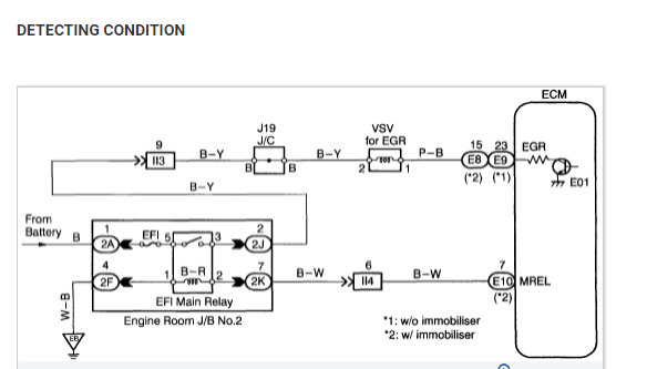
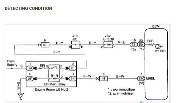
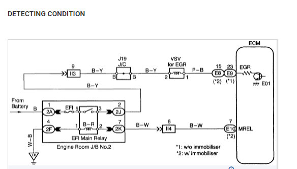
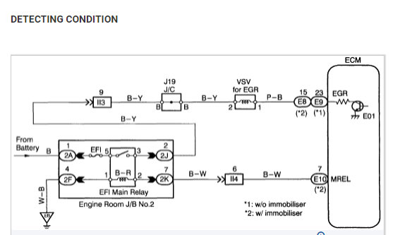
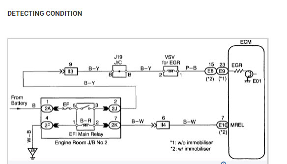
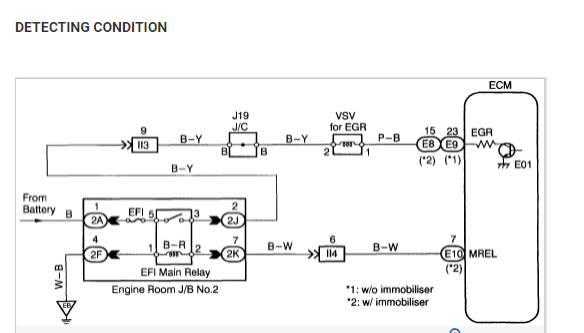
Friday, March 12th, 2010 AT 2:29 PM
A month ago I had check engine light with a P0401 code for bad EGR flow. After checking this site I figured it had to be the VSV which I replaced myself. This fixed the problem with the code. A few days later though the car started to run at higher RPM (1500 then slowly drop off) at start up idle, but drop down to normal RPM while driving. The car has since been running poorly and feels a little gutless. I'm not sure if the EGR system is even related to this, but right now if I look under the hood while the engine is running I can hear a squeak noise coming from the EGR modulator with each blow of air that comes into the bottom of it. Is it possible that replacing the VSV could unearth a real problem with the modulator? As a possible side note, during the course of this Our timing belt finally went out and we had it replaced, and the battery has been acting up. Any ideas?

















