Timing chain set replacement

2007 CADILLAC CTS
100,000 MILES • 3.6L
Avatar
VDAHLBERG
  • MEMBER
  • 1 POST
Need stage one and two instructions for replacing timing chains.
Dec 5, 2017 at 9:15 PM
Advertisement
Repair Safety Notice: This information is for general instructional purposes only. Vehicle repair can be dangerous. Verify all information, follow manufacturer service procedures, use proper tools and safety equipment, and consult a qualified repair shop when needed.
Avatar
STRAILER
  • AUTOMOTIVE REPAIR CONTRIBUTOR
  • 54,134 POSTS
Hello,

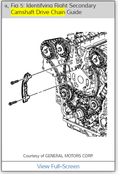
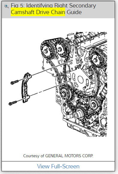
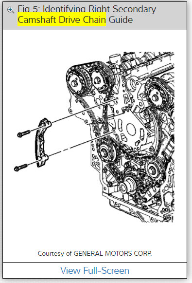
This is a fun job. ;) Here is the engine timing chain marks and diagrams as well as some of the procedure of what it all take to get the timing chain replaced. There are many diagram (below) so take some time to study them.

Check out the diagrams (below).

Please let us know if you need anything else to get the problem fixed.

Cheers, Ken
Dec 7, 2017 at 11:40 AM
Avatar
SCOTT NELSON
  • MEMBER
  • 3 POSTS
I did the timing on this engine and manually turned it over and now the timing chains won’t lineup. Is that because there’s no actuators in yet. Is it OK that the marks don’t lineup after doing the timing turning it over manually. I just need to know before I put the engine back together.
Jul 15, 2019 at 6:37 AM
Advertisement
Avatar
STRAILER
  • AUTOMOTIVE REPAIR CONTRIBUTOR
  • 54,134 POSTS
You will run valves into PISTON if timing isn't correct. No actuators? Can you please shoot a quick video with your phone so we can see what's going on, that would be great. You can upload it here with your response.
Jul 15, 2019 at 12:32 PM
Avatar
SCOTT NELSON
  • MEMBER
  • 3 POSTS
I’m not in the car right now. But I did it how Mealing said to do it which is keep it in stage one while you do every timing chain. But if you watch Cloyes video It says to do it in stage two then turn it to stage one to do that right bank chain and AllData said to do that too. And it almost seems like on every full rotation I get bound up a little bit because it pulls a little slack in the chain. I’m wondering if I should redo the timing and deal with how all data says to
Jul 15, 2019 at 1:57 PM
Advertisement
Avatar
STRAILER
  • AUTOMOTIVE REPAIR CONTRIBUTOR
  • 54,134 POSTS
I would, it is important to do the chains as they say, line it up one side at a time. Let me know what happens please.
Jul 16, 2019 at 9:29 AM
Avatar
ERICSON ABSOLID
  • MEMBER
  • 1 POST
Hi guys. Currently doing timing chain on traverse. I followed the cloyes video and now it’s put back together, the engine won’t even crank over. I’m thinking if I should just leave everything at stage 1 and line up the chains that way. Any insight would help. I have to take everything out again. Sigh....
Aug 24, 2019 at 6:28 PM
Avatar
STRAILER
  • AUTOMOTIVE REPAIR CONTRIBUTOR
  • 54,134 POSTS
Hello,

This thread is for a 2007 CADILLAC CTS

Please post your new question here, you must be logged in.

https://www.2carpros.com/questions/new

Cheers, Ken
Aug 26, 2019 at 12:31 PM
Avatar
JOHN2008CADDY
  • MEMBER
  • 1 POST
Doing my car now did Ericson absolid did you fix you issue following the cloyes kits
Oct 6, 2019 at 7:25 PM
Avatar
STRAILER
  • AUTOMOTIVE REPAIR CONTRIBUTOR
  • 54,134 POSTS
We are not sure because the user has not come back if you find out please let us know.
Oct 18, 2019 at 2:26 PM
Avatar
DIYMECH
  • MEMBER
  • 4 POSTS
So I'm setting the timing on my 2007 3.6L CTS. After I get it aligned. The book says to crank the motor by hand two full rotations. To check for chain slips and to make sure timing is set correct. But when I do, the chain slips on the left head exhaust cam sprocket. About a tooth or two. I've put on all new chain set including chains, tentioners, guides and idler sprockets. Why would it slip? I'm guessing the heads??? What should I check
Oct 18, 2019 at 2:27 PM (Merged)
Avatar
WRENCHTECH
  • AUTOMOTIVE REPAIR CONTRIBUTOR
  • 20,761 POSTS
Most likely you are rotating in the wrong direction. You can't pull against the tensioners.
Oct 18, 2019 at 2:27 PM (Merged)
Avatar
DIYMECH
  • MEMBER
  • 4 POSTS
It should be spun clockwise right
Oct 18, 2019 at 2:27 PM (Merged)
Avatar
WRENCHTECH
  • AUTOMOTIVE REPAIR CONTRIBUTOR
  • 20,761 POSTS
Yes, it appears clockwise is the direction to go.

Make real sure that you aren't hitting the piston against a valve due to incorrect timing.
Oct 18, 2019 at 2:27 PM (Merged)
Avatar
DIYMECH
  • MEMBER
  • 4 POSTS
Thanks for the response. But the marks are all lined up and Im cranking it in the correct direction. What else would make it slip
Oct 18, 2019 at 2:27 PM (Merged)
Avatar
DIYMECH
  • MEMBER
  • 4 POSTS
Can anyone help?
Oct 18, 2019 at 2:27 PM (Merged)
Avatar
WRENCHTECH
  • AUTOMOTIVE REPAIR CONTRIBUTOR
  • 20,761 POSTS
I've already given you about the only answer there is. If the tensioners are all in place and working and you are rotating the correct direction, something has to be jamming up the cams.
Oct 18, 2019 at 2:27 PM (Merged)
Avatar
DSAMMS
  • MEMBER
  • 2 POSTS
I have a cts with timing chain problems and one dealer wants to replace the cam chaft actuators and the seals around the spark plug gaskets. Another dealer did not quote those parts and did not think the actuators need to be replaced. What other parts should be replaced while they are in replacing the timing chains.
Oct 18, 2019 at 2:27 PM (Merged)
Avatar
HMAC300
  • AUTOMOTIVE REPAIR CONTRIBUTOR
  • 48,601 POSTS
if the chain shoes are worn those should be replaced.maybe tensioners
Oct 18, 2019 at 2:27 PM (Merged)
Avatar
DSAMMS
  • MEMBER
  • 2 POSTS
the timing chain is making noise but has not broken yet, the car is having hesitation problems,etc. A while back the car fouled a plug but they stated that they did not see any signs of any other issues at that time. No oil was on plug and car did fine until it started this which seems like the same type of hesistation issue as before. No code in computer either time.
Oct 18, 2019 at 2:27 PM (Merged)
Avatar
HMAC300
  • AUTOMOTIVE REPAIR CONTRIBUTOR
  • 48,601 POSTS
it could be low fuel pressure or an egr problem likepartial blockage, but if it's making noise it shold be looked at. the other dealer that wanted to change theactuators may have thought that they were sticking or there may be a tsb on them which i currently don't see. the fuel pressure shold be 55-60 psi. if the plug is fouling then that seal should be replaced if it has done it twice.
Oct 18, 2019 at 2:27 PM (Merged)
Avatar
NEEDANSWERS40
  • MEMBER
  • 1 POST
I had to have the timing chain replaced on my 03 cadillac cts, this was done at the dealership. Since I have had the car back it seems to be one think after another, I'm just wondering if you might educate me as to whether or not these problems can be from them doing something wrong or breaking something while replacing the timing chain. Two days after bringing the car home, it started overheating , I took it back and the claimed it was a hose that they think they have repaired, but if it doesn't work then I will have to have a new radiator. One week after that, the air conditioner stops blowing cold air and there's a green oil stain under my car. I have not contacted them about the air conditoner yet.
Oct 18, 2019 at 2:27 PM (Merged)
Avatar
2CARPRO JACK
  • AUTOMOTIVE REPAIR CONTRIBUTOR
  • 11,533 POSTS
The green stain could be either coolant (depending on what kind they used) or flouro-dye used in A/C systems to find leaks.Either way, they most likely had to remove the radiator and a/c compressor to do the timing chain in that vehicle, so this stuff could be traced back to what they did.
Oct 18, 2019 at 2:27 PM (Merged)
Avatar
DORON
  • MEMBER
  • 1 POST
Hi, At what mileage do i need to change the timing chain?
Oct 18, 2019 at 2:27 PM (Merged)
Avatar
MHPAUTOS
  • AUTOMOTIVE REPAIR CONTRIBUTOR
  • 31,937 POSTS
Hi there,

There is no set time for timing chain replacement, the chain will last a very long time, you will start to hear a rattle noise in the front of the engine, this is usually the sign of a stretched chain.

mark (mhpautos)
Oct 18, 2019 at 2:27 PM (Merged)
Avatar
FACTORYJACK
  • AUTOMOTIVE REPAIR CONTRIBUTOR
  • 4,159 POSTS
Coincidentally, your 2003 has no chain, it has a belt. Your engine size is 2.8l, or 3.2l, most likly the latter. There is manufacturer recommendations for belt replacement, usually around 60k miles. It is your obligation of when to have it replaced, The more you go past the recommended service interval, the more risk you assume for failure. It is an interference engin, and if timing is lost engine damage will result.
Oct 18, 2019 at 2:27 PM (Merged)
Avatar
J.STIEG
  • MEMBER
  • 361 POSTS
Can I get just a timing chain diagram for my car listed above it has 3.6l dohc engine?

Camshafts are out of sync.
Oct 18, 2019 at 2:27 PM (Merged)
Avatar
SATURNTECH9
  • AUTOMOTIVE REPAIR CONTRIBUTOR
  • 30,869 POSTS
Here are the timing marks the left side marks along with the crank sprocket. There are more in the post below which should be able to get the job done.
Oct 18, 2019 at 2:27 PM (Merged)
Avatar
SATURNTECH9
  • AUTOMOTIVE REPAIR CONTRIBUTOR
  • 30,869 POSTS
The diagrams i just posted should get you there.
Oct 18, 2019 at 2:27 PM (Merged)
Avatar
J.STIEG
  • MEMBER
  • 361 POSTS
found out what was wrong with the Cadillac. It was out of motor oil causing timing chain guide to clatter put in four quarts of oil and problem solved.
Oct 18, 2019 at 2:27 PM (Merged)
Avatar
TIM ZWAGERMAN
  • MEMBER
  • 1 POST
In response to the question about the timing marks not lining up after turning the engine over manually, i had the same issue. I think it is due to the different number of teeth on the sprockets so that everything does't line up in the same spot every revolution. I followed the instructions for setting timing and made sure all the marks lined up, set the tensioners, and after turning engine manually none of the chain marks lined up anywhere. It made me kind of nervous but after reassembly the vehicle started right up and ran fine.
Jun 30, 2020 at 12:22 PM
Avatar
STRAILER
  • AUTOMOTIVE REPAIR CONTRIBUTOR
  • 54,134 POSTS
Hi Tim, thanks for getting back to us. Nice work, we are here to help, please use 2CarPros anytime.
Jul 1, 2020 at 10:36 AM