Timing belt replacement

Tiny
TROY KIEFFER
  • MEMBER
  • 1998 LEXUS ES 300
  • 3.0L
  • 6 CYL
  • 2WD
  • AUTOMATIC
  • 135,000 MILES
My car had the timing belt replaced in 2012 at 94,000 miles. The car now has 135,000 miles it is the year 2020. Should I change the timing belt now?
Sunday, March 15th, 2020 AT 9:23 PM

2 Replies

Tiny
SCGRANTURISMO
  • MECHANIC
  • 4,897 POSTS
Hello,

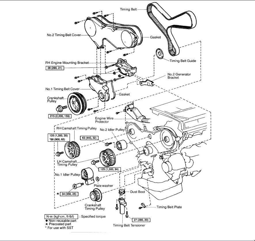
The maintenance table for your vehicle only goes to 150,000 miles, and it recommends replacing it at 90,000 miles, so I can only assume that it recommend replacing again at 180,000 miles, but having said that, if in doubt, it is always best to replace a part and be safe rather than sorry. In the diagrams down below I have included the instructions from the vehicle manufacturer for the removal and installation of the timing belt for your vehicle. Please go through this guide and get back to us with how everything turns out if you decide to replace the timing belt at this time.

Thanks,
Alex
2CarPros
Was this
answer
helpful?
Yes
No
Monday, March 16th, 2020 AT 3:53 AM
Tiny
TROY KIEFFER
  • MEMBER
  • 29 POSTS
Thank you for your time and advice. And the diagram it's awesome! Take care.
Was this
answer
helpful?
Yes
No
Monday, March 16th, 2020 AT 3:50 PM

Please login or register to post a reply.