Thursday, July 19th, 2018 AT 2:30 PM
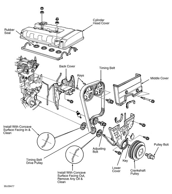
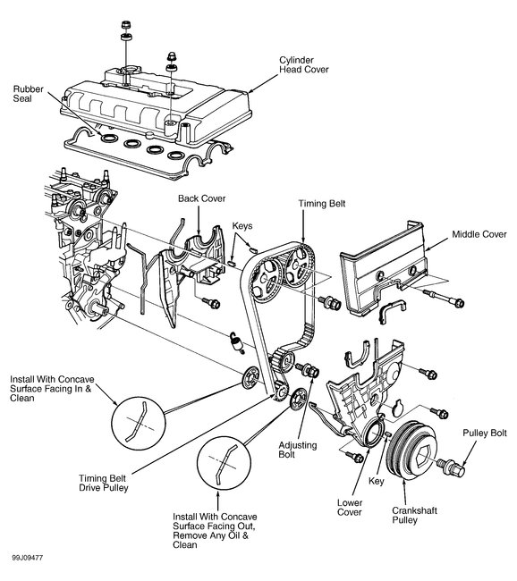
Timing belt broke and while I was taking it apart. I noticed rub marks on the cover from the belt, so I replaced the belt only with a new one. When tbd motor started the new timing belt walked forward about a quarter of an inch, so I replaced the tension-er and that did not help. Now I do not know what to check.



