How to replace the timing belt information with diagrams?

Tiny
TAINA
  • MEMBER
  • 2010 HYUNDAI I30
  • 1.8L
  • 4 CYL
  • 2WD
  • MANUAL
  • 241,000 MILES
Replace timing belt information with diagrams.
Friday, August 9th, 2024 AT 11:52 PM

3 Replies

Tiny
KEN L
  • MASTER CERTIFIED MECHANIC
  • 55,499 POSTS
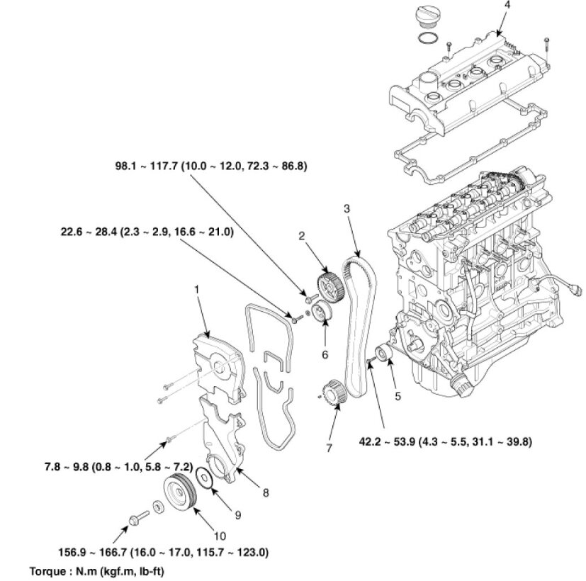
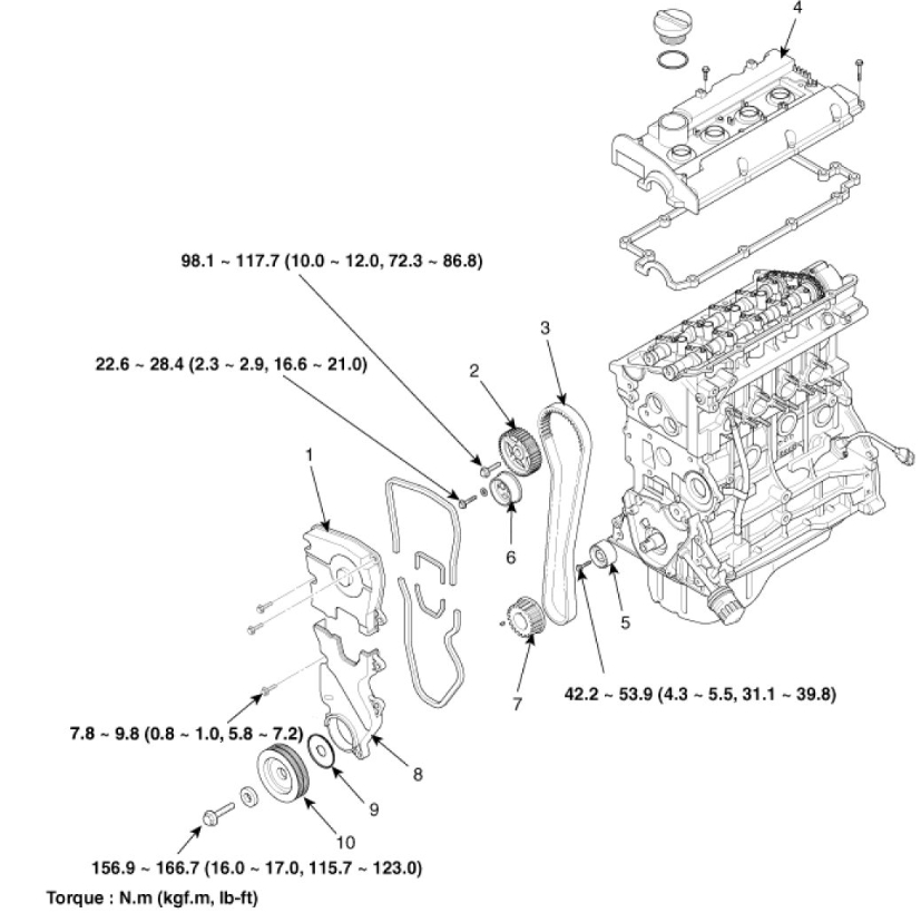
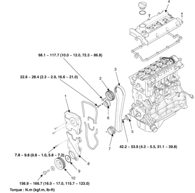
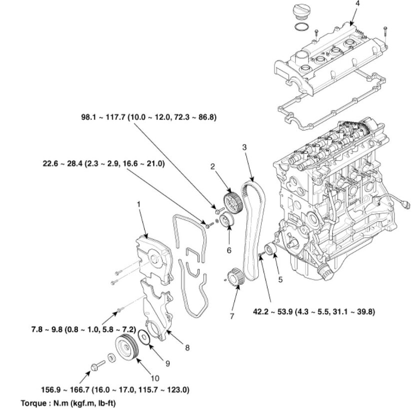
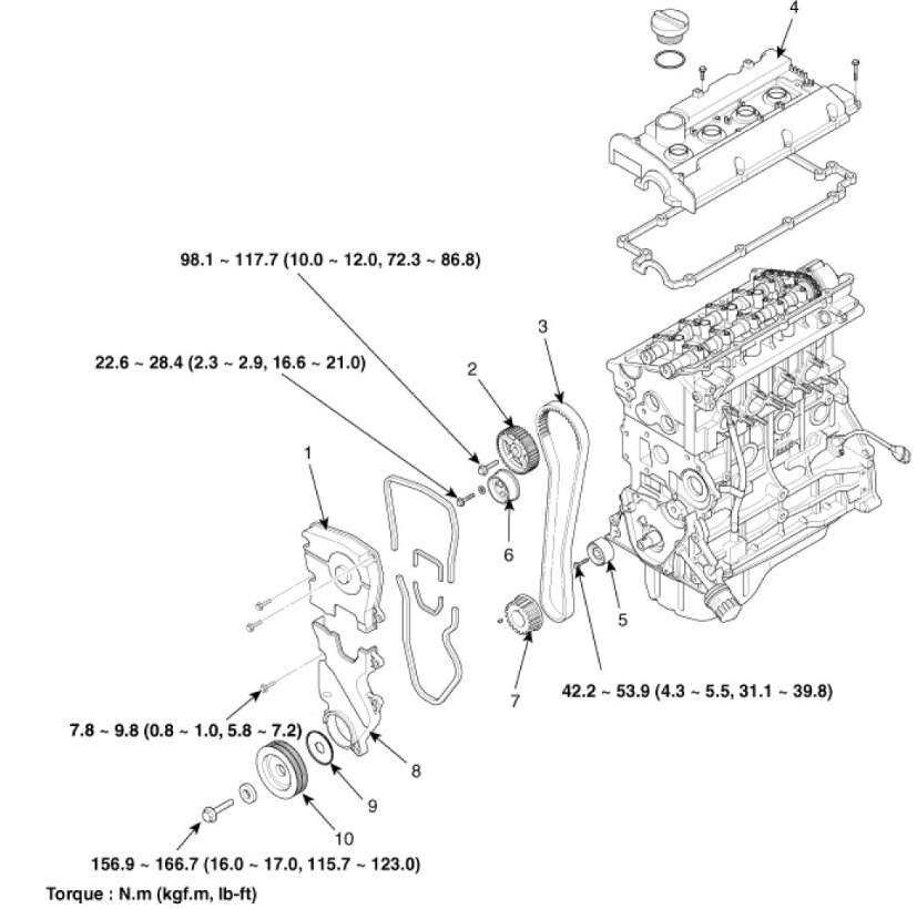
You will need to use a floor jack under the engine which will help hold the engine in place while you remove the front engine mount and timing cover, also the engine will need to be put on TDC before removing the timing belt. Use a block of wood to help not damage the engine oil pan. Use an impact wrench to help remove the harmonic balancer bolt. I included the timing belt marks as well. You should replace the tensioner pulley also. Check out the images (below). Let us know if you need anything else.
Was this
answer
helpful?
Yes
No
Saturday, August 10th, 2024 AT 11:13 AM
Tiny
TAINA
  • MEMBER
  • 12 POSTS
Thank you.
Was this
answer
helpful?
Yes
No
Sunday, August 11th, 2024 AT 9:59 AM
Tiny
KEN L
  • MASTER CERTIFIED MECHANIC
  • 55,499 POSTS
You are welcome, please use 2CarPros anytime we are here to help.
Was this
answer
helpful?
Yes
No
+1
Sunday, August 11th, 2024 AT 10:00 AM

Please login or register to post a reply.