Sunday, May 26th, 2019 AT 7:27 PM
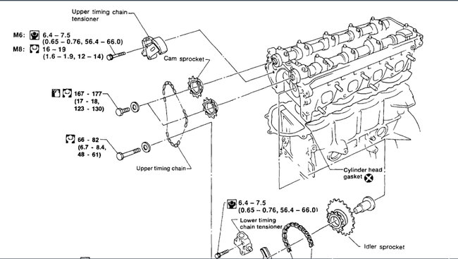
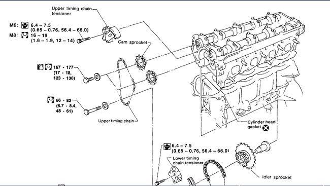
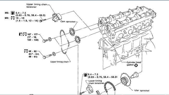
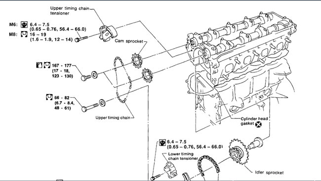
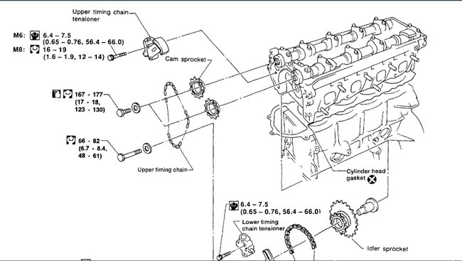
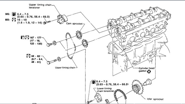
Putting back together a project that someone else had started, replacing the timing (belt? Chain?), And don't know how to set the timing. Also do not know which position the cams need to sit at? Like 12 O'clock etc?














