Saturday, November 11th, 2023 AT 1:09 PM
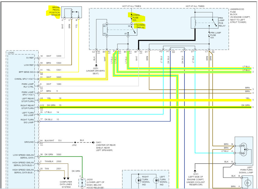
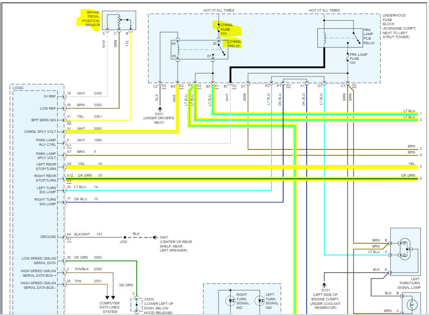
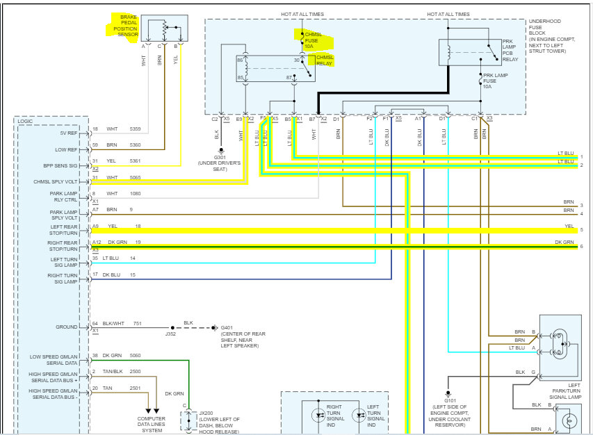
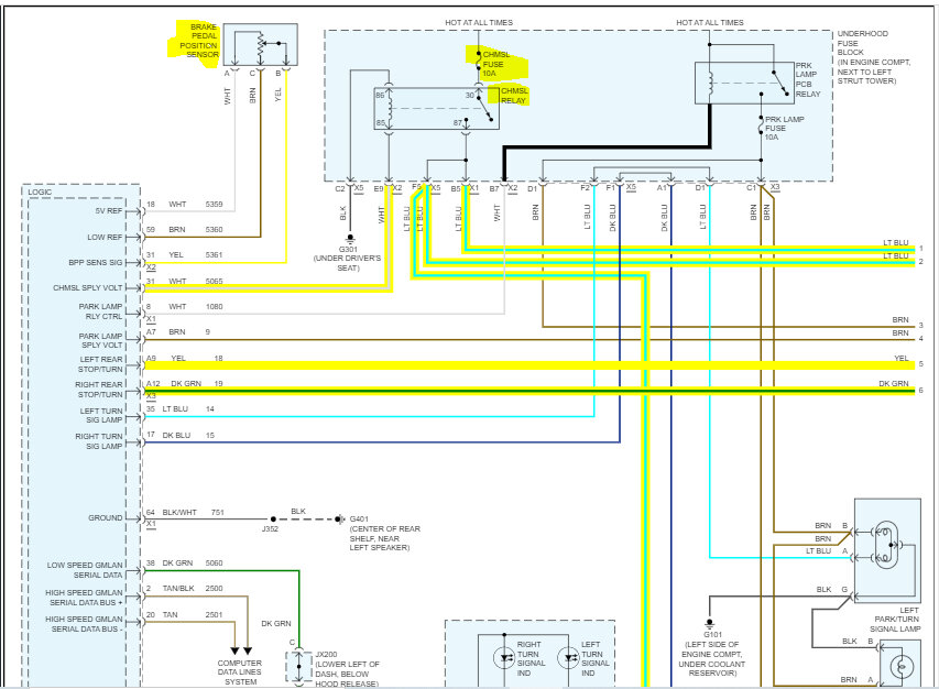
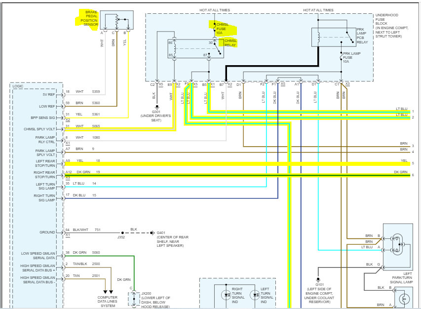
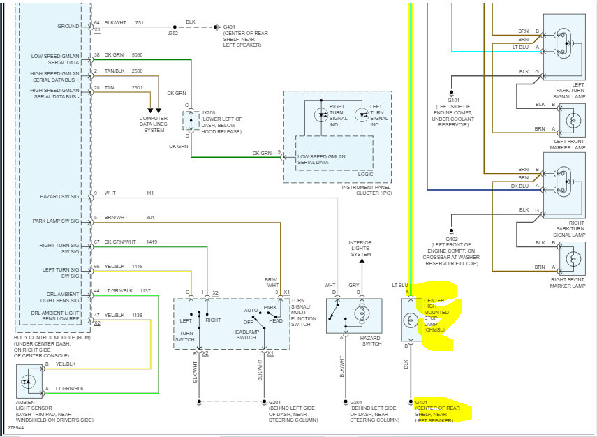
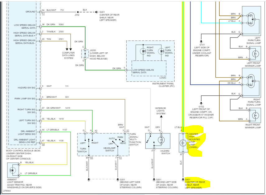
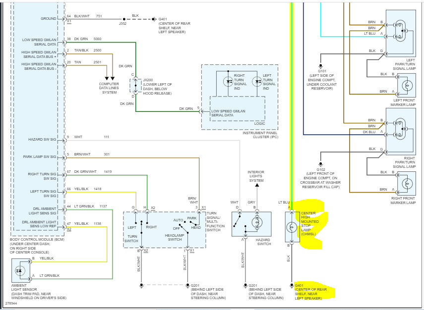
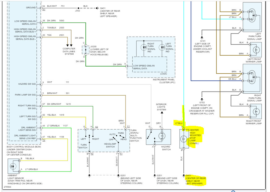
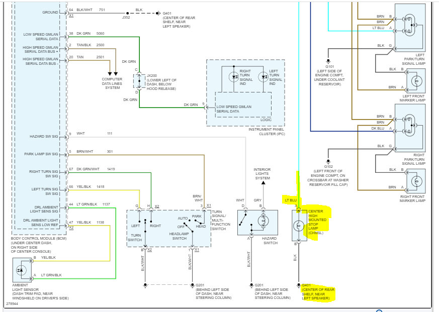
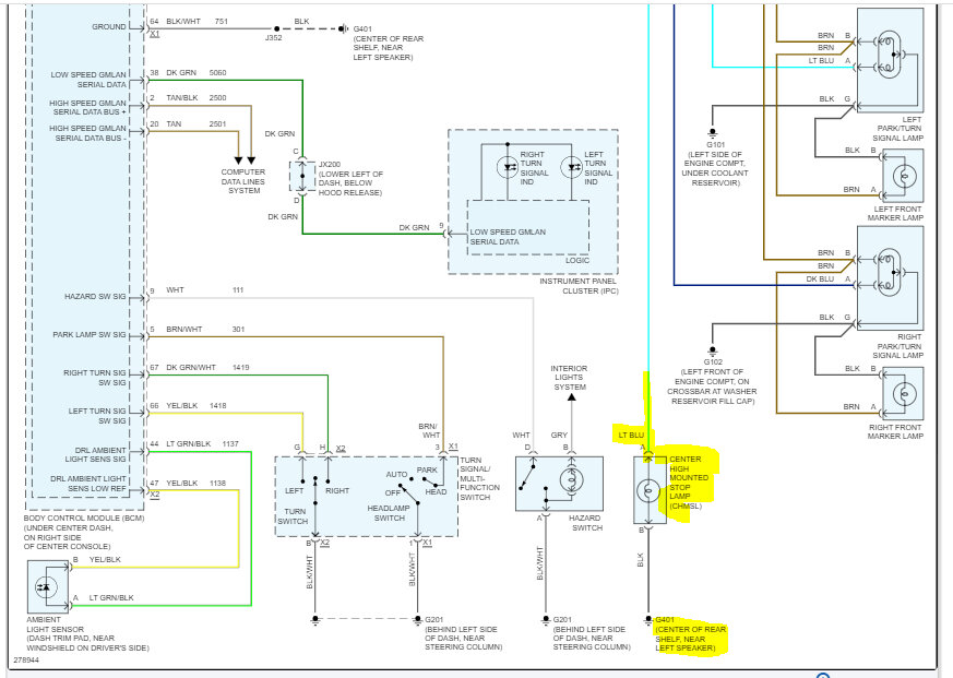
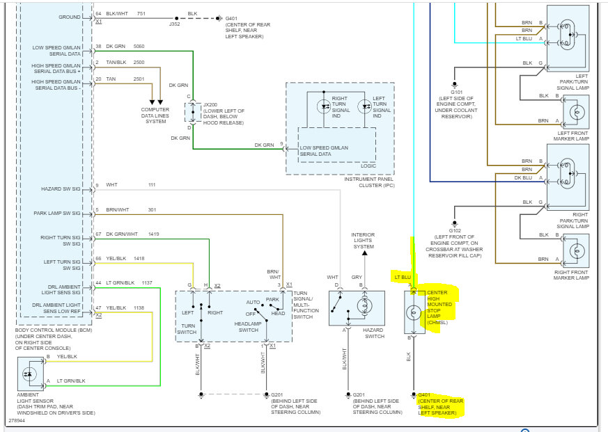
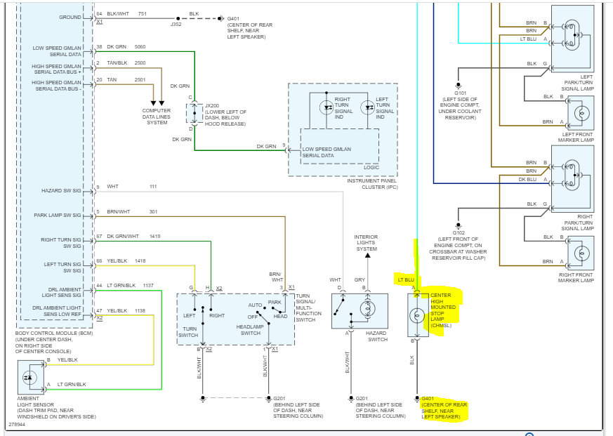
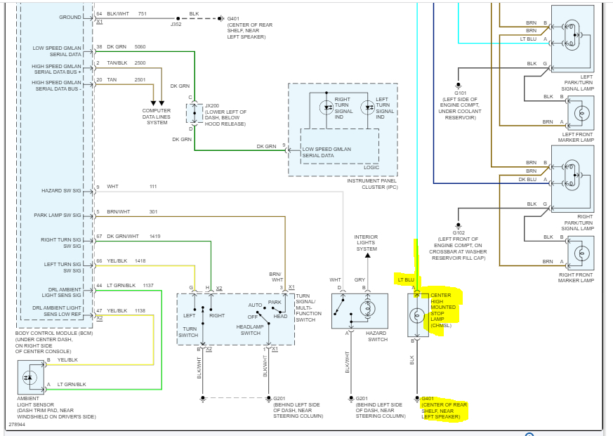
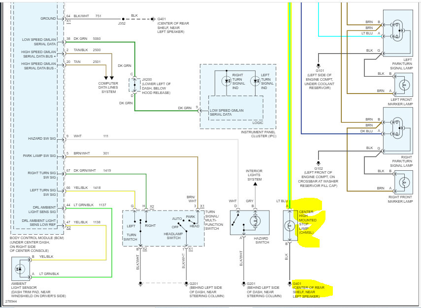
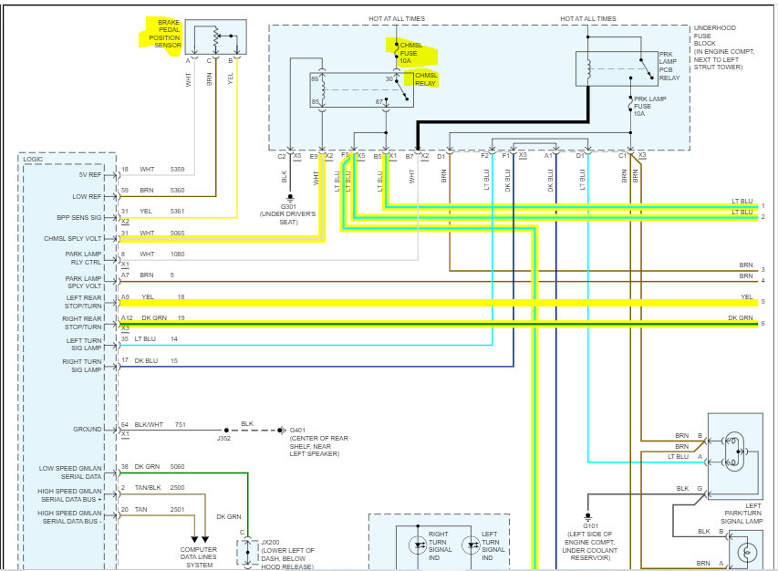
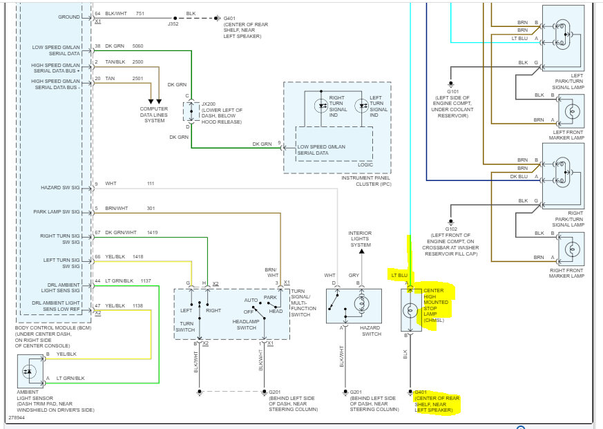
I replaced the bulbs and the fuse on the inside passenger center console. Friend of mine tested the bracket that holds the three bulbs, and they came on but won’t when I put everything back on. Didn’t know if there’s more than one fuse? I believe he told me he can see a very dim light for the third light didn’t have an issue before. I know when I checked if all light bulbs were working so I don’t get a ticket at night. I found inside the bracket that holds the bulbs was rust that had turned into clay like material since water had gotten in the little crevasses. I scrapped as much as I could out with dental scraper and then quick drying electrical cleaner to flush the rest out. I will take another look but if the lights came on when my buddy was able to make a connector with a 9volt battery for the lights to come on...









