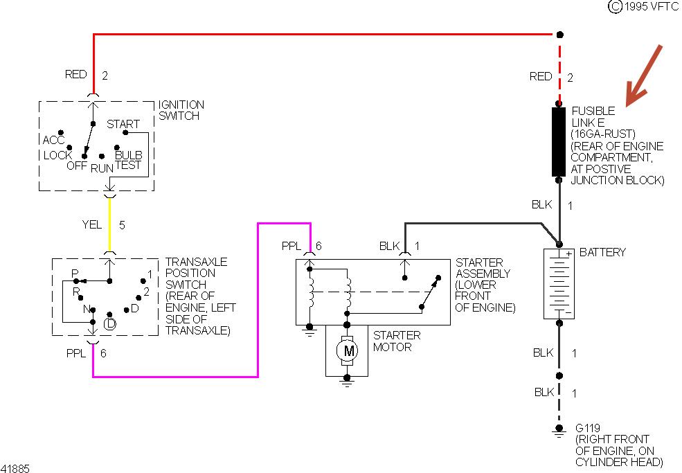
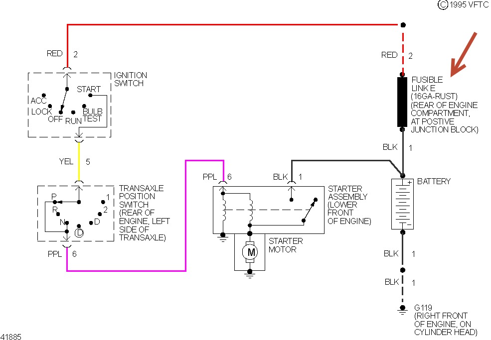
Monday, October 21st, 2013 AT 10:54 AM
I went to start car wouldn't turn over, tried to jump it still nothing, not even a clicking starter I am disabled and cant do a lot but hope this is something I can bypass until I can afford to get a new one


