Wednesday, November 2nd, 2016 AT 5:15 PM
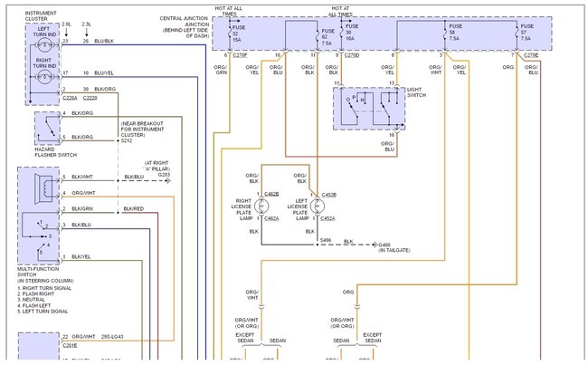
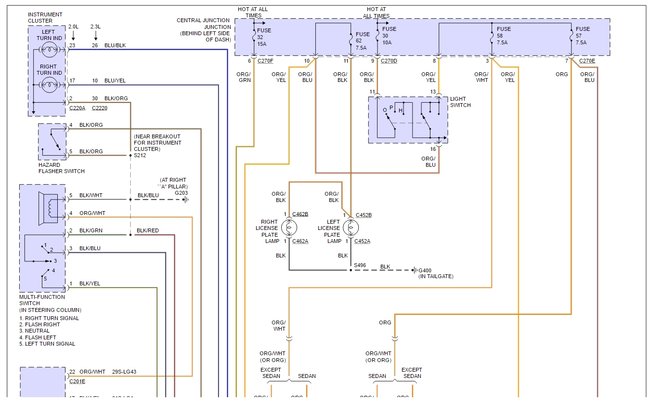
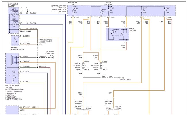
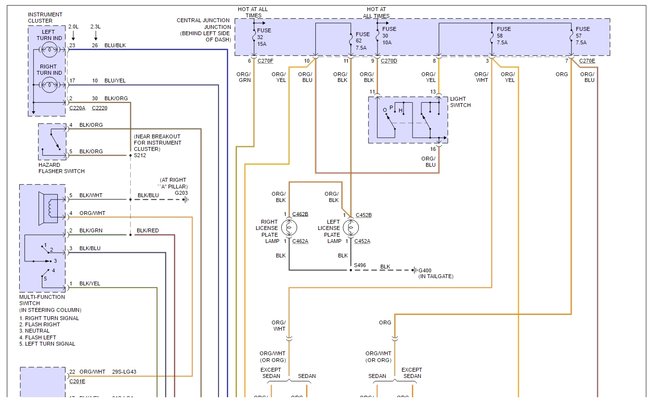
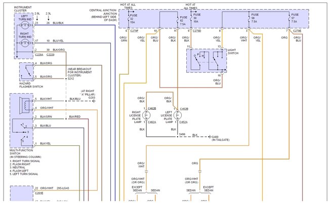
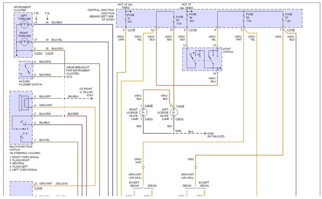
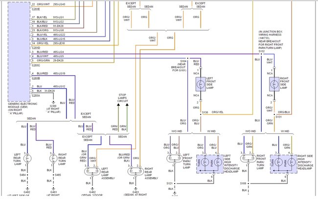
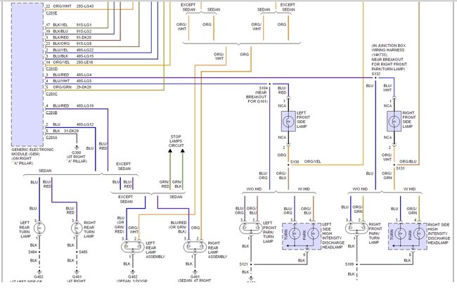
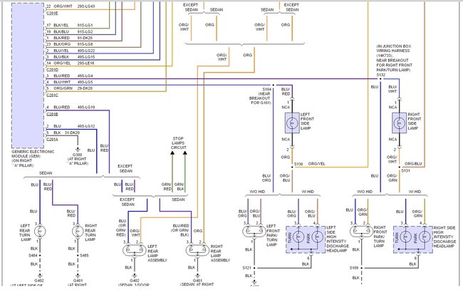
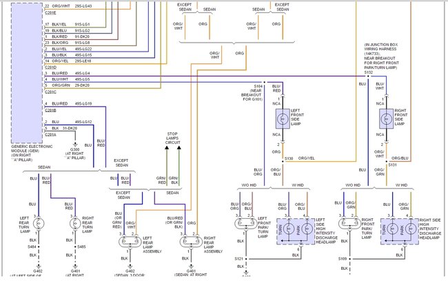
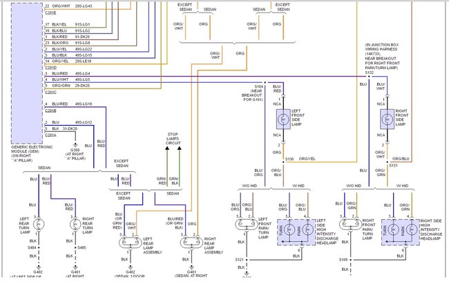
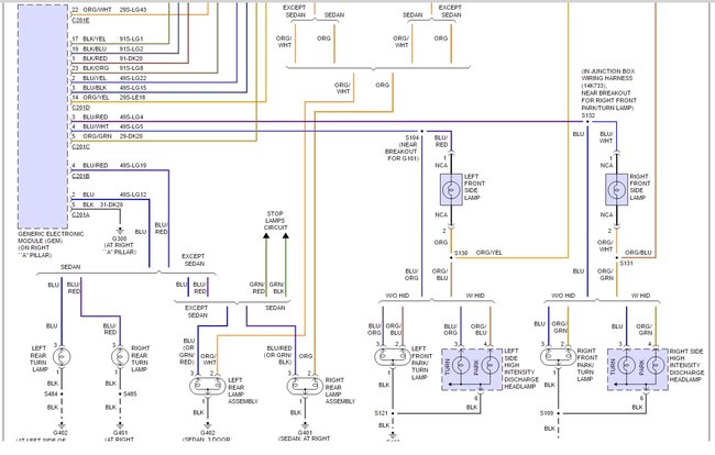
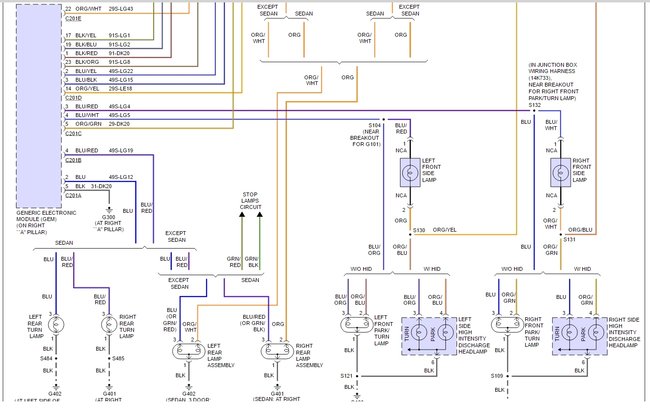
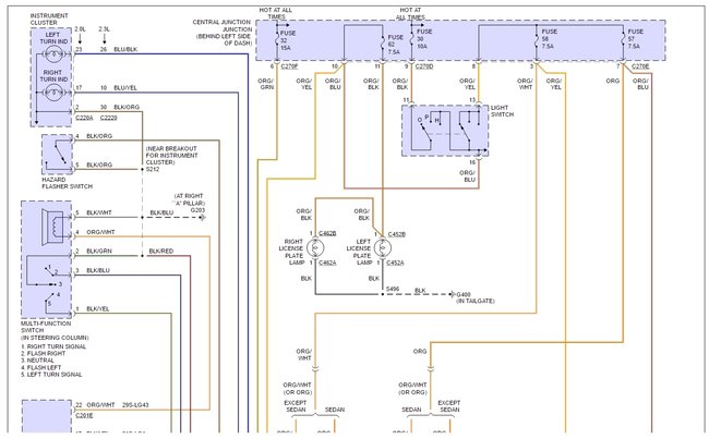
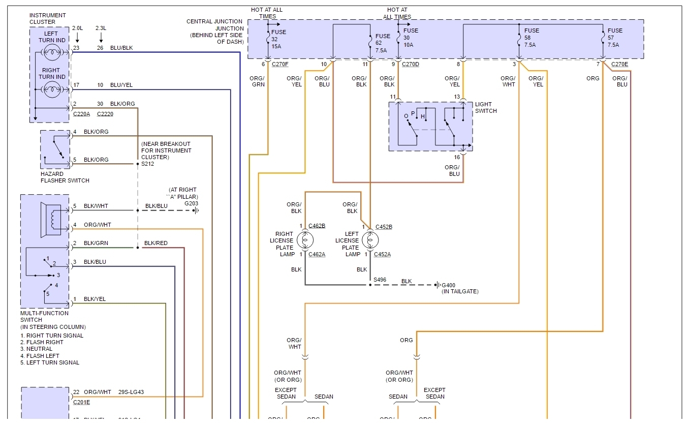
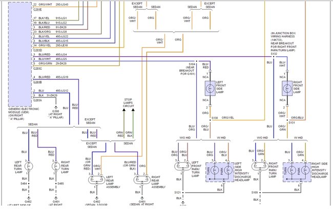
No tail lights, no license plate light, no reverse lights. It has blinkers, stop lights, and hazard. The same bulb is for turn signals, brake and tail lights. Tested all fuses all good, does any one know how to test head light switch? This thing like happened over night that would be logical to test switch right? Would that be something that would effect the certain lights. I do not understand it the brake, turn and tail lights are from one bulb. Why? Wouldn't the tail lights work?



