Tapping on top of engine

Tiny
MIKEG900
  • MEMBER
  • 1999 OLDSMOBILE ALERO
  • 2.4L
  • 4 CYL
  • 2WD
  • AUTOMATIC
  • 120,000 MILES
Timing chain broke, replaced chain guides and sprockets. Now I'm getting a clicking noise and a tapping noise on top of motor. Please help. Don't want to tear it down again.
Tuesday, December 10th, 2019 AT 7:33 PM

11 Replies

Tiny
SCGRANTURISMO
  • MECHANIC
  • 4,897 POSTS
Hello,

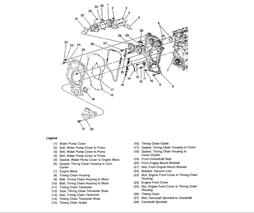
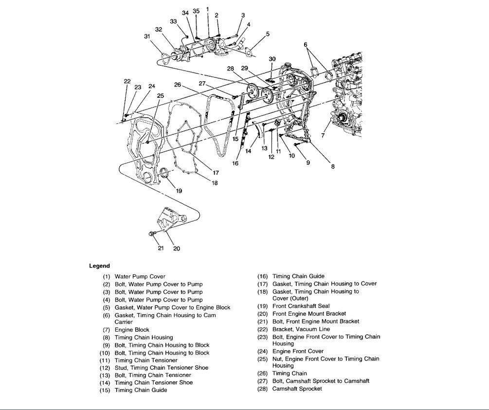
The tapping noise that you are hearing could be from a collapsed lifter. Hydraulic lifters are pumped up with engine oil. In the diagrams down below I have included exploded diagrams with call outs for each section of your vehicle's engine along with a valve train diagnostic guide from the vehicle manufacturer for your vehicle. Please go through these guides and get back to us with what you find out. We can go from there.

Thanks,
Alex
2CarPros
Was this
answer
helpful?
Yes
No
Tuesday, December 10th, 2019 AT 9:24 PM
Tiny
MIKEG900
  • MEMBER
  • 6 POSTS
In relation to the noise when it idles down. It almost gets totally quiet but when I press the gas it started knocking and ticking how can I check oil pressure in top where do I attach gauge I changed out the oil pressure regulator with no help I don't want to tear it down if other things I could check thank you for all answers need to get fixed help.
Was this
answer
helpful?
Yes
No
Tuesday, December 10th, 2019 AT 11:12 PM
Tiny
SCGRANTURISMO
  • MECHANIC
  • 4,897 POSTS
Hello again,

I have included the information that you requested in the diagrams down below. Please go through this guide and get back to us with what you find out, and we can go from there.

Thanks,
Alex
2CarPros
Was this
answer
helpful?
Yes
No
+1
Wednesday, December 11th, 2019 AT 12:29 AM
Tiny
MIKEG900
  • MEMBER
  • 6 POSTS
Okay, thanks for info. I checked oil pressure at idle it was 58 psi isn't that a little low? I'm still debating tearing it down so all feedback I get us helpful.
Was this
answer
helpful?
Yes
No
Wednesday, December 11th, 2019 AT 7:57 PM
Tiny
SCGRANTURISMO
  • MECHANIC
  • 4,897 POSTS
Hello,

Actually, that sounds good tome. In the diagrams down below I have included the oil pressure specs for your vehicle. Please go through them and get back to us with how everything turns out.

Thanks,
Alex
2CarPros
Was this
answer
helpful?
Yes
No
Wednesday, December 11th, 2019 AT 8:13 PM
Tiny
MIKEG900
  • MEMBER
  • 6 POSTS
No got another probably silly question. When we took off the cam the valve tappets came out. Cleaned them up but didn't get back in n original have so that could be a problem. I have got a used head should I go ahead and tear it down and put different head on and buy new tappets and maybe solve knock problem?
Was this
answer
helpful?
Yes
No
Friday, December 13th, 2019 AT 2:25 PM
Tiny
SCGRANTURISMO
  • MECHANIC
  • 4,897 POSTS
Hello again,

What exactly are you doing? If you you are swapping the cylinder head, you should do it as an entire assembly, camshaft[s]and valve train components still installed. If you are changing the camshaft[s] you should move all of the valve train components with it because they are all worn in together, however if the valves themselves are to be replaced they will need to be lapped in to the new cylinder head or they will not seat properly. Please get back to us with what your intentions are and we can advise from there.

Thanks,
Alex
2CarPros
Was this
answer
helpful?
Yes
No
Friday, December 13th, 2019 AT 3:48 PM
Tiny
MIKEG900
  • MEMBER
  • 6 POSTS
Okay, I'm sorry didst tell you I'm am looking at my options motor is still together. But it still has a knock don't know if its valve train or what. I have a head got from junk yard was thinking on tear down replace head and valve tappets hoping to quiet down the knock. Originally was driving over mountain pass when car suddenly shut off. Had it towed
troubleshoot it and found chain had broke so I replaced chain and guides and sprockets. Put back together and it now had a ticking noise which found was in chain. So fixed that and then started to get knock. So I thought oil pressure problem had 58 psi on top. Still knocking but it started nice idles good but makes that darn knock. So I'm asking at this point where should I go with it? I'm sorry about the long story but we can get on the same page. Thanks for all information I received.
Was this
answer
helpful?
Yes
No
Saturday, December 14th, 2019 AT 11:15 AM
Tiny
SCGRANTURISMO
  • MECHANIC
  • 4,897 POSTS
Hello again,

Okay, let's determine if it is a valve train tick or a lower end knock. If you could get a long screwdriver or stick or something like that and put it up to the engine where you want to hear at and listen on the other end with your vehicle running, you will be able to hear exactly what the engine is doing, just like a stethoscope that a doctor would use. Please listen on the top half and then the bottom half of the engine and determine where the noise is coming from and get back to us with what you find out. We can go from there.

Thanks,
Alex
2CarPros
Was this
answer
helpful?
Yes
No
Saturday, December 14th, 2019 AT 12:52 PM
Tiny
MIKEG900
  • MEMBER
  • 6 POSTS
Okay, I got a stethoscope from hf put it on top it sounds like it coming three tappets put on end of motor chain is not slapping. But I can hear the cam to tappets and valves but it has a noisy one on intake and one on exhaust no if I bent a valve it wouldn't run smooth either right so what should I do?
Was this
answer
helpful?
Yes
No
Saturday, December 14th, 2019 AT 6:50 PM
Tiny
SCGRANTURISMO
  • MECHANIC
  • 4,897 POSTS
Hello again,

The tappets are usually raised by hydraulic lifters, which depend on oil to pump them up. If there is no oil or debris in the the oil then the hydraulic lifters can get plugged and fail. This could cause this condition. Also there is the possibility that those tappets might have gotten bent when the timing chain broke. The good news is that they should be easy to get to and inspect. In the diagrams down below I have included the instructions for both the removal and installation of both the intake and exhaust lash adjusters for your vehicle from the vehicle manufacturer. Please go through these guides and get back to us with what you are able to find out.

Thanks,
Alex
2CarPros
Was this
answer
helpful?
Yes
No
Sunday, December 15th, 2019 AT 1:34 AM

Please login or register to post a reply.