Thursday, June 1st, 2017 AT 2:55 PM
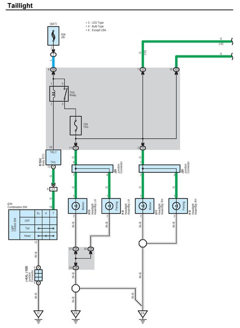
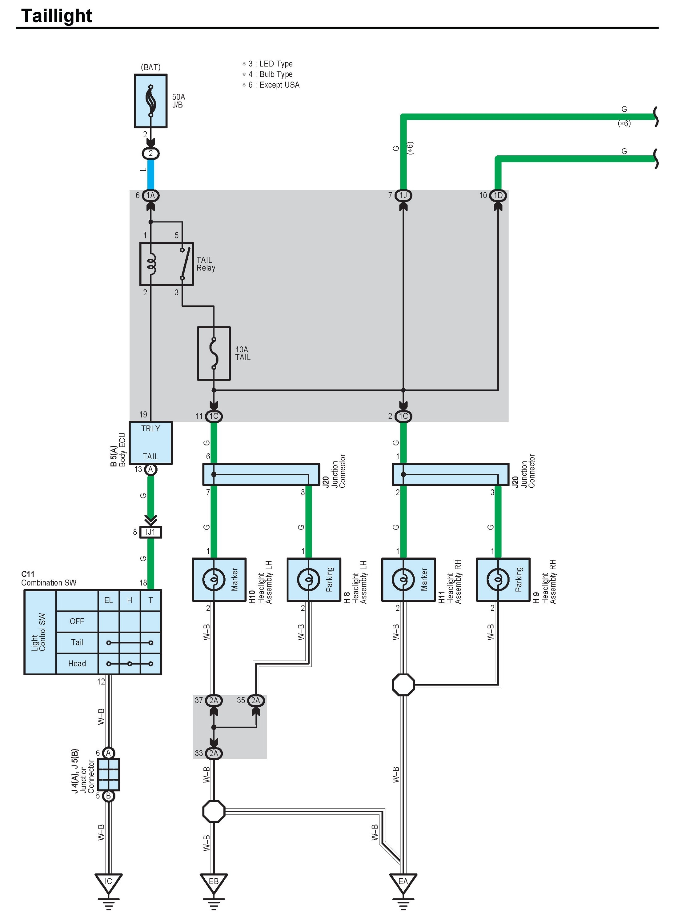
My parking/tail lights, and the license plate lights are not working. I have change fuses. Have a tail light relay to install, but there is no location on the fuse diagram.

