Sunroof not working at all

Tiny
LINDSAY MAHAR STERBANK
  • MEMBER
  • 2017 FORD EXPLORER
  • 4WD
  • AUTOMATIC
  • 22,000 MILES
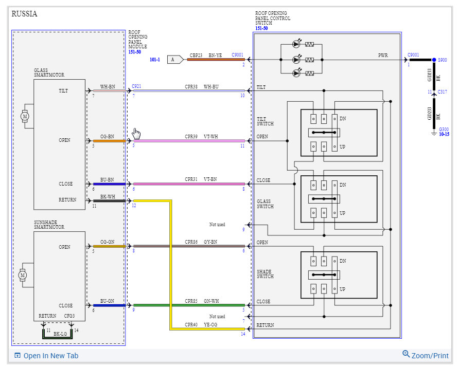
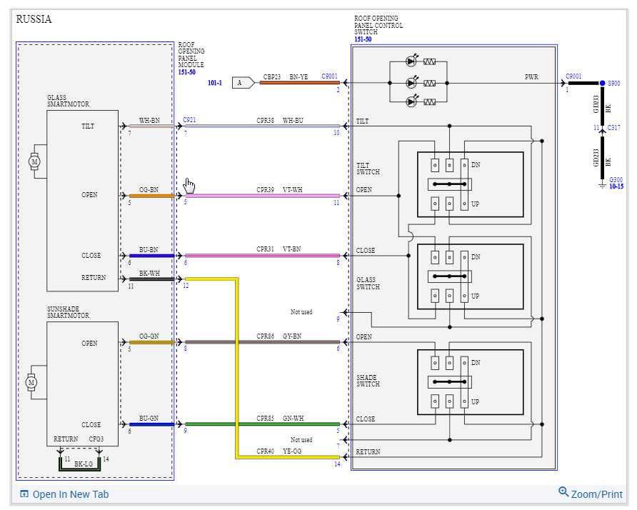
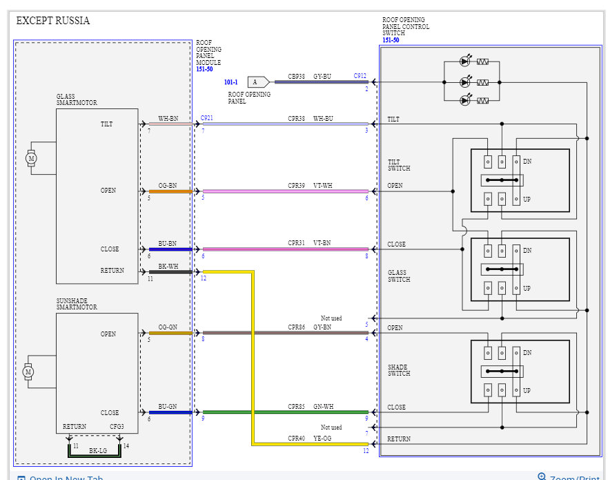
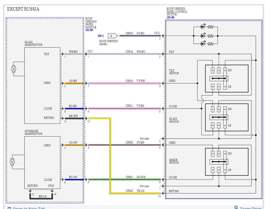
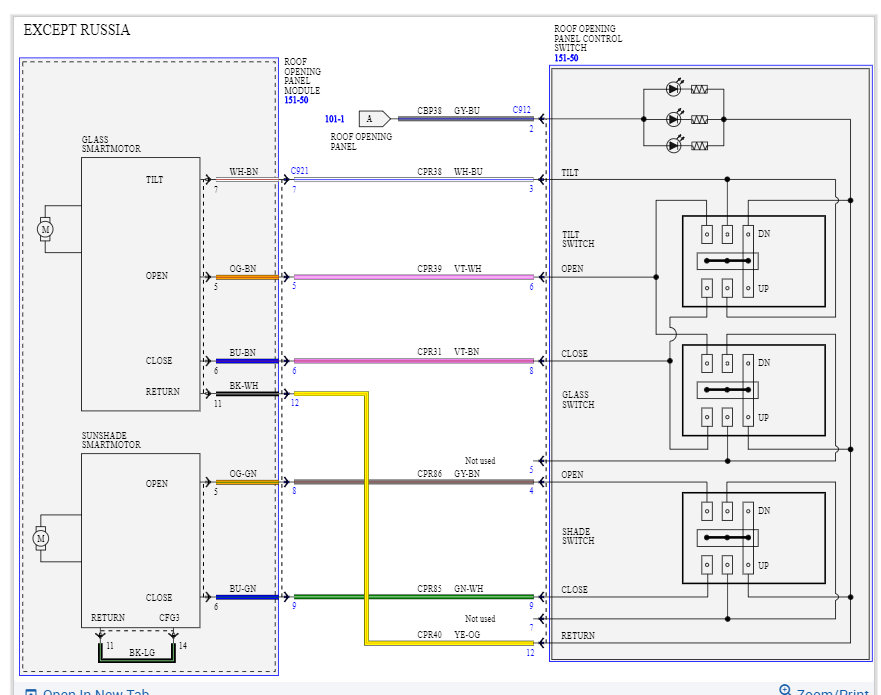
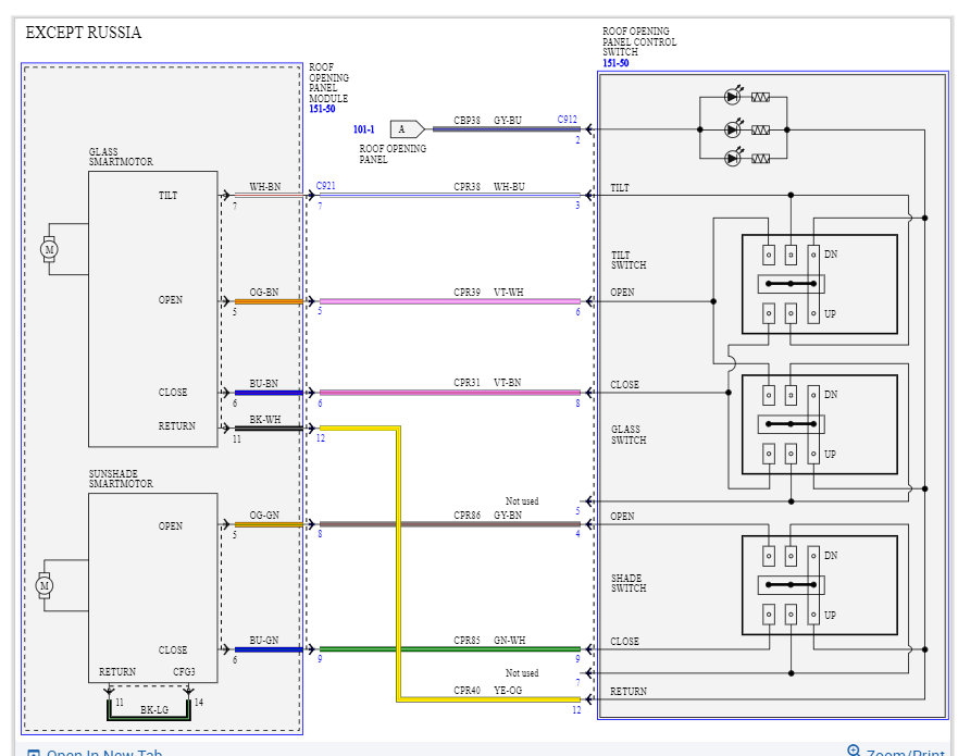
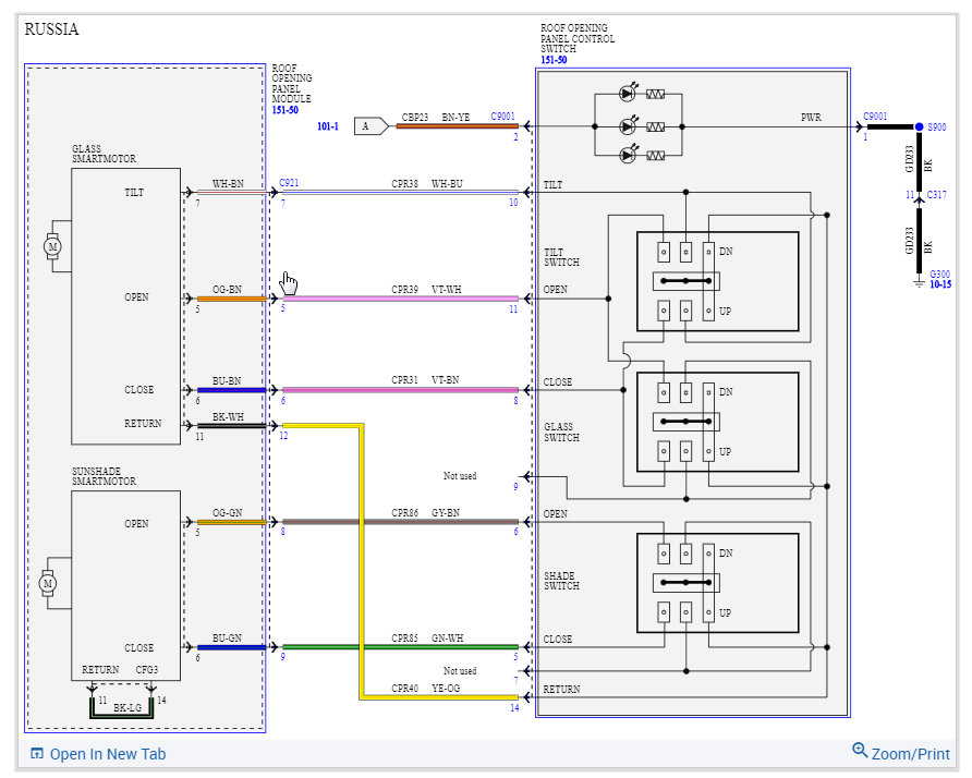
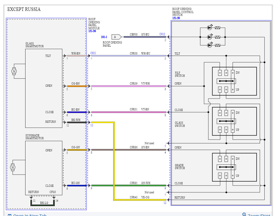
The motor has been replaced 4 times and that is not the issue. The dealership tried to replace the wiring and it still doesn't work. Ford has had my car for 6 weeks and cannot come up with a solution. Very frustrating.
Tuesday, November 12th, 2019 AT 6:41 AM

1 Reply

Tiny
KASEKENNY
  • MECHANIC
  • 18,907 POSTS
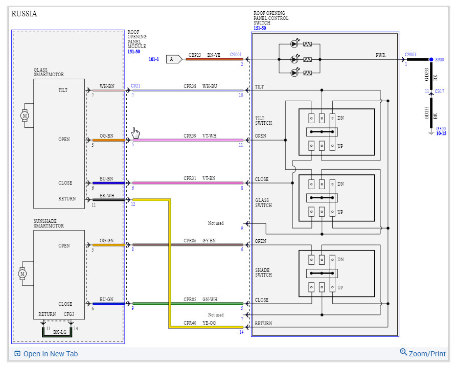
I am going to assume that they tested voltage from the switch as shown in the diagram to the module/motor but clearly to replace the motor that many times we would assume that they are getting voltage to it. Then we can assume that the wiring that they replaced was from the switch to motor but again, why do wiring if they are getting voltage?

I am not sure they will give you all these answers because they are the ones working on it and Ford is the one paying for it so you just along for the ride but it may not hurt in asking to speak with the tech to see what he says.

I would also suggest putting a call into the OEM directly if you have not already done that. Since I work for a competitive OEM, I am fully aware how they operate and Ford may or may not even know your vehicle has an issue. It all depends on the steps the dealership has taken to notify them. At the very least they should have a technical "help desk" case open with the OEMs assistance center. This would be another good question to ask.

If you do speak with the tech, take notes and let me know a few more details about what they have done and I will see if we can come up with a "suggestion" you can make to help things along.

Thanks
Was this
answer
helpful?
Yes
No
Tuesday, November 12th, 2019 AT 4:48 PM

Please login or register to post a reply.