Saturday, June 13th, 2020 AT 12:08 PM
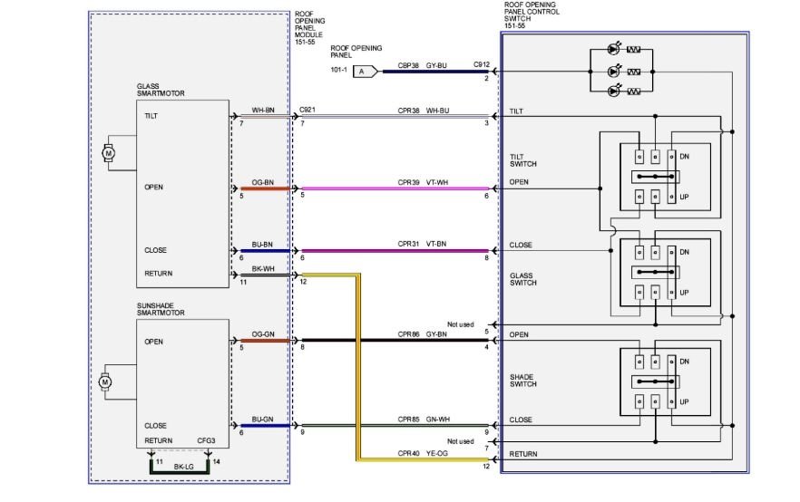
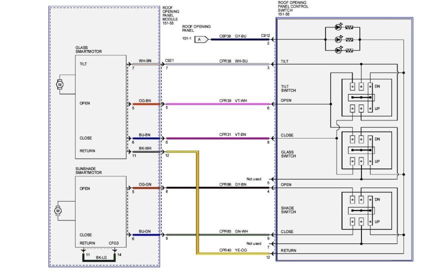
I followed all of the instruction to diagnose a failed sunroof and ultimately replaced the motor. I then followed the steps to re-initialize it which appeared to work as described, however the initialization does not seem to stick! After what seems like successful initialization the tilt feature will only open a small amount to the vent position. During initialization procedure it opens the full amount. Any idea what could be wrong?



