I have attached the information on the rear strut. Yes it is under the back seat. When you remove it, it will come out as an assemble. CAUTION, you must have the spring compressed with spring compressors before taking off the nut or there will be an injury!
If you have never accomplished something like this before make sure you talk to someone or watch it accomplished to prevent anyone from getting injured. The springs are under a lot of compression.
Hope this helps
CONVENTIONAL SUSPENSION

Refer to Fig. 7 when performing the following procedure.
Remove rear seat cushion and back rest.
Raise and support vehicle.
Remove rear wheels.
Disconnect brake hose from brake caliper.
On models equipped with disc brakes , remove union bolt from brake calliper.
On models equipped with drum brakes , disconnect brake hose from brake pipe strut, then disconnect brake hose from drum brake.
Remove lower and upper strut mount retaining bolts, then the strut assembly.
Mount strut assembly in a suitable spring compressor. Ensure projections on compressor are seated on inner diameter of spring.
Compress spring until tension is relieved from spring seats.
Remove strut rod self-locking nut using a suitable socket wrench and strut mount socket tool No. 927760000, or equivalent.
Remove upper strut mount, upper spring seat and rubber seat from strut.
Slowly release spring tension, then remove coil spring, dust cover and helper from strut body.
Reverse procedure to install, noting the following:
Mount coil spring with flat face toward lower spring seat.
Use caution not to scratch piston rod.
Install strut rod with new locking nut.
Refer to Fig. 7 for tightening specifications.
Bleed brake hydraulic system.
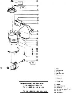
PNEUMATIC SUSPENSION

Refer to Fig. 14 when performing the following procedure.
Disconnect battery ground cable.
Raise and support vehicle. Ensure rear suspension is unloaded.
Remove rear wheels.
Disconnect brake hose from caliper.
Remove upper rear quarter trim panel stereo cover.

Disconnect air line from rear suspension solenoid valve using air pipe remover tool as shown in Fig. 15 .
Remove rear suspension solenoid valve.
Withdraw height sensor harness from access hole in body, then disconnect electrical connector.
Remove strut mount retaining bolts and the strut assembly.
Reverse procedure to install noting the following:
Use new O-rings when connecting air lines.
Ensure air lines and wiring harnesses are properly aligned.
Refer to Fig. 14 for tightening specifications.
Bleed brake hydraulic system.
Sunday, October 26th, 2008 AT 11:11 PM