Sub amp power big 3

Tiny
XAVIER_COX
  • MEMBER
  • 2006 DODGE CHARGER
  • 3.5L
  • V6
  • 2WD
  • 130,000 MILES
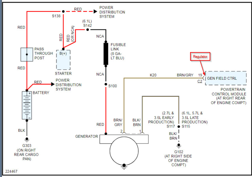
Looking to do the big three. Connecting the alternator to the battery positive. I'm kind of worried because I'm pretty sure the voltage regulator is in the PCM and not the alternator.
Friday, November 20th, 2020 AT 5:18 PM

6 Replies

Tiny
KASEKENNY
  • MECHANIC
  • 18,907 POSTS
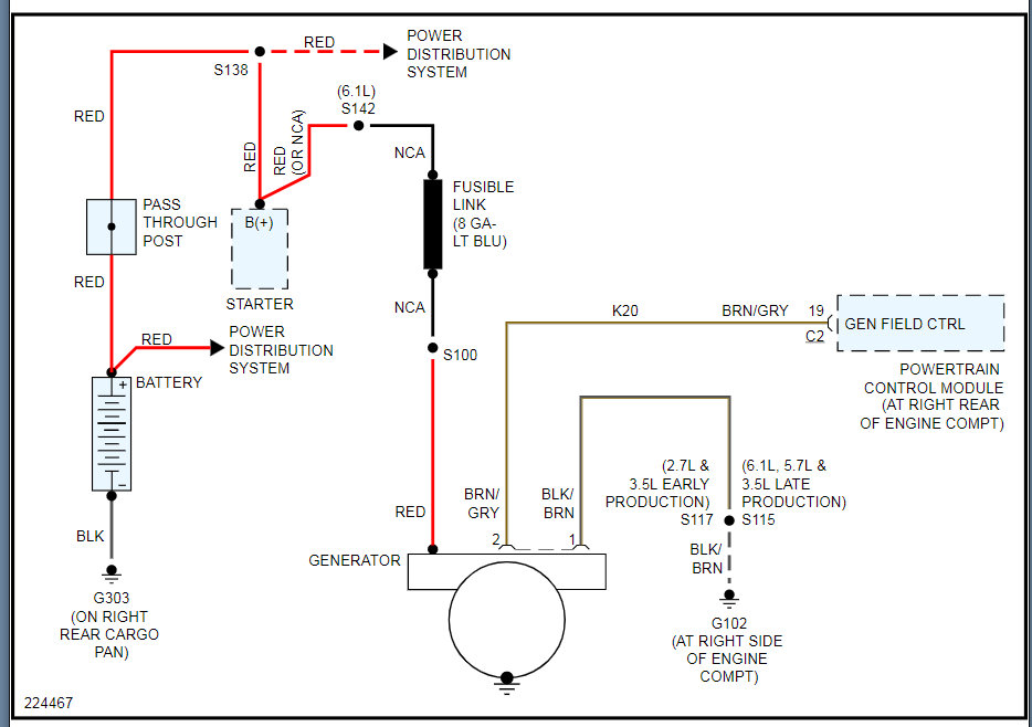
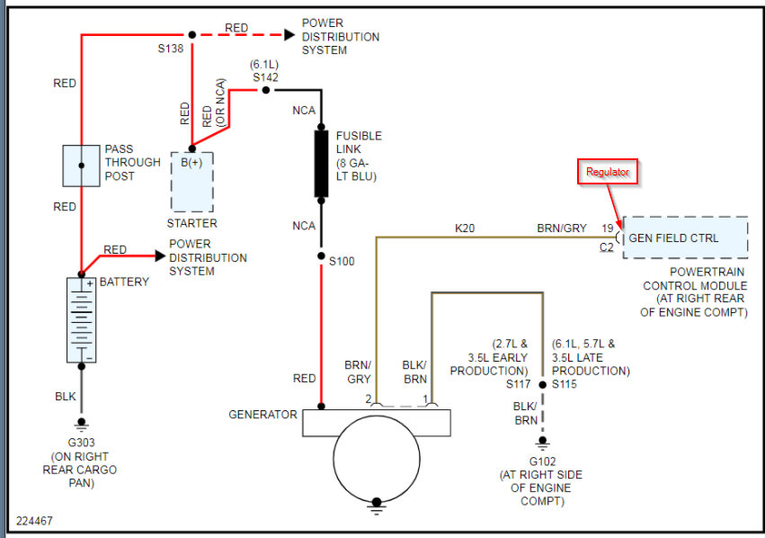
Sorry, but I am not sure I understand what you are trying to do. What do you mean the big three? Three large subwoofers? If so, you need to run a feed directly from the battery for them with its own fuse. I would not tap into the charging circuit. You are correct that the PCM controls the alternator but you have a fusible link between the battery and alternator that will fail if you put more loads on this circuit.

Again, you need to run a separate power wire from the battery with its own fuse so that if there is an issue it will pop that fuse and not effect other components.

Let me know if I am misunderstanding. Thanks
Was this
answer
helpful?
Yes
No
Friday, November 20th, 2020 AT 5:59 PM
Tiny
XAVIER_COX
  • MEMBER
  • 34 POSTS
Big three is running new ground from engine to frame. Negative battery to frame. And alternator to battery positive. This is to increase current flow done usually with high watt amps.
I've upgraded amps and now doesn't seem to be enough power to supply the amp, my LED headlights are dimming and all inside and dash lights dim when the bass hits.
Was this
answer
helpful?
Yes
No
Friday, November 20th, 2020 AT 6:49 PM
Tiny
XAVIER_COX
  • MEMBER
  • 34 POSTS
It's a very common thing for people to do. But now I'm not sure with newer cars with voltage regulator in the PCM. Would I fry the battery with to much voltage. My main issues in not enough amps are going to the back battery. My alternator is 160 amps and my sub amp need 120 at full volume. Sorry its not a mechanic question. Not sure if there is a big power wire that is after the voltage regulator I can tap in to and run a heavy gage wire directly to the battery/amp in the truck.
Was this
answer
helpful?
Yes
No
Saturday, November 21st, 2020 AT 7:59 AM
Tiny
KASEKENNY
  • MECHANIC
  • 18,907 POSTS
I have just never heard it called a big 3. Must be a common thing in the sound system realm. However, if you are pulling that many amps on just the sound system then I think you need to consider a capacitor or even a second battery to run just the audio system.

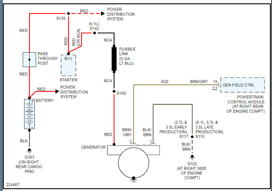
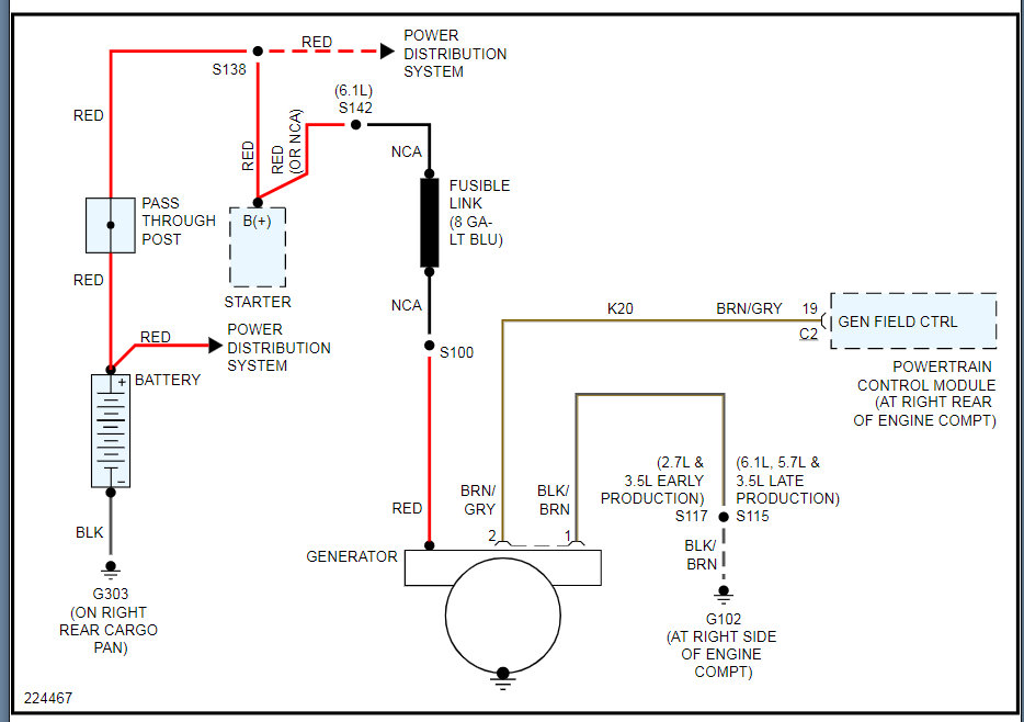
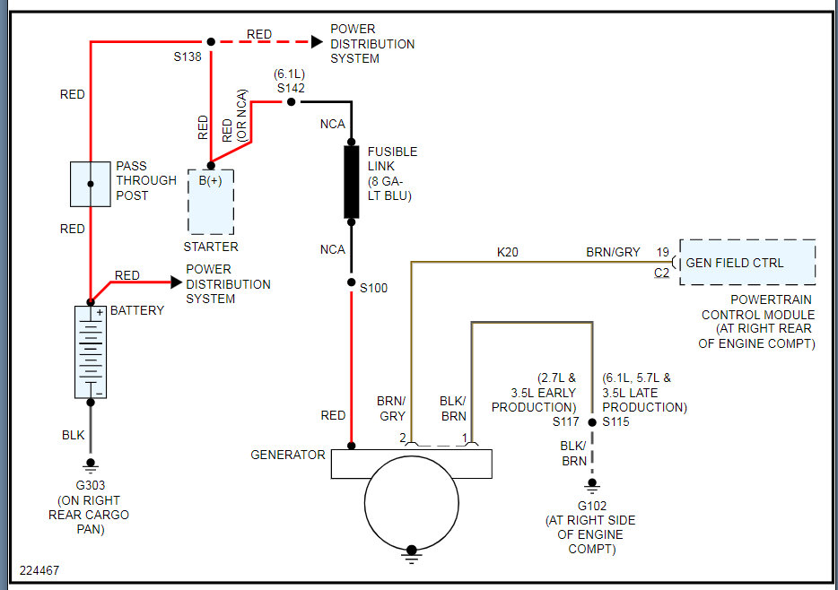
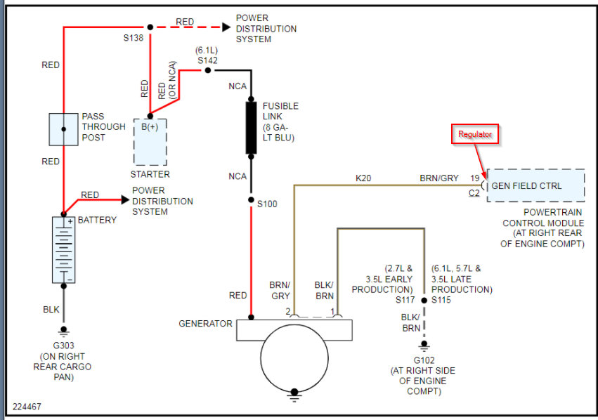
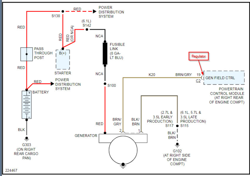
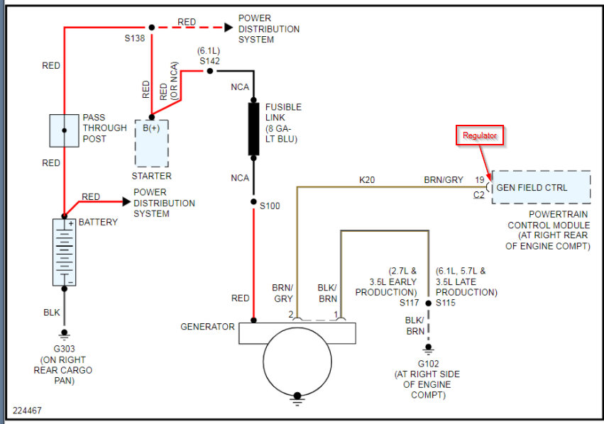
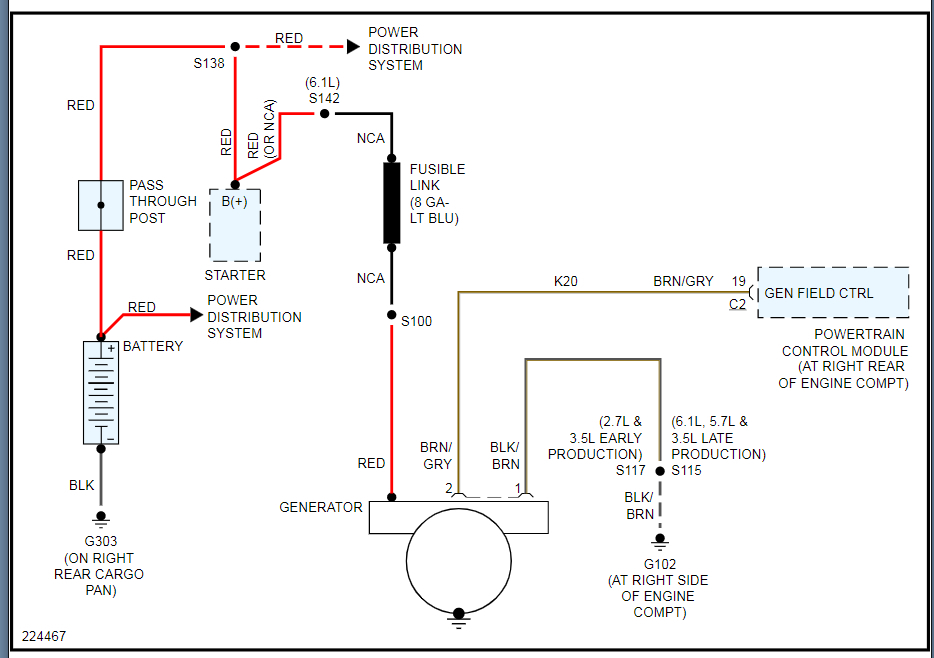
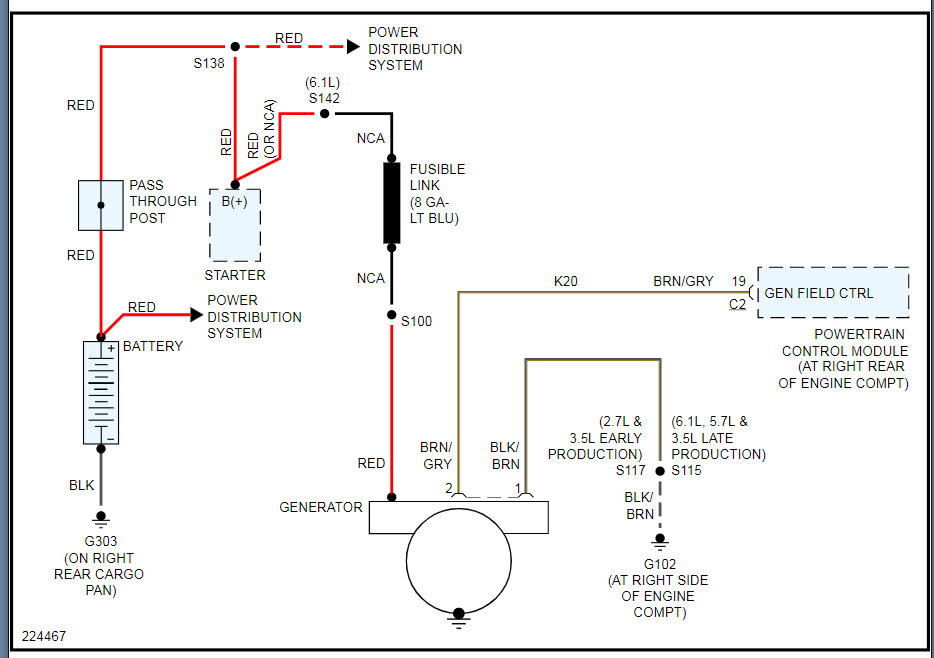
Your concern is valid with the ECM. You want to steer clear of the regulator circuit. You are going to want to stay on the battery side of the alternator because this vehicle will duty cycle the alternator meaning when more power is needed, it will increase the output of the alternator. This guide talks more about that.

https://www.2carpros.com/articles/how-to-check-a-car-alternator

So if just your sound system is using up to 120 amps then that doesn't leave enough for the remaining systems so I don't think the headlamps are going to stop dimming until you separate these systems or add a capacitor. The capacitor will store enough energy to handle the high demands and will not take it from the headlamps. Otherwise, I don't see a solution using just the vehicles systems. I guess the only thing would be to run a large gauge wire directly from the battery rather then just to tap into another wire for the regulator.
Was this
answer
helpful?
Yes
No
Sunday, November 22nd, 2020 AT 1:36 PM
Tiny
XAVIER_COX
  • MEMBER
  • 34 POSTS
Okay. Thank you for the information. So do you think it would be safe to connect the alternator to the battery with a heavy gage wire and fuse. Maybe 200amp fuse?

Sorry I was thinking that if I did that it would fry the battery with unregulated voltage and amp. But now looking it seem that it would be regulated.
Was this
answer
helpful?
Yes
No
Sunday, November 22nd, 2020 AT 4:33 PM
Tiny
DANNY L
  • MECHANIC
  • 5,648 POSTS
Hello, I'm Danny.

Just to add my 2 cents. I would just install a stereo capacitor. I've attached pictures below. You can use any brand you like because I just found this brand because it came with a picture and description. Hope this helps and thanks again for using 2CarPros.
Was this
answer
helpful?
Yes
No
Sunday, November 22nd, 2020 AT 9:18 PM

Please login or register to post a reply.