Saturday, September 21st, 2024 AT 9:02 AM
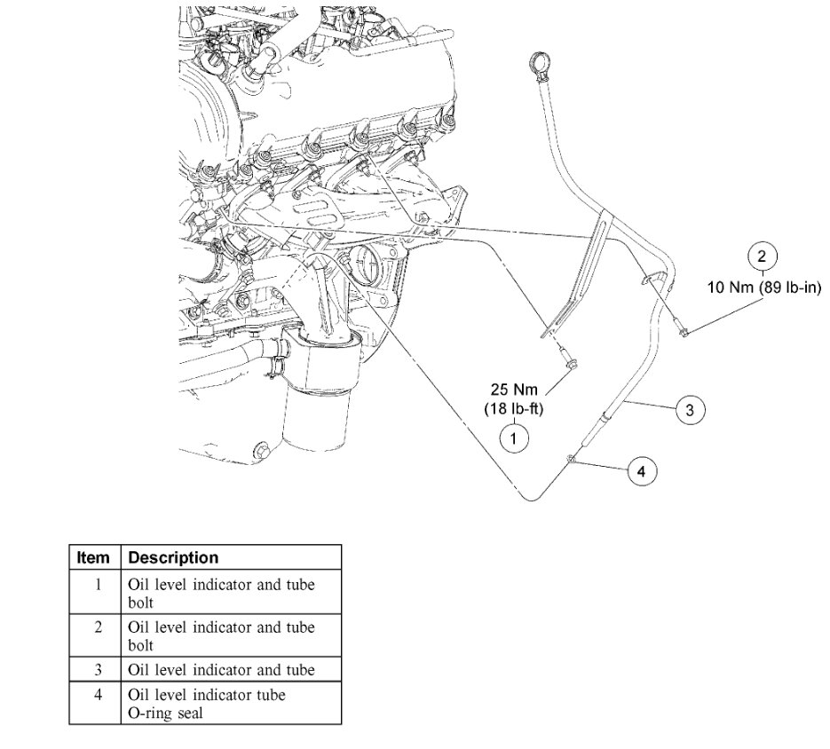
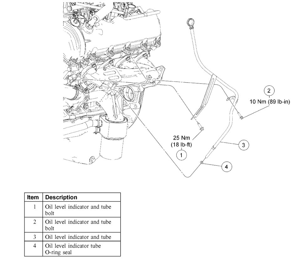
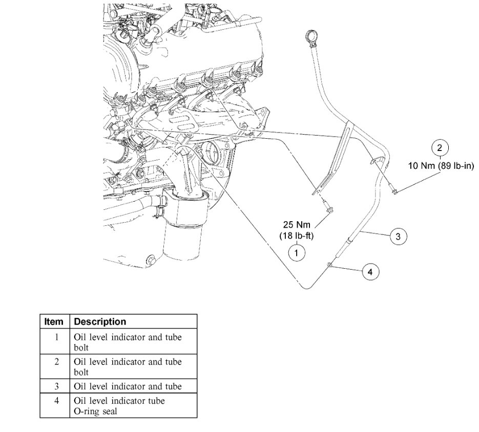
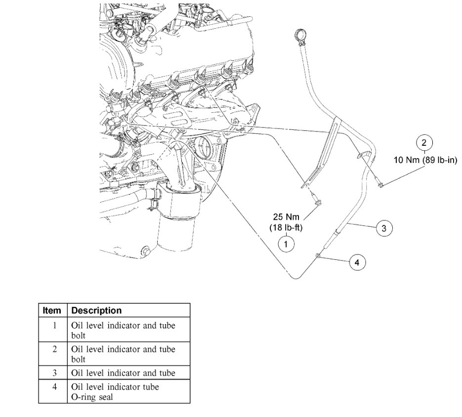
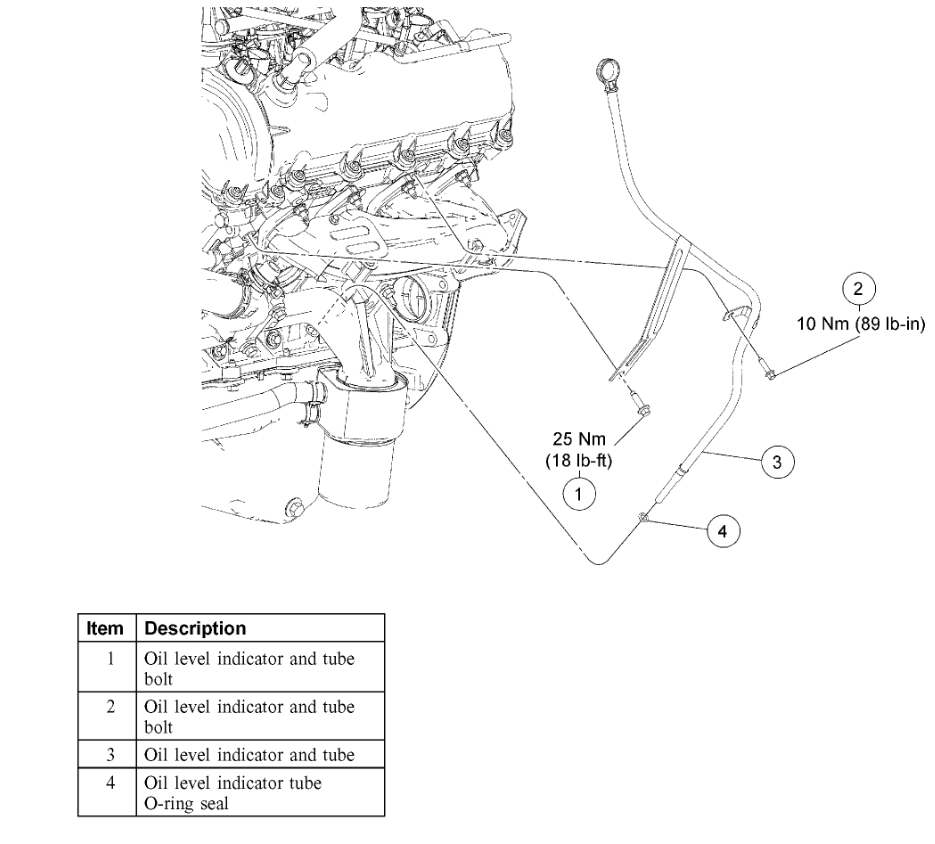
I changed my oil and filter yesterday and when I went to pull the dipstick to check oil level it was stuck in place I tried wiggling it around with no luck and then was going to try and use a screwdriver in the loop to pry it out and broke the yellow plastic loop. How do I get the dipstick unstuck and removed so I can replace it with a new one?



