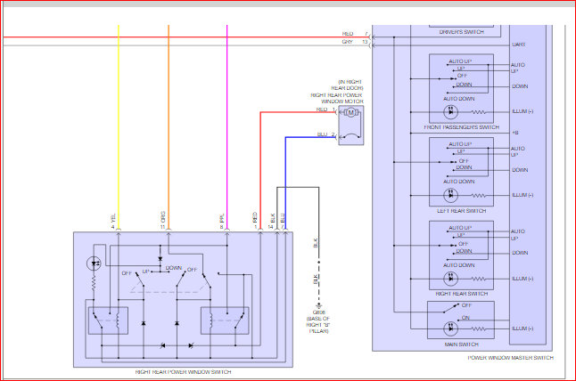
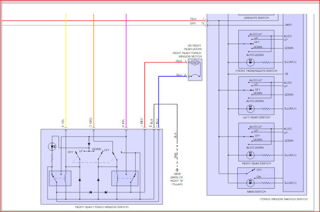
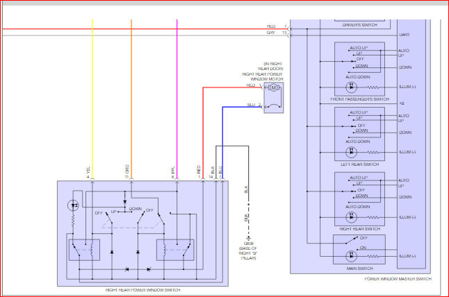
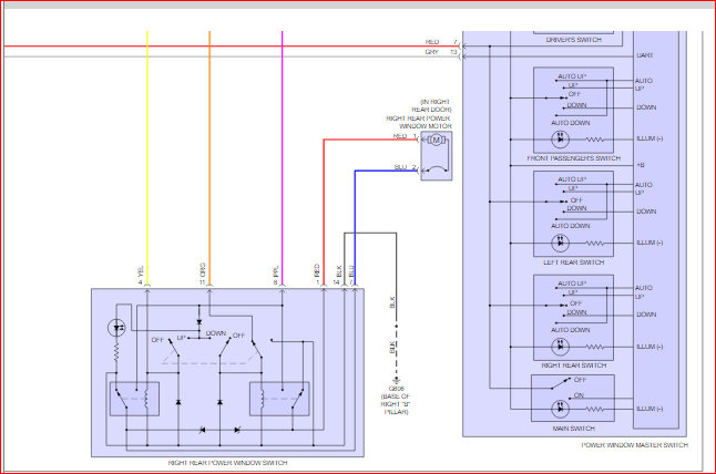
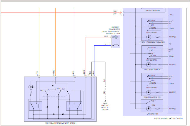
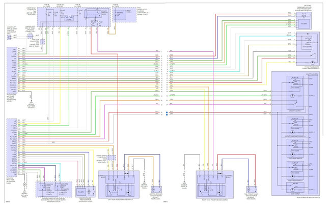
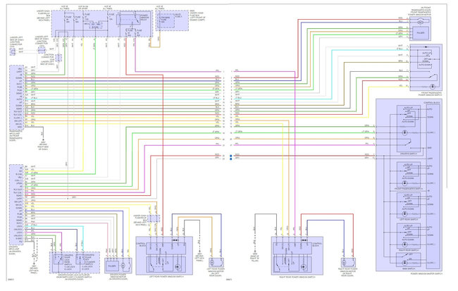
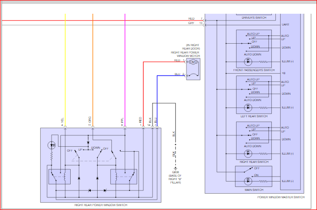
I have an issue with the rear passenger window and have tried multiple fixes to no avail. The driver's master window switch can only make the rear passenger window go up, it cannot make it go down. The switch on the rear passenger window works fine, and the window is 100% operational from that switch.
Things I have tried (in order):
-Resetting the switches with factory reset method. No difference.
-Ordered a confirmed working driver door master window switch and hooked it up. No difference.
-Ordered a brand new OEM driver door sub-wire kit (door jam to fuse box under dash) No difference.
-Tried swapping both rear window switches. No difference.
I would imagine at this point it has to be a short somewhere but I am not exactly sure how to proceed without a diagram. Any help would be greatly appreciated.
-Nick
Thursday, September 20th, 2018 AT 5:44 PM




