HOME
ASK A QUESTION
REPAIR GUIDES
BECOME A MEMBER
LOG IN
Login with Facebook
OR
Remember me
NOT A MEMBER?
FORGOT PASSWORD?
CONTACT US
PRIVACY POLICY
TERMS AND CONDITIONS
☰
Home
Toyota
Avalon
General
Still cannot find it, the cir/open relay?
JOSHUABITNER
MEMBER
2008 TOYOTA AVALON
3.5L
6 CYL
2WD
AUTOMATIC
340,000 MILES
I still cant find the cir/open relay.
Thursday, June 8th, 2023 AT 5:26 AM
7 Replies
BRENDON S
MECHANIC
653 POSTS
Hello JOSHUABITNER,
Can you elaborate a little for me and let me know what relay you are looking for?
I am happy to help just need a little more information, so I know what I am looking for.
Thank you,
Brendon
Was this
answer
helpful?
Yes
No
Thursday, June 8th, 2023 AT 10:37 AM
JOSHUABITNER
MEMBER
8 POSTS
The Circuit/Opening Relay that powers fuel pump, and sends fire to camshaft sensors.
Was this
answer
helpful?
Yes
No
Thursday, June 8th, 2023 AT 3:54 PM
BRENDON S
MECHANIC
653 POSTS
Hello JOSHUABITNER,
Gotcha. Let me take a look and see if I can find a location for it.
Thank you,
Brendon
Was this
answer
helpful?
Yes
No
Thursday, June 8th, 2023 AT 4:38 PM
BRENDON S
MECHANIC
653 POSTS
Hello JOSHUABITNER,
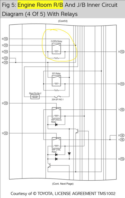
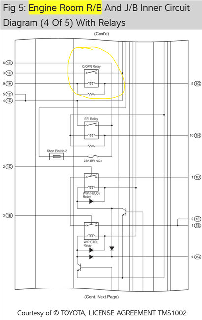
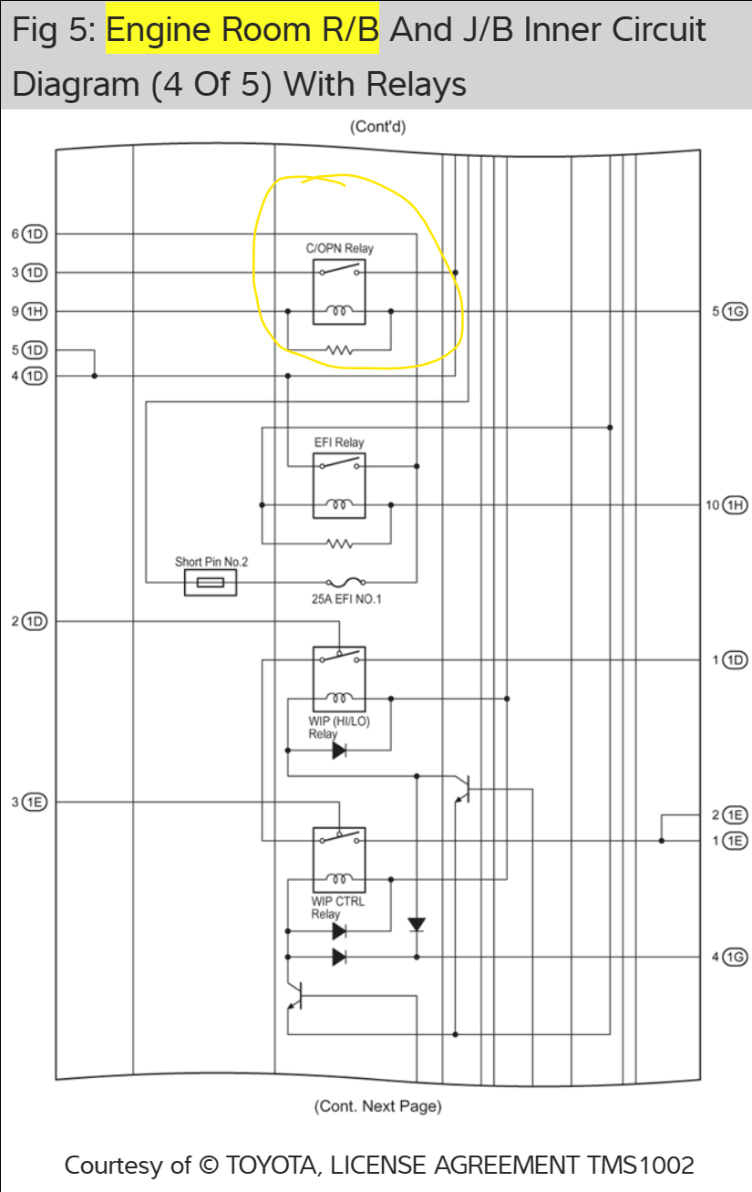
It is inside the engine room junction block on the driver's side fender. It is internal and non-replaceable.
Thank you,
Brendon
Images (Click to make bigger)
Was this
answer
helpful?
Yes
No
Thursday, June 8th, 2023 AT 4:57 PM
JOSHUABITNER
MEMBER
8 POSTS
Do you know if there is an image of it?
Was this
answer
helpful?
Yes
No
Friday, June 9th, 2023 AT 5:19 PM
JOSHUABITNER
MEMBER
8 POSTS
The C/OP relay that is.
Was this
answer
helpful?
Yes
No
Friday, June 9th, 2023 AT 5:20 PM
BRENDON S
MECHANIC
653 POSTS
Hello JOSHUABITNER,
No. This is best I can find for it.
Thank you,
Brendon
Was this
answer
helpful?
Yes
No
Friday, June 9th, 2023 AT 5:29 PM
Please
login
or
register
to post a reply.
Related General Content
GUIDE
Inquire Here
Ask a Car Question. It's Free!
Driver Tips and Safety Information
Car Maintenance and Service Procedures
Ten Questions to Ask a Repair Shop