Battery not charging

Tiny
EMAY OLIMAR
  • MEMBER
  • 1994 MAZDA 323
  • 1.3L
  • 2WD
  • MANUAL
  • 200,000 MILES
Hello, good evening, I just wanted to ask why my battery is still not charging? I have new battery I bought it just April 10, 2018 and my alternator was new too. I bought it last week May 3, 2018. I have new spark plugs also, but still my battery is not charging. It is not going to 14 in the load tester still on 12 and it is draining while we use it so I know it is not charging. I hope you can help me about this. Thank you.
Wednesday, May 9th, 2018 AT 9:53 AM

1 Reply

Tiny
JACOBANDNICKOLAS
  • MECHANIC
  • 110,194 POSTS
Hi and thanks for using 2CarPros.com. I have to be honest, it sounds like even though the alternator is new, it is bad. If I understand correctly, with the engine running, there is no increase at the battery as far as voltage. Just in case, here are general directions for checking it. (you may have already done this.)

https://youtu.be/Z-p4dMJUpUw

After the test, check to make sure all connections and wiring to the alternator are clean and tight. If everything looks good, I recommend removing the alternator and having it bench tested. Most parts stores will do it for free. Here are the directions for removal and replacement.

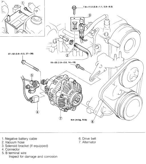
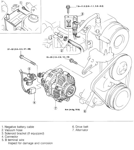
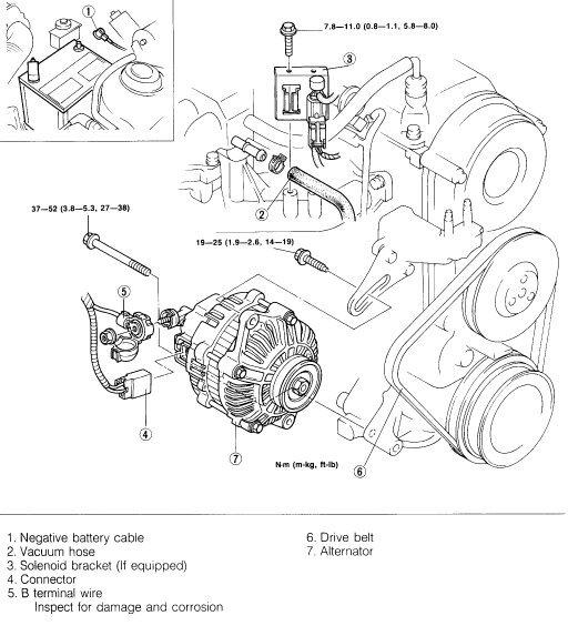
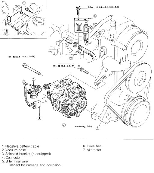
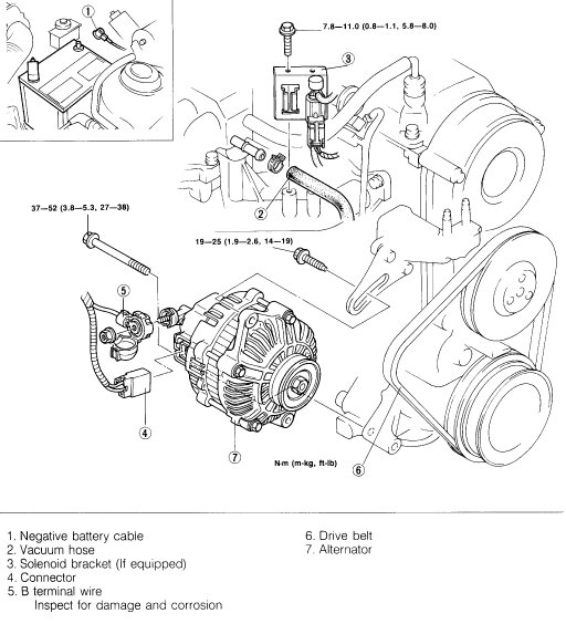
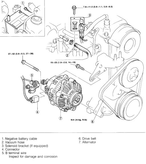
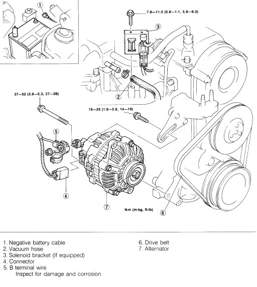
ALTERNATOR
Removal/Installation

Caution:
Be sure the battery connections are not reversed, because this will damage the rectifier.
Do not use high-voltage testers such as a megger, because they will damage the rectifier.
Remember that battery voltage is always applied to the alternator B terminal.
Do not ground the L terminal while the engine is running.
Do not start the engine while the connector is disconnected from the L and S terminals.
Remove in the order shown in the figure.
Inspect all parts and repair or replace as necessary.
Install in the reverse order of removal.

I hope this helps.

Take care,
Joe
Was this
answer
helpful?
Yes
No
Wednesday, May 9th, 2018 AT 8:55 PM

Please login or register to post a reply.