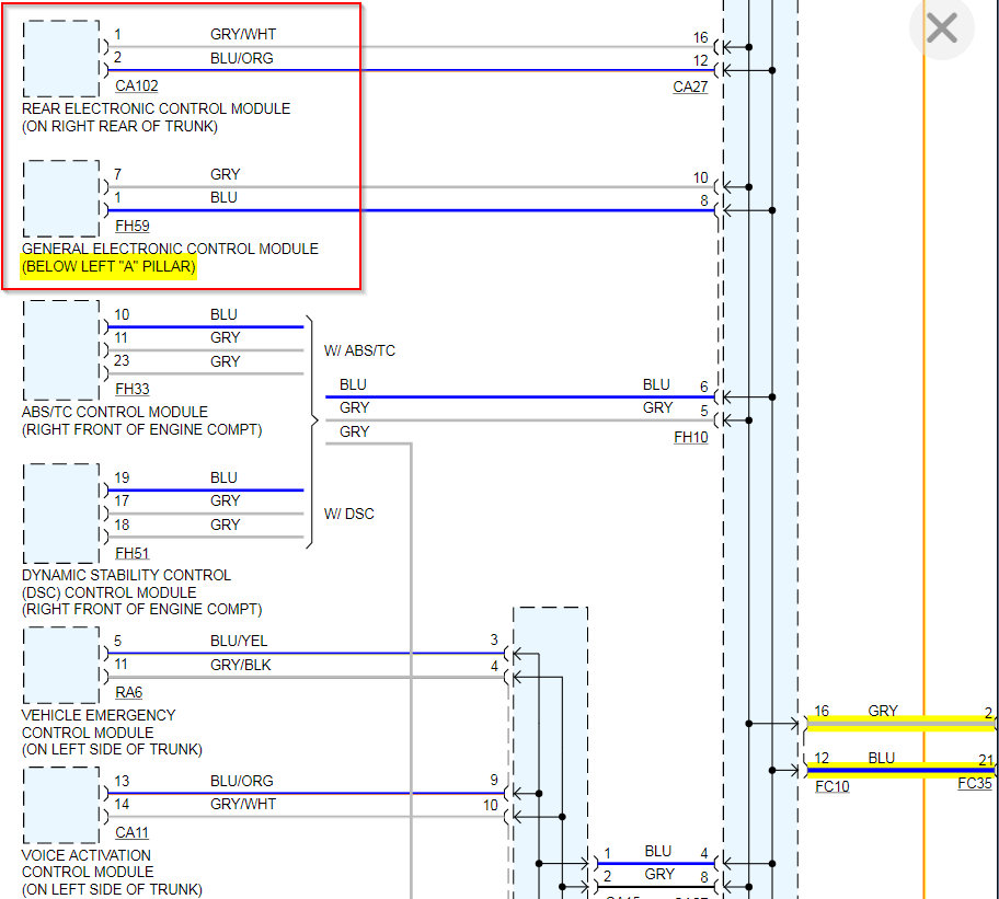
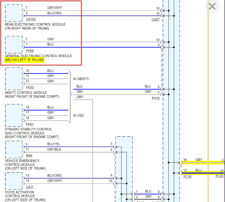
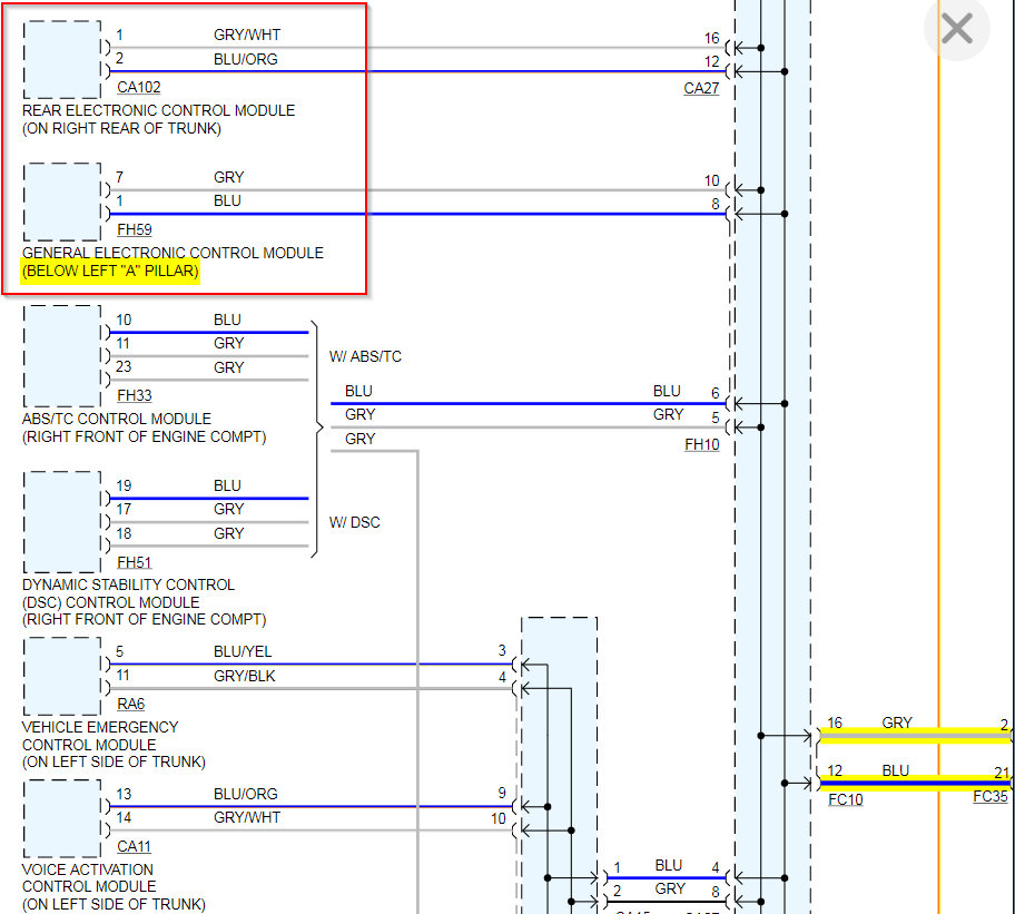
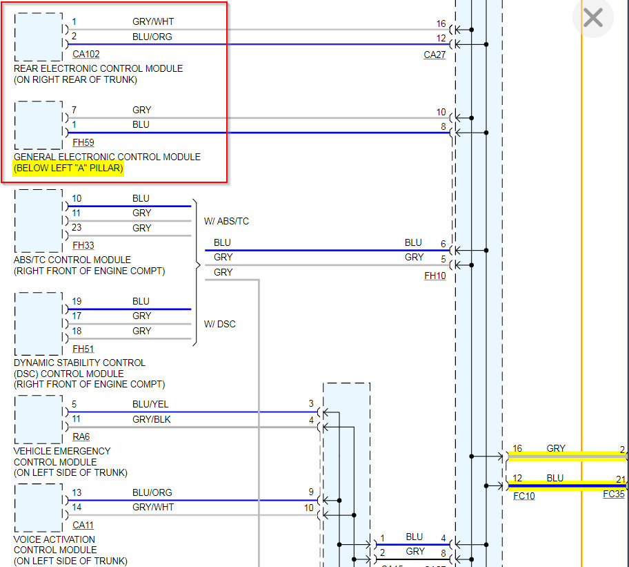
Replaced the steering wheel column lock, and the front ECM, but still the same.
Replaced the ignition with key, but same.
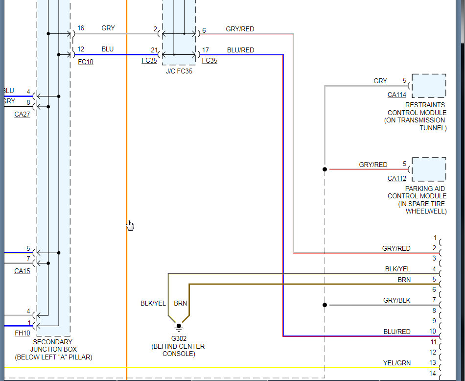
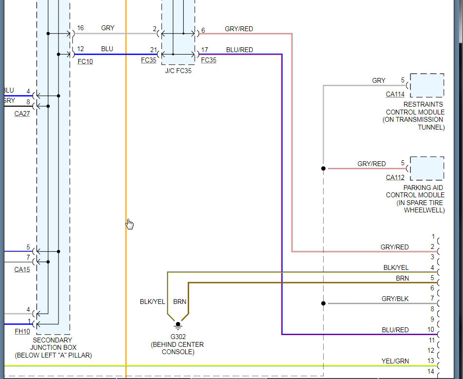
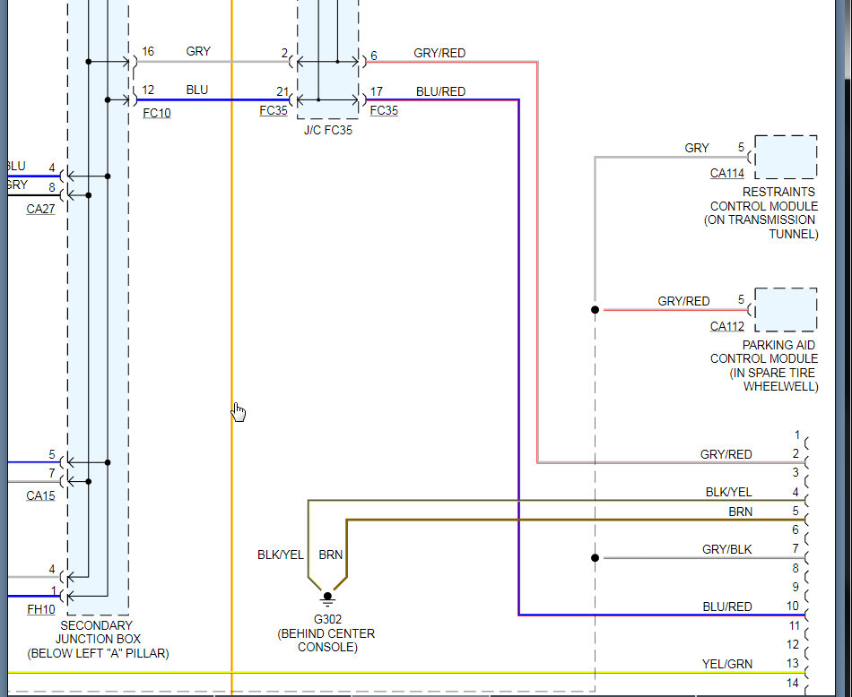
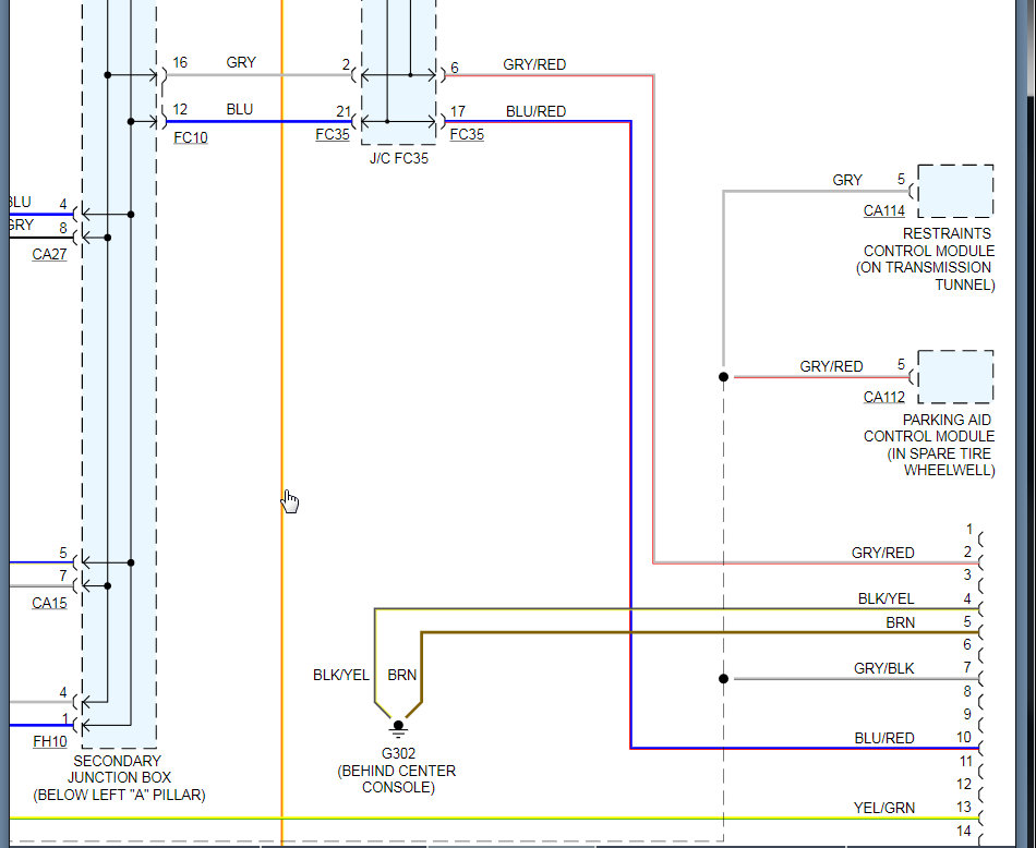
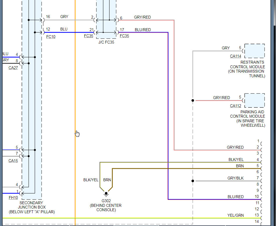
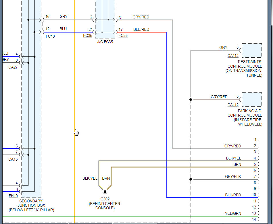
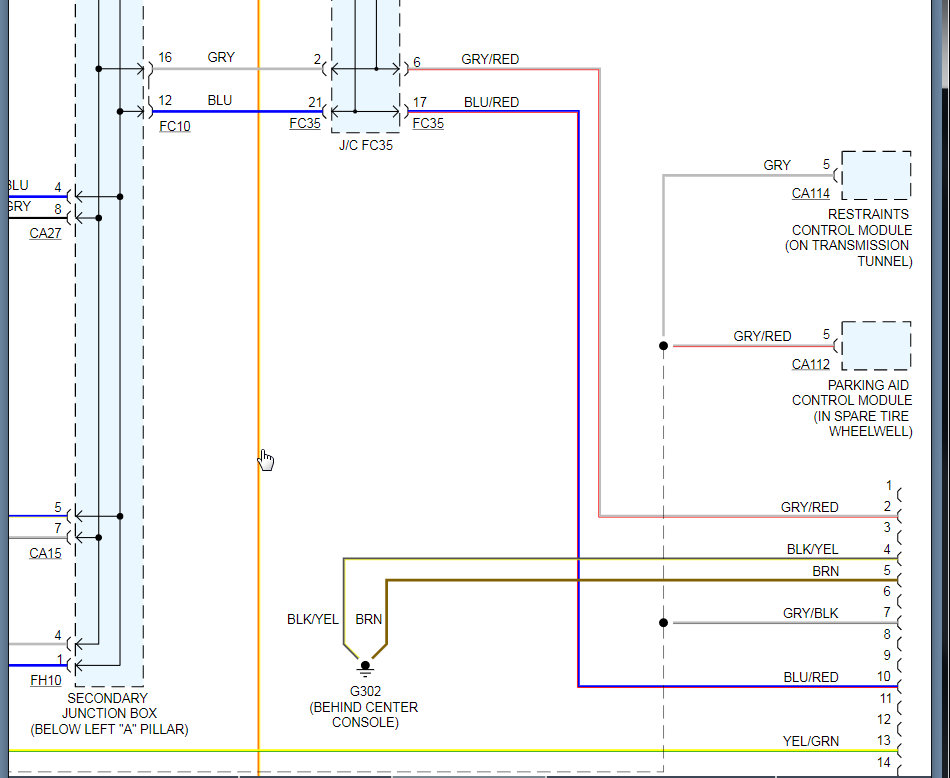
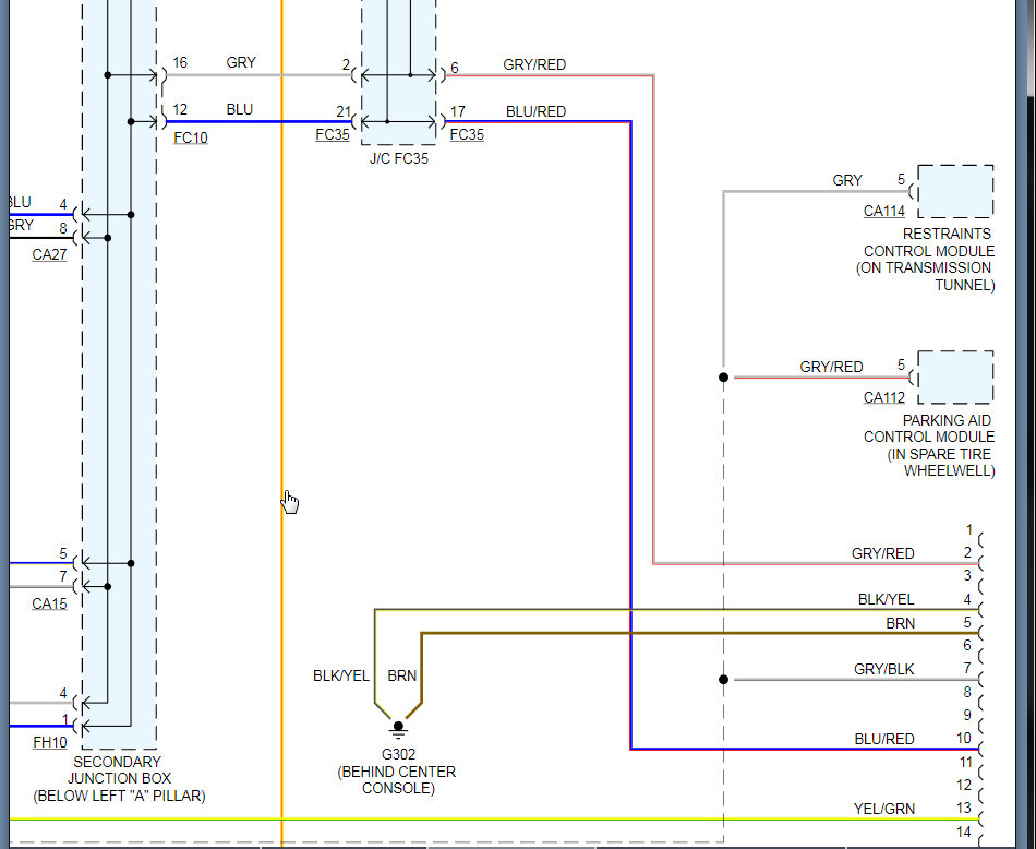
Checked all the fuses are okay.
Checked the lock power, it has no power reached to it.
Can you please help? Thanks
Ramzi
Friday, November 29th, 2019 AT 1:55 PM











