Code P0340, Starts one time a day when cold?

Tiny
RANDY KELLEY
  • MEMBER
  • 1997 TOYOTA 4RUNNER
  • 3.4L
  • 6 CYL
  • 2WD
  • AUTOMATIC
  • 201,901 MILES
I replaced the alternator and battery engine turns over starts in early morning. Then it won’t start again until the next morning. Throwing code P0340. Camshaft Position Sensor A circuit bank 1 or single. I have read that this shouldn’t prevent it from running. I was told by shop It needs value cover gaskets, transmission speed sensor and block off plate.
Tuesday, August 6th, 2019 AT 7:17 AM

7 Replies

Tiny
KASEKENNY
  • MECHANIC
  • 18,907 POSTS
Hi Randy,

Have they suggested these items to address the no start issue? I am just not sure why any of these would cause a no start, so I am just a little confused on that.

As for diagnosing this, you are correct the cam code usually does not cause a no start because all that is required is the crankshaft on most engines. However, on your engine it is not crystal clear that this is the issue. Please refer to the highlighted attachment as it states the cam sensor is used for fuel and ignition timing.

If this is the case, it implies that if there is no signal that it will not fire the plugs or injectors. If this is the case, then the engine will not start. Normally it will just crank longer until it uses the crank sensor to determine cam position then it will start.

I would suggest measuring fuel pressure and checking for spark when it is acting up and that will be more definitive. Even if this is not causing your no start condition, they still need to address the code because this system needs to operate to ensure the engine is running efficiently.
Was this
answer
helpful?
Yes
No
+1
Tuesday, August 6th, 2019 AT 5:18 PM
Tiny
CATALIN BUICA
  • MEMBER
  • 4 POSTS
Hi Randy,

I have a vehicle that did the same thing and now won't start at all with a new timing kit installed and new sensors. Have you ever got to the bottom of the issue with yours?
Thanks,
C
Was this
answer
helpful?
Yes
No
Friday, November 17th, 2023 AT 10:08 PM
Tiny
JACOBANDNICKOLAS
  • MECHANIC
  • 110,192 POSTS
Hi,

The above post is from 2019. They may not respond.

When you crank the engine, does it sound normal? Is it possible for you to record it cranking and upload it for me to hear?

Next, are you getting both spark to the ignition and fuel to the engine? If you try using starting fluid, does the engine try to start or actually start but then stall?

Try that and let me know.

Joe
Was this
answer
helpful?
Yes
No
Friday, November 17th, 2023 AT 10:30 PM
Tiny
CATALIN BUICA
  • MEMBER
  • 4 POSTS
Hi Joe,

Engine sounds normal when cranking and being a start stop, keeps cranking for 10s to 15s with no stumbles or battery issues.
I have fuel, I have spark as it tries to start for a brief second (RPMs increase and you can hear it trying) then continues to crank as the P0340 is thrown. Haven't used starting fluid.
CMP line looks like this: https://www.mazda3revolution.com/attachments/dsobmp0000-jpg.289910/
I'll put together a video today with the symptom and forscan/oscilloscope readings for spark/CKP/CMP
I've already got another daily driver, so this is more of a challenge than a necessity.
Best
C.
Was this
answer
helpful?
Yes
No
Friday, November 17th, 2023 AT 11:12 PM
Tiny
CATALIN BUICA
  • MEMBER
  • 4 POSTS
The engine sounds normal while cranking and has a brief start attempt then throws the code while still cranking until crank limit time is exceeded.

The CKP sensor is sending 5v pk to pk square signals as engine cranks.
The CMP sensor is sending 0.5v pk to pk square signals while cranking.

CMP harness has a 5V reference from PCM with the sensor disconnected, 0.6v on the same line with the sensor connected but dismantled from the engine block. 0V with the sensor close to metal.
CKP harness has 5V reference with the sensor connected and off the block. 0V with the sensor close to metal.

This is the third sensor (CMP). Original one gave the same error after the car stalled at 60mph with both CMP and CKP errors, after replacing CKP only the CMP error remained. New timing installed to no avail, same dreaded P0340.

I'm trying to get a properly triggered recording of both signals this evening after the battery is charged back up.
Thanks for your help.
Was this
answer
helpful?
Yes
No
Saturday, November 18th, 2023 AT 7:03 AM
Tiny
JACOBANDNICKOLAS
  • MECHANIC
  • 110,192 POSTS
Hi,

I watched the video. There is no RPM signal. The tachometer should move a little when cranking. Confirm that for me.

You indicated it has both fuel and spark. Are you certain that fuel is making its way into the engine? The engine sounds normal cranking. There is no indication of a timing issue. So, if we have compression, spark, fuel, and the timing is correct, the engine has no choice but to run. Try the starting fluid and let me know what happens.

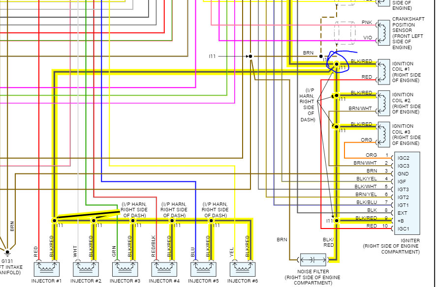
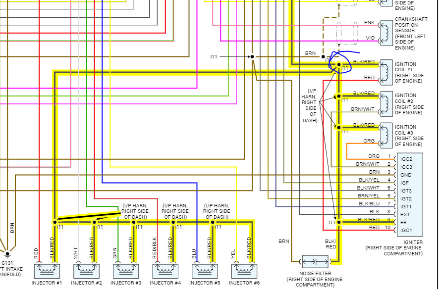
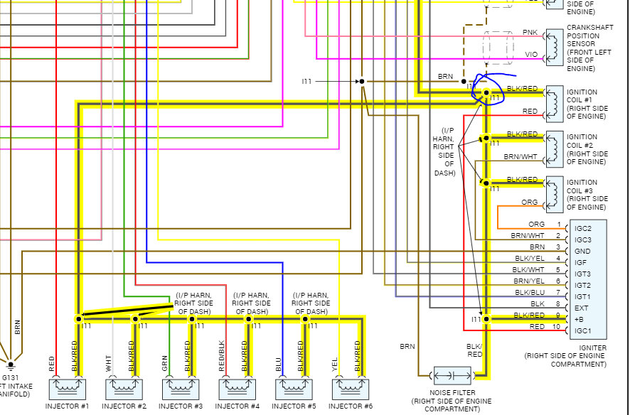
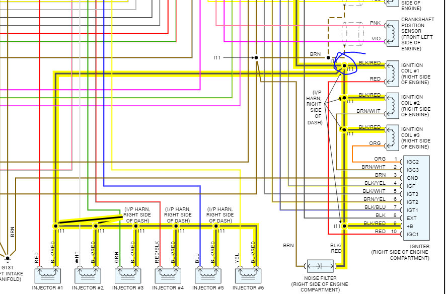
If it does start and then stall with starting fluid (it should if there is spark), at each fuel injector will be a black wire with a red tracer. With the ignition in the run position, check any of those wires for power. I noted a splice between the power supply that could allow power to the coils but if it failed, we may have lost power to the injectors.

Also, please confirm this is the same year, make, and model as the original post.

Let me know.

Joe

See pic below.
Was this
answer
helpful?
Yes
No
Saturday, November 18th, 2023 AT 9:46 PM
Tiny
JACOBANDNICKOLAS
  • MECHANIC
  • 110,192 POSTS
Hi,

Okay, I was looking at the info for a 1997 Toyota. LOL

Because this is a different vehicle, I need you to start a new thread. We try to keep them specific to one type of vehicle and problem so that it is more helpful to others.

Simply copy and paste your last post to a new thread. I will be watching for it.

Here is the link to start a new one:

https://www.2carpros.com/questions/new

I hope you understand.

Take care,

joe
Was this
answer
helpful?
Yes
No
Saturday, November 18th, 2023 AT 10:24 PM

Please login or register to post a reply.