Codes P0128 and P0480

Tiny
MARY L SIMONS LUCE
  • MEMBER
  • 2007 DODGE CHARGER
  • 3.5L
  • 6 CYL
  • 4WD
  • AUTOMATIC
  • 12,000 MILES
While driving it shuts off. Some times it will start and other times nothing. But have power for every thing else now I have codes p0128 and p0480. Replaced starter relay fuse and battery.
Monday, May 14th, 2018 AT 10:58 AM

1 Reply

Tiny
JACOBANDNICKOLAS
  • MECHANIC
  • 110,194 POSTS
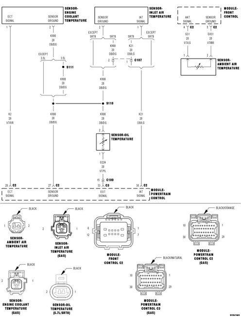
Hi and thanks for using 2CarPros.com. Based on your description and the codes you provided, it seems there may be a problem with the coolant temperature sensor. This sensor sends a signal to the computer telling it the coolant temperature. If the sensor is working but incorrectly, the computer could over compensate air/fuel mixture to a point that the engine shuts down.

Picture 1 is that of possible causes for the codes: Note that it indicates coolant temp sensor or sensor wiring.

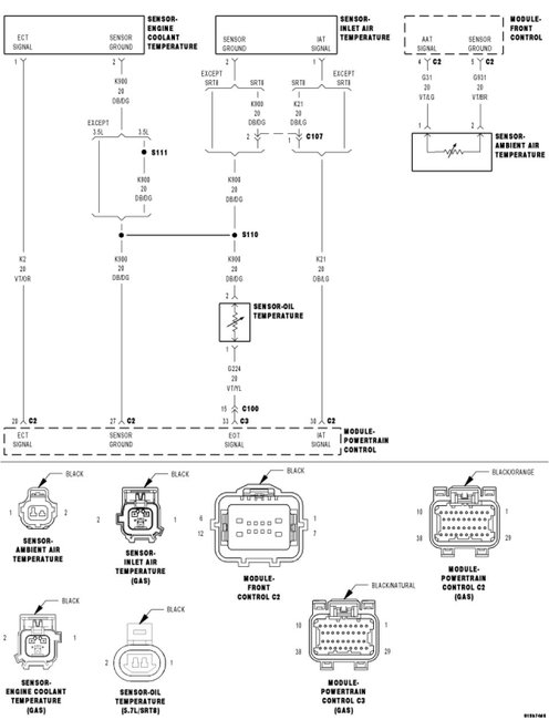
With that being said, I would recommend that you scan the computer and collect real time data. Go to the coolant temperature sensor and see what it is actually telling the computer. If it is 80 degrees F where you are and the computer thinks it is -40 degrees, the fuel mixture will be too rich for the engine to run or run properly. Additionally, I have attached a wiring schematic of these components for your review.

Just in case, here are general directions for using a scanner (video):

https://youtu.be/b2IJGfImVvw

Again, based on your post, this is where I would start. I hope it is helpful.

Take care,
Joe
Was this
answer
helpful?
Yes
No
Monday, May 14th, 2018 AT 7:30 PM

Please login or register to post a reply.