Saturday, October 6th, 2018 AT 6:47 PM
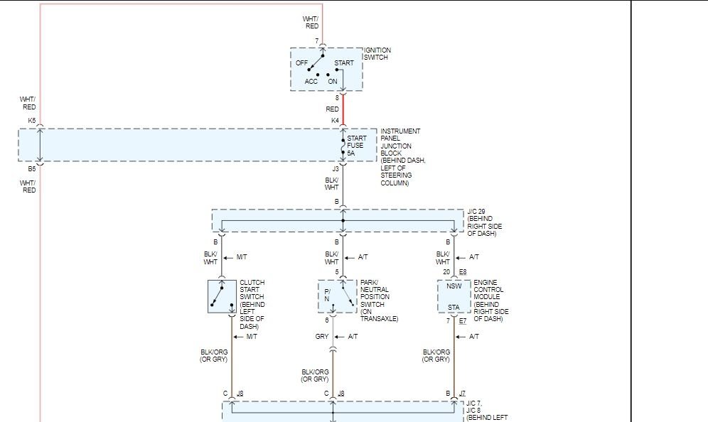
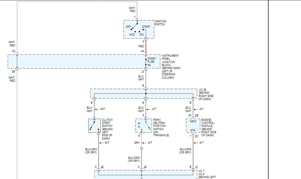
I am having a starting problem when I turn the key to the "on" position the starter cranks. I replaced the relay but problem continues. Anyone have any input? Thank you



