HOME
ASK A QUESTION
REPAIR GUIDES
BECOME A MEMBER
LOG IN
Login with Facebook
OR
Remember me
NOT A MEMBER?
FORGOT PASSWORD?
CONTACT US
PRIVACY POLICY
TERMS AND CONDITIONS
☰
Home
Chevrolet
Blazer
Engine
Starter
Symptoms
Grinding
Starter makes loud grinding noise
JEDCASTO
MEMBER
1998 CHEVROLET BLAZER
4.6L
6 CYL
2WD
AUTOMATIC
200,000 MILES
I tried putting shims in, but still makes noise.
Saturday, January 25th, 2020 AT 10:43 AM
1 Reply
ASEMASTER6371
MECHANIC
52,796 POSTS
Good afternoon,
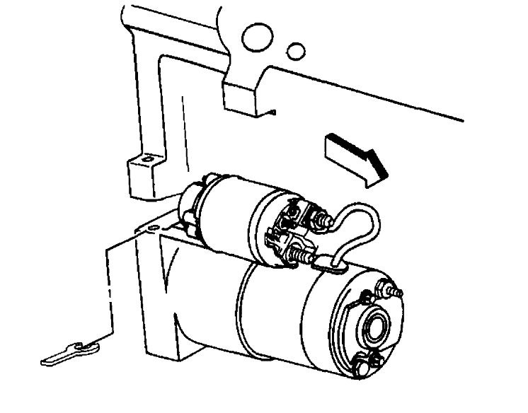
Did you replace the starter? The end gear could be damaged.
Did you check the flywheel for any damage? That is a common issue. Check the teeth for any grinding off of the teeth.
Roy
Images (Click to make bigger)
Was this
answer
helpful?
Yes
No
Saturday, January 25th, 2020 AT 11:23 AM
Please
login
or
register
to post a reply.
Related Starter Grinding Content
Getting Loud Grinding Noise When Starter Is Engaged
1997 Blazer 4x4 Had Bad Starter Changed It And It Still Wont Start The Alternator Is Good And Battery When I Try To Turn It Over It Tries To...
Asked by
Marcus_692
·
3 ANSWERS
1997
CHEVROLET BLAZER
Going Threw Starters Broke End Off A New One
I Have Had A Starter Put In My 4.3 By A Profesional Shimed And All ! It Cranks Over But Sometimes It Sounds Like It Kicks Back And Makes The...
Asked by
rondierckens
·
6 ANSWERS
2000
CHEVROLET BLAZER
1999 Chevy Blazer Broke The Head Off Starter
Changed The Flywheel After It Started Making Grinding Noise. Ran Fine Then This Morning It Turned Over But Sounded Like The Motor Kicked...
Asked by
mikexp
·
2 ANSWERS
1999
CHEVROLET BLAZER
1996 Chevy Blazer Starter Noise
I Replaced The Started In My Blazer About A Week Ago. I Purchased What I Thought Was A New Starter For My Blazer And Had It Installed. 5...
Asked by
irenec
·
1 ANSWER
1996
CHEVROLET BLAZER
1996 Chevy Blazer Starter
Electrical Problem 1996 Chevy Blazer 6 Cyl Four Wheel Drive Automatic 195k Miles I Have Replaced My Starter In My 96 Blazer Now There...
Asked by
presd81
·
1 ANSWER
1996
CHEVROLET BLAZER
VIEW MORE
Ask a Car Question. It's Free!