Starter engaging without key

Tiny
HATCHER JAMES
  • MEMBER
  • 2006 GMC CANYON
  • 3.5L
  • 5 CYL
  • 4WD
  • AUTOMATIC
  • 70,000 MILES
After an issue where the battery drained flat, every time I put jumper cables on to actually try and start it, the starter kicks on as soon as the cables are attached - key sitting on the seat!
Any ideas would be appreciated.
Sunday, January 31st, 2021 AT 10:38 AM

1 Reply

Tiny
JACOBANDNICKOLAS
  • MECHANIC
  • 110,194 POSTS
Hi,

Something is sending power directly to the starter. Did you notice anything that may have indicated something melting or burning? Were there any problems prior to the battery going dead?

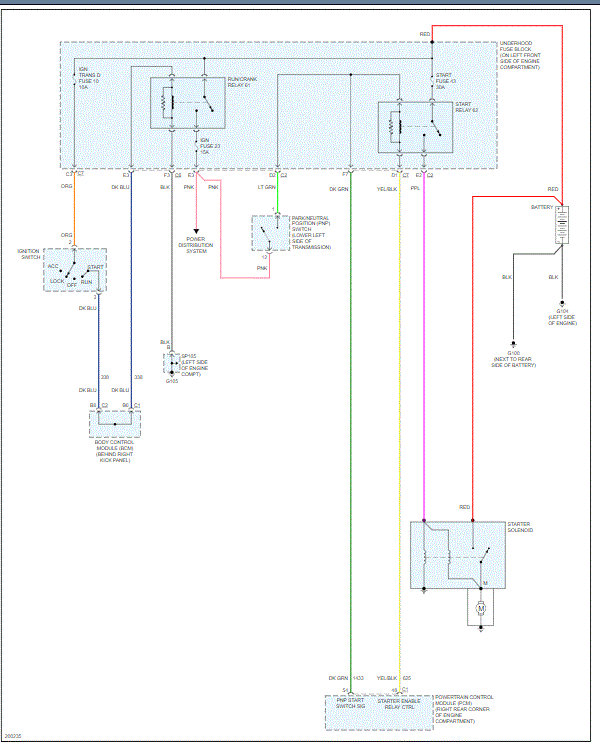
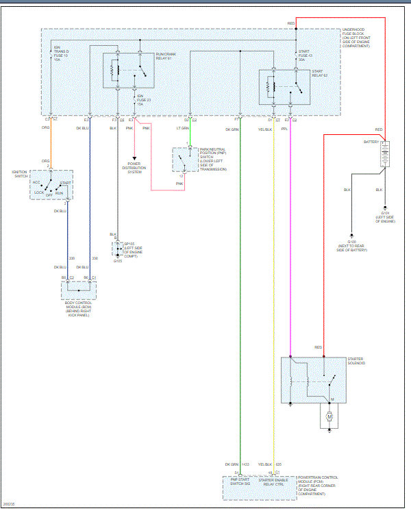
Electrical problems like this take some time to identify. Since we know there is power direct to the starter engaging it, we need to identify where it's coming from. So, I want you to remove the starter relay and see if it still engages. If it does, then we know the short is after the relay.

I attached two pics below. First, I highlighted the relay in the wiring schematic. The second pic is the entire starting schematic for your reference.

Do this and let me know what you find. Note: If it doesn't crank with the relay pulled, inspect the connectors and wiring from the relay and switch the relay with a known good one to see if it makes a difference.

Let me know.

Joe
Was this
answer
helpful?
Yes
No
Sunday, January 31st, 2021 AT 5:59 PM

Please login or register to post a reply.