Starter engaging while driving?

Tiny
STEPHANIE STEPHENS
  • MEMBER
  • 2000 FORD RANGER
  • 3.0L
  • 6 CYL
  • 2WD
  • AUTOMATIC
  • 206,460 MILES
Starter engaging while driving. Have to turn the key off pull over and restart?
Sunday, January 8th, 2023 AT 2:33 PM

1 Reply

Tiny
KEN L
  • MASTER CERTIFIED MECHANIC
  • 55,281 POSTS
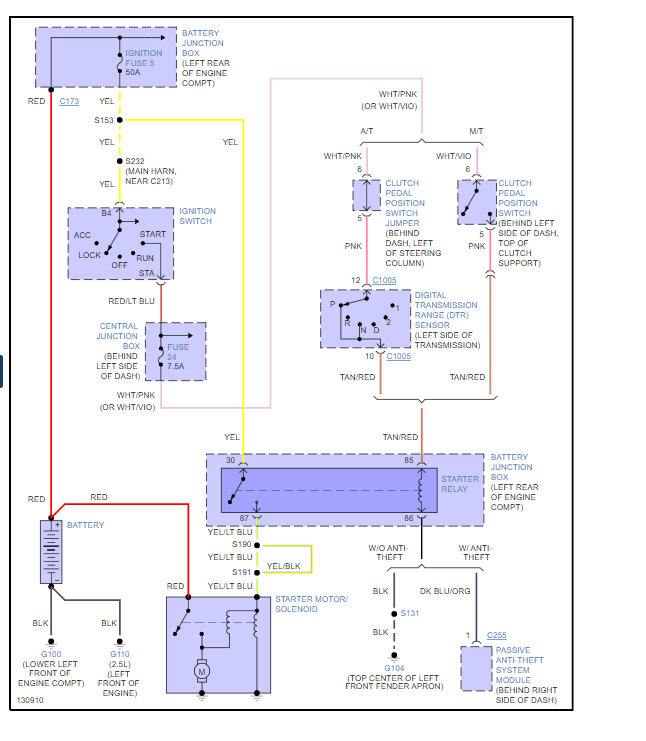
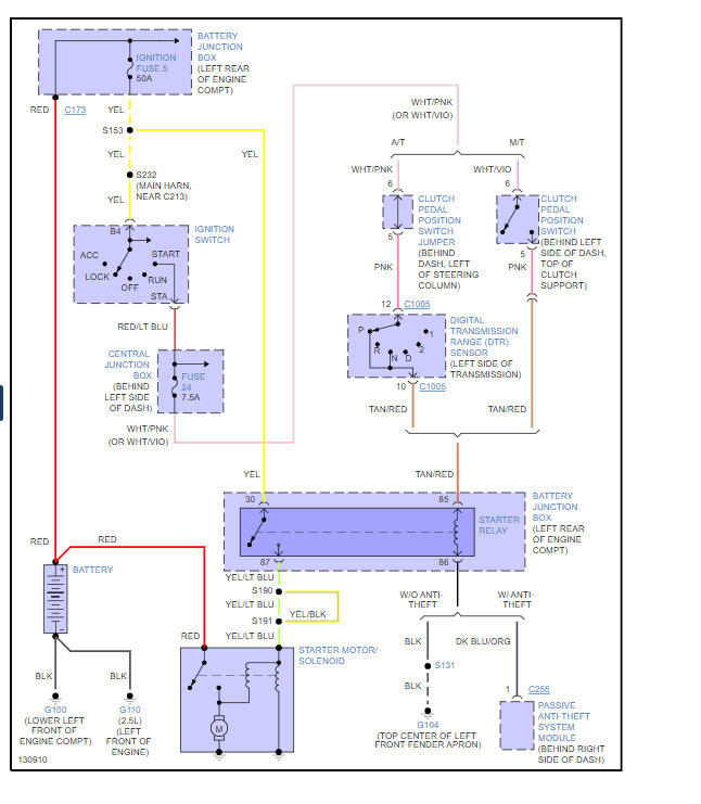
The only thing that can cause that is a bad starter. Here is the location so you can swap it out and I have included the starter wiring diagrams so you can see how the system works. Check out the images (below). Let us know what happens and please upload pictures or videos of the problem.
Was this
answer
helpful?
Yes
No
Monday, January 9th, 2023 AT 11:15 AM

Please login or register to post a reply.