On the replacement starter there is a blade connection on the new one and no wire to connect it to?

1990 NISSAN TRUCK
200,000 MILES • 2.4L • 4 CYL • 2WD • MANUAL
Avatar
GEORGE HANCE
  • MEMBER
  • 2 POSTS
Old starter was working intermittently, and I decided to replace it got the old one out and installed new one and there was one difference in the starters there was a blade connection on the new one and no wire to connect it to tried starting the truck got nothing but clicking. Please help me out here. I need the truck going ASAP.

Sincerely,
George Hance
Jan 23, 2024 at 4:56 PM
Advertisement
Repair Safety Notice: This information is for general instructional purposes only. Vehicle repair can be dangerous. Verify all information, follow manufacturer service procedures, use proper tools and safety equipment, and consult a qualified repair shop when needed.
Avatar
AL514
  • AUTOMOTIVE REPAIR CONTRIBUTOR
  • 5,477 POSTS
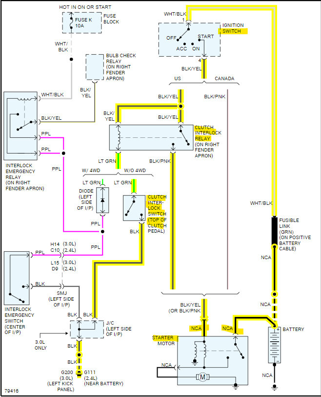
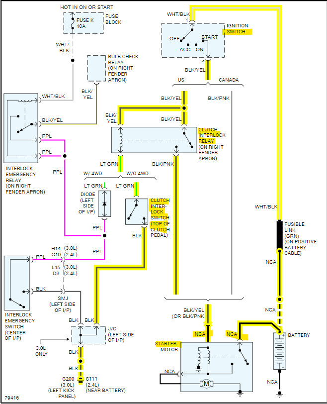
Hello, the Starter should have 2 wires going to it, one is a direct feed from the battery (which is the heavier gauge wire) and the other is from the ignition switch to the starter solenoid. Did your old starter only have 1 wire to it? The wiring diagrams show the starter solenoid as being part of the Starter assembly, some older vehicles had separate solenoids usually bolted to the body somewhere in the engine compartment. Can you post a picture of the old starter motor with its connections visible?

This is the wiring diagram for the starter circuit.
Jan 23, 2024 at 5:52 PM
Avatar
AL514
  • AUTOMOTIVE REPAIR CONTRIBUTOR
  • 5,477 POSTS
There are 2 different starter motors listed for this vehicle, but both have the Starter solenoid mounted on the starter, so there should still be a smaller gauge wire coming from the Ignition switch.
In the 4th diagram (in blue) is probably the flat blade connection, but if you are missing a wire, then it sounds like you may have a starter solenoid mounted somewhere else in the engine compartment. I would follow the wire(s) you have on the starter now up and see where they go. It might be a solenoid that's mounted somewhere on the body in the engine compartment, usually they are mounted above the wheel well area in the engine area, it will have a small wire running to it which is the ignition switch feed and a larger gauge high amperage wire that runs to the starter. I'll try to find a picture of one for you.
In the 5th diagram it shows some external starter solenoids, in the top left of the picture, it shows how that type of solenoid would be wired up, the solenoid handles all the high current that the starter motor uses, but is activated by a much lower current circuit from the ignition switch, the same principle as what a relay does.
Jan 23, 2024 at 6:14 PM
Advertisement
Avatar
GEORGE HANCE
  • MEMBER
  • 2 POSTS
I can't post pictures of the old starter because I took it back for core charge. However, the only difference was the new one has a small blade connector between the two poles. everything else is the same. I'm out of time for today but going to take the new one back off and test it and look at all the connections to see if I find anything out of the ordinary. Thank you so much for the help and diagram, I really appreciate it.
Jan 23, 2024 at 6:31 PM
Avatar
AL514
  • AUTOMOTIVE REPAIR CONTRIBUTOR
  • 5,477 POSTS
If there is only one larger gauge wire going to the starter, follow it up, most likely on this vehicle the solenoid is located somewhere else and that's why you're missing the wire, that bladed flat connector is the ignition switch feed terminal. It's common for more modern vehicles to have a flat connector like that on the starter motor. Look for an external solenoid (pic 1). And this is what the ignition switch wire will look like on a starter that has a built-in solenoid (pic 2,3).
Jan 23, 2024 at 7:00 PM
Advertisement