HOME
ASK A QUESTION
REPAIR GUIDES
BECOME A MEMBER
LOG IN
Login with Facebook
OR
Remember me
NOT A MEMBER?
FORGOT PASSWORD?
CONTACT US
PRIVACY POLICY
TERMS AND CONDITIONS
☰
Home
Ford
Crown Victoria
Electrical
BCM
Codes
B2296
SRS Code B2296, where is the Passenger side front Impact sensor located?
DBAYBOY
MEMBER
2006 FORD CROWN VICTORIA
4.6L
V8
2WD
AUTOMATIC
230,000 MILES
I believe this refers to Passenger side front Impact sensor. Where is this sensor located on my 2006 P71 Crown Victoria?
Saturday, August 31st, 2024 AT 9:33 AM
4 Replies
KEN L
MASTER CERTIFIED MECHANIC
54,137 POSTS
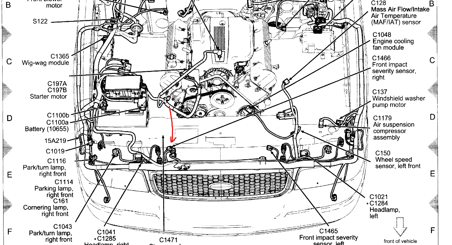
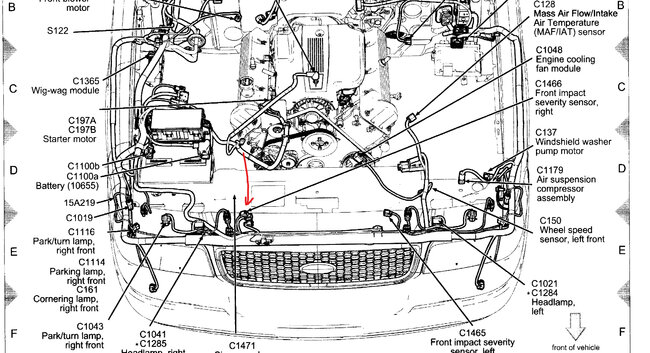
Here are both right side airbag system impact sensors in case you need them. Check out the images (below). Let us know if you need anything else.
Images (Click to make bigger)
Was this
answer
helpful?
Yes
No
+1
Saturday, August 31st, 2024 AT 5:21 PM
DBAYBOY
MEMBER
3 POSTS
I'll go check in my car.
Was this
answer
helpful?
Yes
No
Monday, September 2nd, 2024 AT 11:45 AM
KEN L
MASTER CERTIFIED MECHANIC
54,137 POSTS
Okay, let me know if you have any trouble.
Was this
answer
helpful?
Yes
No
Monday, September 2nd, 2024 AT 5:00 PM
DBAYBOY
MEMBER
3 POSTS
Awaiting Passenger side impact sensor to arrive in the mail. Will let you know if this corrects error message.
Was this
answer
helpful?
Yes
No
Wednesday, September 4th, 2024 AT 10:22 AM
Please
login
or
register
to post a reply.
Related B2296 Content
1996 Ford Crown Victoria No Electrical Signal To...
Car Will Not Start-has 40 Psi Fuel Pressure On Fuel Rails But No Signal To Injectors-what Controls This Signal?
Asked by
Roger Hamby
·
3 ANSWERS
1996
FORD CROWN VICTORIA
Battery Problems
I Have A 1999 Ford Crown Victoria, And Something Keeps Killing My Battery. I Unplugged The Fuse To My Door It Ran Fine, But Now It Would...
Asked by
shameika.timmons
·
2 ANSWERS
1 IMAGE
1999
FORD CROWN VICTORIA
Alternator
I Have A 1999 Crown Vic I'm On My Third Alternator Took It Back To Auto Zone There Saying Its Good I'm Only Geting 11 Volts At Battery And...
Asked by
tonycarman
·
2 ANSWERS
1999
FORD CROWN VICTORIA
1999 Ford Crown Victoria Alternator Electrical...
When Trying To Purchase A Electrical Connector For My Alternator There Were Several Different Kind. How To Tell Which Is Right?
Asked by
sugams
·
1 ANSWER
1999
FORD CROWN VICTORIA
Alternator
The Plug On My Alternater The Plastic Pieces Are Broken Up Inside And It Wont Hold Te Wires In Places. What Can I Do To Fix It So It Will...
Asked by
tony1520
·
3 ANSWERS
1999
FORD CROWN VICTORIA
VIEW MORE
Ask a Car Question. It's Free!
Check Engine Light Safe to Drive?
Code Read Retrieval/Clear Honda
Is it Safe to Drive Check Engine Light?