Speaker wire connections?

Tiny
DANIEL WARREN
  • MEMBER
  • 1999 DODGE GRAND CARAVAN
  • 3.3L
  • V6
  • 2WD
  • AUTOMATIC
  • 135,000 MILES
Got new 6x9s. I gave up on finding replacements for 6-pin connectors. One speaker was missing, and the new speakers only have 2wire spades.
So, I cut the 2 wires I needed and left the other 4 in the connectors hoping for the best.
It's not very loud and sounds like it's in a tunnel.
There's an amp in the back.
I'm not sure what I need to do.
I drove and called every store within 50 miles and searched every website I found for 2 weeks looking for the 6pin connectors.
I appreciate any advice you can give!
Saturday, February 15th, 2025 AT 12:05 PM

9 Replies

Tiny
DANIEL WARREN
  • MEMBER
  • 6 POSTS
The female on the old speaker only had 2 pins and 2 wires going to it.
And I can't mount it on new speaker.
It never had the left rear speaker since I had it, so I've no idea if the amp works.
Was this
answer
helpful?
Yes
No
Saturday, February 15th, 2025 AT 12:14 PM
Tiny
CARADIODOC
  • MECHANIC
  • 34,490 POSTS
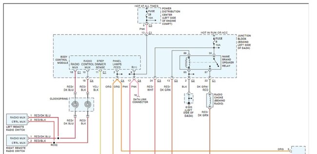
You'll be better off finding the right speaker in a salvage yard. Nothing aftermarket will sound right in this application. I posted the wiring diagram in case you need it. The first one is three parts I put together. The next three are pieces I tried to expand for easier viewing. The last one is the radio connectors. These plugs are the same as far back as the mid 1980s, but were changed on various models beginning around 1998 to 2003. They don't show the speaker connectors. You'll have to go by the wire colors.

The original door speaker has two speakers built together. That accounts for four speaker wires. The last two are the 12-volt feed and ground for the built-in amplifier. That tells me you have the "Premium" system. The factory radio is a little different. The output circuitry is modified to develop less-than-normal bass. That is made up in the amplifiers. When you use a non-amplified speaker, you will have to turn the bass up as far as it will go to sound close to right. You can also find the same radio for the "Base" system. It looks and operates exactly the same, but it develops the normal amount of bass. The problem is all the other original speakers will still be over-amplifying the bass, so for them to sound right, you have to turn the bass all the way down.

You can identify the radios by finding the word, "Infinity" on the faceplate for the premium version. Some other models use separate remote-mounted amplifiers for their Infinity systems. You can use standard speakers with those systems.

It's also important to be aware that with GM and Ford radios, when they use an amplifier, those radios must be used with an amplifier or you won't be able to hear the sound, and when they don't use an amplifier, you can't use it with an amplifier. Chryslers are different in that regard. All of their radios put out speaker-level output, regardless if they're used with or without an amplifier. Only the tone conditioning is changed with the amplifier(s), for the shape of the vehicle's body. They don't increase power or volume.

It's also worth noting these radios always have four channels corresponding to the four corners of the van. When they use more than four speakers, as they do here, some are in parallel, which means one will still work if its mate is unplugged, but some of yours are in series, meaning current has to flow through both of them for both to work. If you unplug one of those pair, neither will work.

When two speakers are in series, each is designed to work properly with half the audio signal the others use. Rewiring them like standard speakers will make them much too loud and usually distorted. Distortion comes in three forms. One is when part of the signal is cut off. That happens in the output circuitry, which, in this case, is in the remote amplifiers on the speakers. The second form of distortion is when the speakers don't get the correct voltage and frequencies they are designed for. That's what you're experiencing. The third type is when the speaker's voice coil has moved to its physical limits, but the signal voltage is asking it to move even further. In that case the voice coil is not moving in a smooth relationship to the audio signal.

You should be able to find a replacement speaker in any pick-your-own parts salvage yard. Do a search for "Pull-A-Part to see if there's a yard near you. I've been to 16 of them. All were very clean and well organized. You can do an inventory search to see which yards have the same van, but they can't tell you colors, options, or which parts are gone or broken. There are a lot of similar yards popping up all over.

There were a number of similar radios Chrysler used throughout most of the 1990s. If you have a CD / cassette combo, those are by far, the best radios I have ever worked on. I used to recommend them for upgrades from the CD-only radios or the cassette players. Often people bought a used vehicle and wanted to upgrade from cassette to CD, but stick with a factory radio. I always told them the CD / cassette combos were the best choice, even if they didn't own any cassettes. Those radios were built by Mitsubishi and had the "Supplier #" 28046 on the model sticker.
Was this
answer
helpful?
Yes
No
+1
Saturday, February 15th, 2025 AT 9:33 PM
Tiny
DANIEL WARREN
  • MEMBER
  • 6 POSTS
Thank you so much! The only thing is is that there is an external amp and original speaker was not the one with built in amp.
Also the radio has no name brand on it, nothing in the van say infinity.
Was this
answer
helpful?
Yes
No
Sunday, February 16th, 2025 AT 1:54 PM
Tiny
DANIEL WARREN
  • MEMBER
  • 6 POSTS
To make things more complex- it's a Mark 3 conversion van with a whole entertainment system, more speakers, switches, jacks, 2cnd radio ect.
Was this
answer
helpful?
Yes
No
Sunday, February 16th, 2025 AT 1:57 PM
Tiny
CARADIODOC
  • MECHANIC
  • 34,490 POSTS
Rats. It sounds like you have an aftermarket system. I ran into similar problems with conversion vans while working at a very nice Chrysler dealership. One in particular got hit by lightning while sitting under a metal car port, (very uncommon for our northern area). That took out three or four computer modules, none of which were Chrysler parts.
The best place to start is with one of their dealer's parts departments. They are the most likely to have contact information for the conversion company. They might also be able to order parts, but the age of the vehicle makes that a little iffy.

Another thought would be to use one of the new artificial intelligence searches. I've been using ChatGPT with very good results. You type just like you were talking with a live person, but limit it to one or two statements at a time. Something on the order of,

"Can you tell me where to find replacement speakers for a Mark 3 conversion of a 1999 Dodge Grand Caravan?"

If you learn the name of the conversion company, include that too. You'll get at least a paragraph reply within a few seconds. Consider too, this isn't a one-of-a-kind custom job a do-it-yourselfer would do. The company did dozens, and possibly hundreds of these conversions, all the same, so there's going to be others out there, and by now, many will be in salvage yards.

I've never been to this site, but a good place I've heard to try is Crutchfield. They deal in all kinds of replacements for factory products. They would be the most likely to offer speakers that fit the original openings, or to have adapter rings to install a standard speaker size. They may have even sold the same system years ago.

Remember too, if an original speaker can be reinstalled, there were two versions, one with the built-in amp and one without. Either one will develop the same volume when used with or without your aftermarket amplifier. The tone response would normally be the issue, but aftermarket amplifiers do not change the tone for the shape of the vehicle. Chrysler makes those adjustments in their factory amplifiers. Ford and GM do that in their radio head units. Aftermarket radios and amplifiers are a one-size-fits-all. None of them are designed specifically for one car model.

Since we don't know what kind of speaker arrangement the aftermarket system uses, keep in mind, the original speakers in the doors were a woofer and a tweeter together in one unit, and in this application, the tweeter was in series with a speaker in the rear. Your aftermarket amplifier will run the woofer okay, but the tweeter will be too loud. I suspect any aftermarket speaker will sound better with the aftermarket amp. Being a non-factory system, it is likely the rear speaker isn't being used in series with the door speaker.

Another thing to be aware of is often a single speaker is not meant to "sound right". Tweeters, for example, are often mounted in "A" pillars next to the windshield, or next to side mirrors. They sound really tinny by themselves, but they make the entire system sound very nice. Same with woofers in doors. The large door cavities do a very poor job with tweeters. High notes also tend to travel in more of a straight line, so you won't hear them as well when they come from a door speaker. You have to look at the entire channel as a whole, and pay less attention to any one individual speaker. What you think "sounds like in a tunnel", from the one speaker might sound okay while driving.

I know I'm making this unnecessarily complicated. Perhaps a better place to start, since you said only one speaker is missing, is to install the one you still have on the other side, and make sure that one sounds right. If one side sounds good now with the original speaker, replace just the one with a new 6x9, then compare how that side sounds. If it's okay, it should sound the same with the new speaker on the other side. Listen to both sides the same way. If you have your ear down by the door speaker, compare both sides the same way.

Let me know if anything I said makes sense.
Was this
answer
helpful?
Yes
No
+1
Monday, February 17th, 2025 AT 4:22 PM
Tiny
DANIEL WARREN
  • MEMBER
  • 6 POSTS
Thank you!
It'll take me a bit to absorbe, but it'll help very much!
Both answers, all the info I can get is greatly appreciated!
Part of the problem is half the vans a Dodge caravan / upper half a "Mark 3" - which went out of business at least 25 yrs ago.
When I look up dodge yr parts- they aren't what's in the van!
And there's not much info I can find on "Mark 3"
I have a skinny little mark 3 owner's manual- but it only covers the mark 3 side, doesn't show or tell how it intermingles with Dodge caravan system, or what if they did to hybridize it.
Was this
answer
helpful?
Yes
No
Wednesday, March 12th, 2025 AT 11:39 PM
Tiny
CARADIODOC
  • MECHANIC
  • 34,490 POSTS
One thought you might consider is the dealer may have had service information from the conversion company. We had about 300 manuals from Chrysler that covered all the models for the last five years on a long shelf in the shop. That included diagnostic manuals for individual systems. The older stuff got stored upstairs in the break room. The owners of the dealership gave their blessings to the service writers to dig through those manuals and photocopy pages for customers and other shops, as long as they weren't busy with other customers. That included literature from sources other than Chrysler. The people in the parts department won't be able to help with that, as they don't work with the service manuals. If you strike out at one dealership, it would pay to ask at two or three others. What you're looking for may have never showed up at all the dealers, and not all of them hold onto manuals for models they feel are too old to work on there.
Was this
answer
helpful?
Yes
No
+1
Thursday, March 13th, 2025 AT 2:00 AM
Tiny
DANIEL WARREN
  • MEMBER
  • 6 POSTS
Thank you for all your help!
Was this
answer
helpful?
Yes
No
Saturday, March 15th, 2025 AT 8:12 PM
Tiny
CARADIODOC
  • MECHANIC
  • 34,490 POSTS
You're welcome. Happy I could help. Let me know when you figure out a solution.
Was this
answer
helpful?
Yes
No
Sunday, March 16th, 2025 AT 3:02 AM

Please login or register to post a reply.

Related Speaker Content

Door Panel Removal & Speaker Replacement
VIDEO