Speaker and amp install

Tiny
ALBERT MURILLO
  • MEMBER
  • 2007 CHRYSLER ASPEN
  • 5.6L
  • 2WD
  • AUTOMATIC
  • 95,000 MILES
I need a wire diagram for the input output wire coming from factory amp.
Wednesday, March 28th, 2018 AT 5:19 PM

3 Replies

Tiny
KEN L
  • MASTER CERTIFIED MECHANIC
  • 55,281 POSTS
Hello,

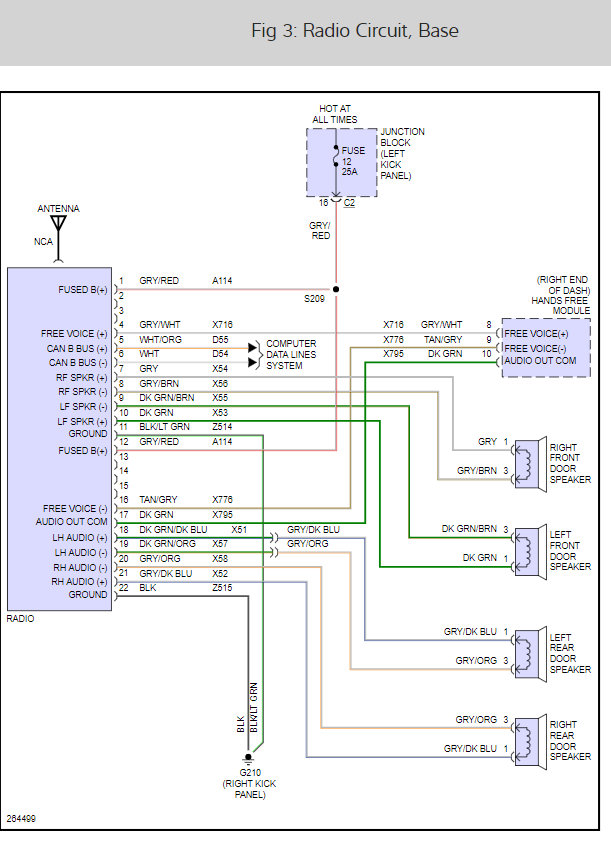
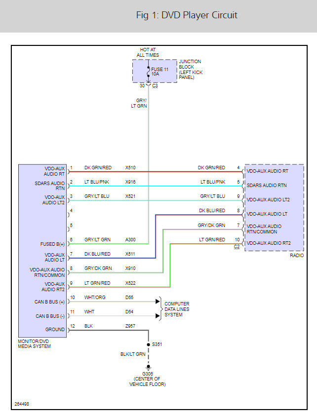
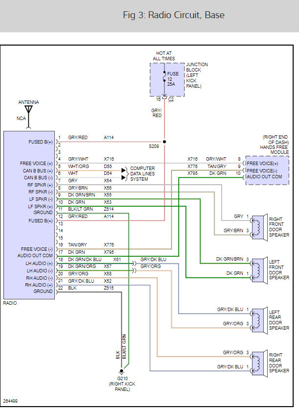
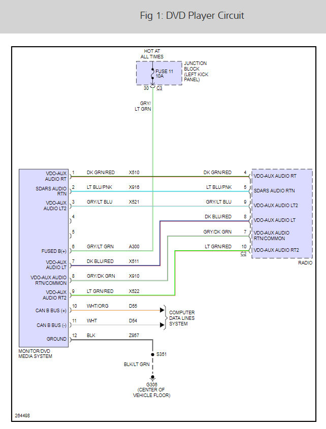
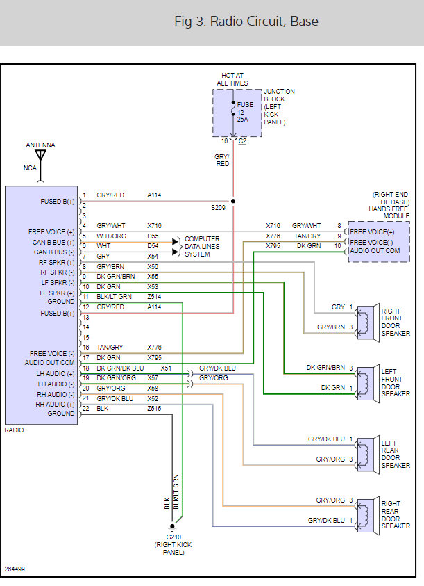
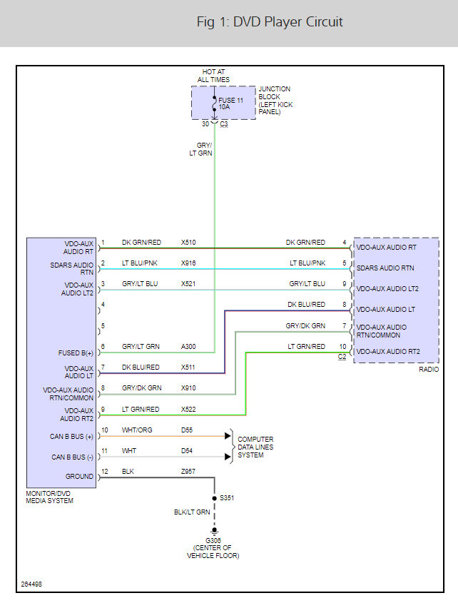
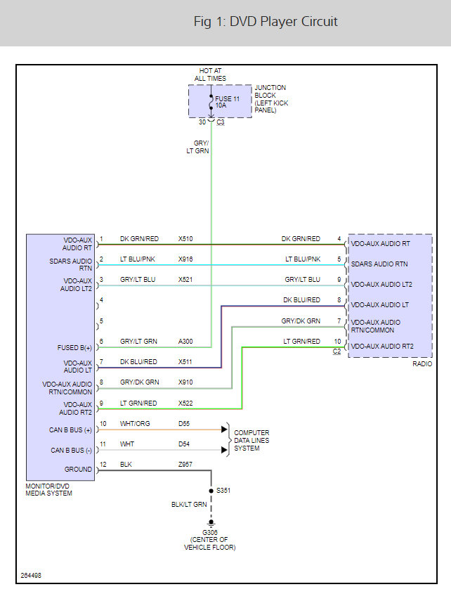
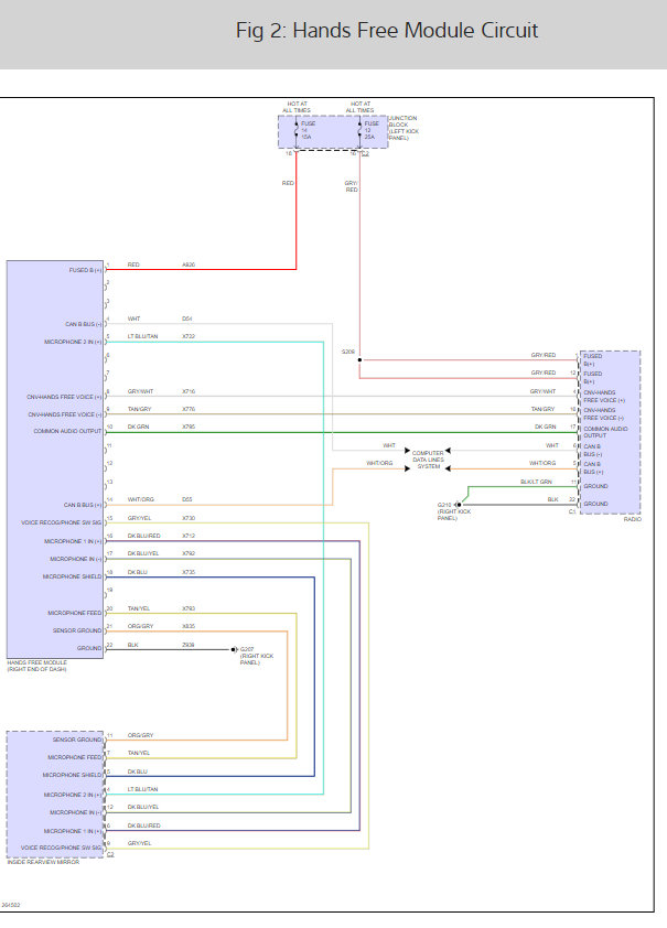
Here are all of the radio and amplifier wiring diagrams I can find (below) let me know if you need them to be larger I can cut them in half and upload them.

Check out the diagrams (below).

Please let us know if you need anything else to get the problem fixed.

Cheers, Ken
Was this
answer
helpful?
Yes
No
+3
Friday, March 30th, 2018 AT 10:55 AM
Tiny
ALBERT MURILLO
  • MEMBER
  • 2 POSTS
Right on. Thanks so much been looking everywhere to no avail. Thanks again, really appreciate it. You rock!
Was this
answer
helpful?
Yes
No
Friday, March 30th, 2018 AT 11:00 PM
Tiny
KEN L
  • MASTER CERTIFIED MECHANIC
  • 55,281 POSTS
Good to hear. Please use 2CarPros anytime, we are here to help.

Cheers, Ken
Was this
answer
helpful?
Yes
No
Saturday, March 31st, 2018 AT 11:52 AM

Please login or register to post a reply.