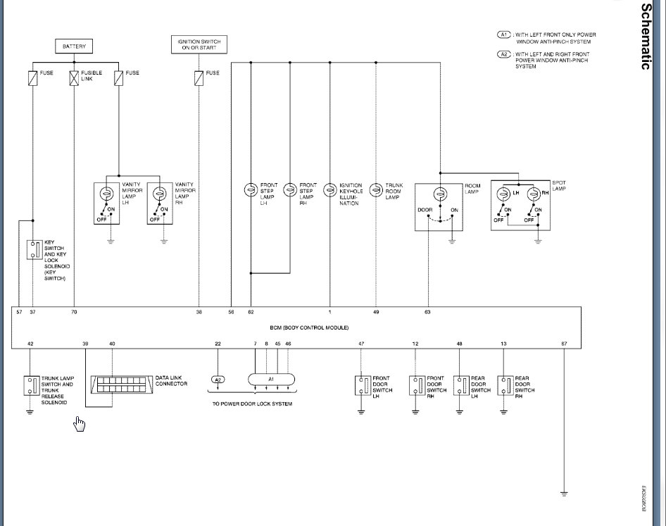
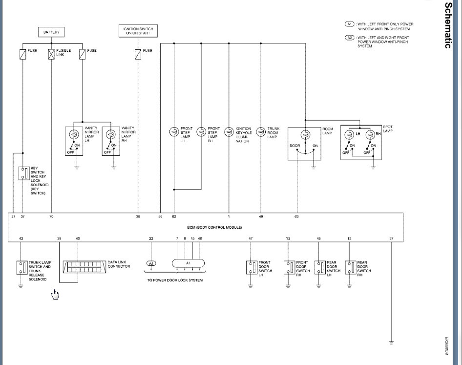
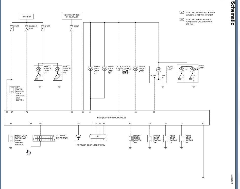
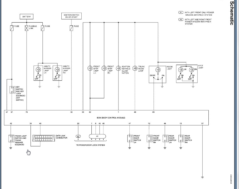
Monday, December 9th, 2019 AT 4:53 AM
I checked the fuse and no power going to it. Have taken fuse out and check it and still no power going to it. I have checked it with out fuse and no power getting there.






