Sunday, October 11th, 2020 AT 5:05 AM
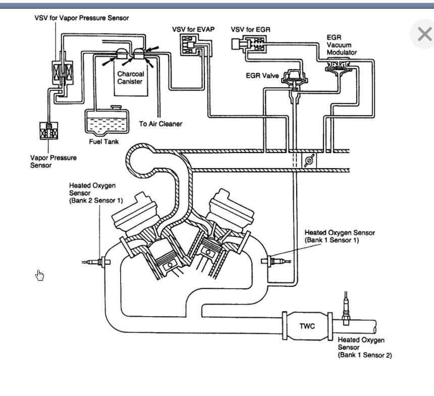
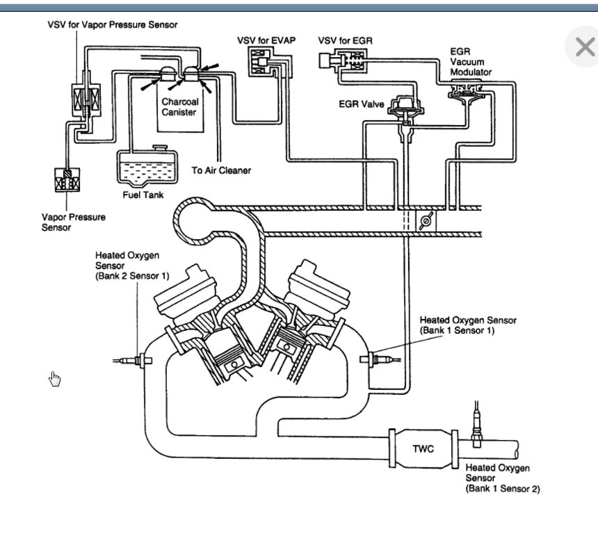
What solenoids are needed on the engine block and how do I run the vacuum hoses? Where can I find a picture of the solenoids location and position along with where to run vacuum hoses from them?

