Sunday, November 10th, 2019 AT 8:39 PM
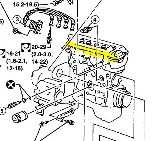
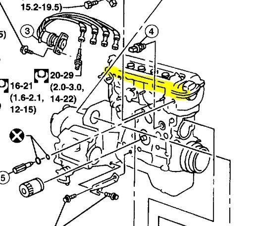
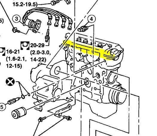
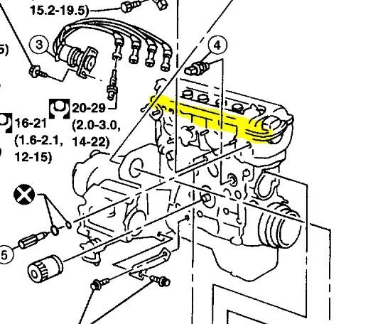
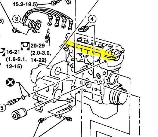
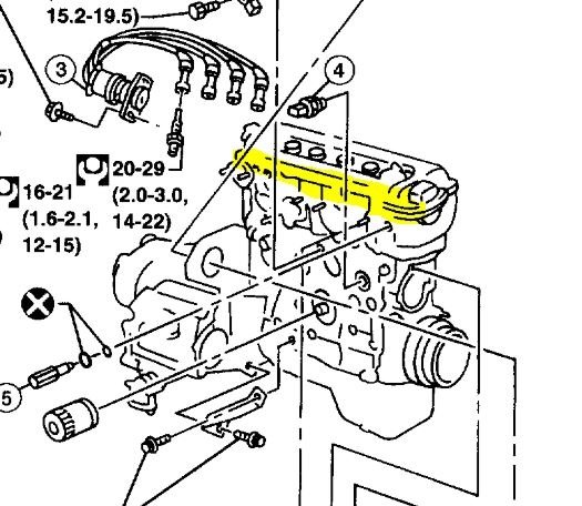
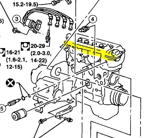
I did my test drive it was fine gave the car to the owner. After 3 days we found the car still smoking and when I did check I found too much oil on the intake manifold. What must be the problem?



