Thursday, March 2nd, 2023 AT 11:02 AM
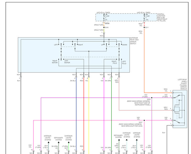
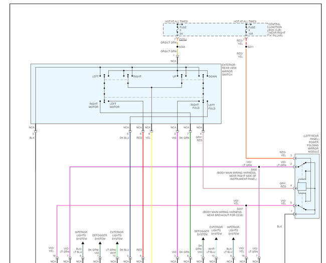
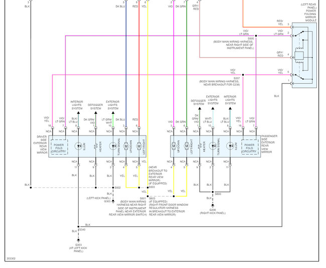
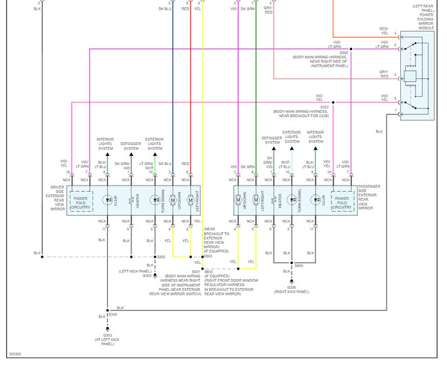
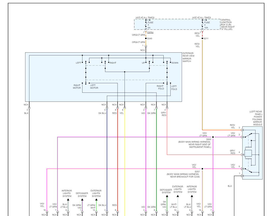
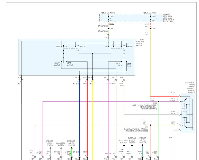
I have upgraded my mirrors to turn signal indicator and puddle lights. What can I do to have the additional wiring for those functions?


