The car shakes when accelerating and slowing to a slow roll

Tiny
BRIAN K CONNER
  • MEMBER
  • 1995 CHEVROLET CAMARO
  • 3.4L
  • V6
  • 2WD
  • AUTOMATIC
  • 195,000 MILES
When taking off car shakes from side to side in back and when stopping at a slow roll.
Saturday, February 27th, 2021 AT 5:41 AM

1 Reply

Tiny
JACOBANDNICKOLAS
  • MECHANIC
  • 110,194 POSTS
Hi,

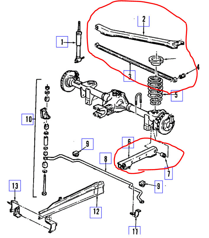
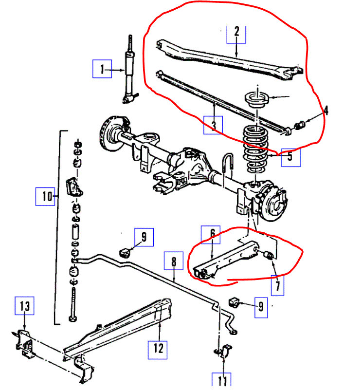
If the rear of the vehicle is shaking from side to side, first, make sure there are no problems with the trailing arms and the lower control arm.

I attached a pic below and circled things I need you to check. Note that lateral control arms. Make sure where they attach there isn't anything broken or rusted.

Let me know what you find. Note, where the strut mounts to the lower control arm. Make sure nothing is loose on the control arm itself.

Let me know what you find or if you have other questions.

Take care and God Bless,

Joe
Was this
answer
helpful?
Yes
No
Saturday, February 27th, 2021 AT 8:16 PM

Please login or register to post a reply.