Set timing correct

Tiny
BRIBRI4275
  • MEMBER
  • 1998 CHEVROLET BLAZER
  • 4.3L
  • V6
  • 2WD
  • AUTOMATIC
  • 200,000 MILES
I have the vehicle listed above with a vortec engine. I installed a new distributor and messed up the timing in the process.
1) Am I supposed to set the rotor on the 6 mark on the distributor or the #1 spark plug?
2) Do I need to use a timing light on the timing marks or is that possible?
Friday, February 5th, 2021 AT 7:45 PM

7 Replies

Tiny
JACOBANDNICKOLAS
  • MECHANIC
  • 110,192 POSTS
Hi,

Place the engine on top dead center (mark on crankshaft pulley). Next, the rotor needs to be pointing at the number one spark plug wire.

Here are the directions for installing the distributor. The attached pics correlate with the directions.

_________________________________

1998 Chevy Truck S10/T10 Blazer 4WD V6-4.3L VIN X
Distributor Installation
Vehicle Engine, Cooling and Exhaust Engine Service and Repair Procedures Engine Overhaul (Unit Repair) Distributor Installation
DISTRIBUTOR INSTALLATION
IMPORTANT: The engine front cover has 2 alignment tabs and the crankshaft balancer has 2 alignment marks (spaced 90 degrees apart) which are used for positioning number 1 piston at top dead center (TDC). With the piston on the compression stroke and at top dead center, the crankshaft balancer alignment mark (1) must align with the engine front cover tab (2) and the crankshaft balancer alignment mark (4) must align with the engine front cover tab (3).

Pic 1

1. Rotate the crankshaft balancer clockwise until the alignment marks on the crankshaft balancer are aligned with the tabs on the engine front cover and the number 1 piston is at top dead center of the compression stroke.

Pic 2

2. Remove the distributor cap bolts and discard.
3. Remove the distributor cap.

Pic 3

4. Install a NEW distributor gasket onto the distributor.
5. Align the indent hole on the driven gear with the paint mark on the distributor housing.

Pic 4

6. Ensure that the distributor rotor segment points to the cap hold area.
7. Align the slotted tang in the oil pump driveshaft with the distributor driveshaft.
Rotate the oil pump driveshaft with a screwdriver if necessary.

Pic 5

8. Install the distributor and distributor clamp.
The flat in the distributor housing must point toward the front of the engine.

Pic 6

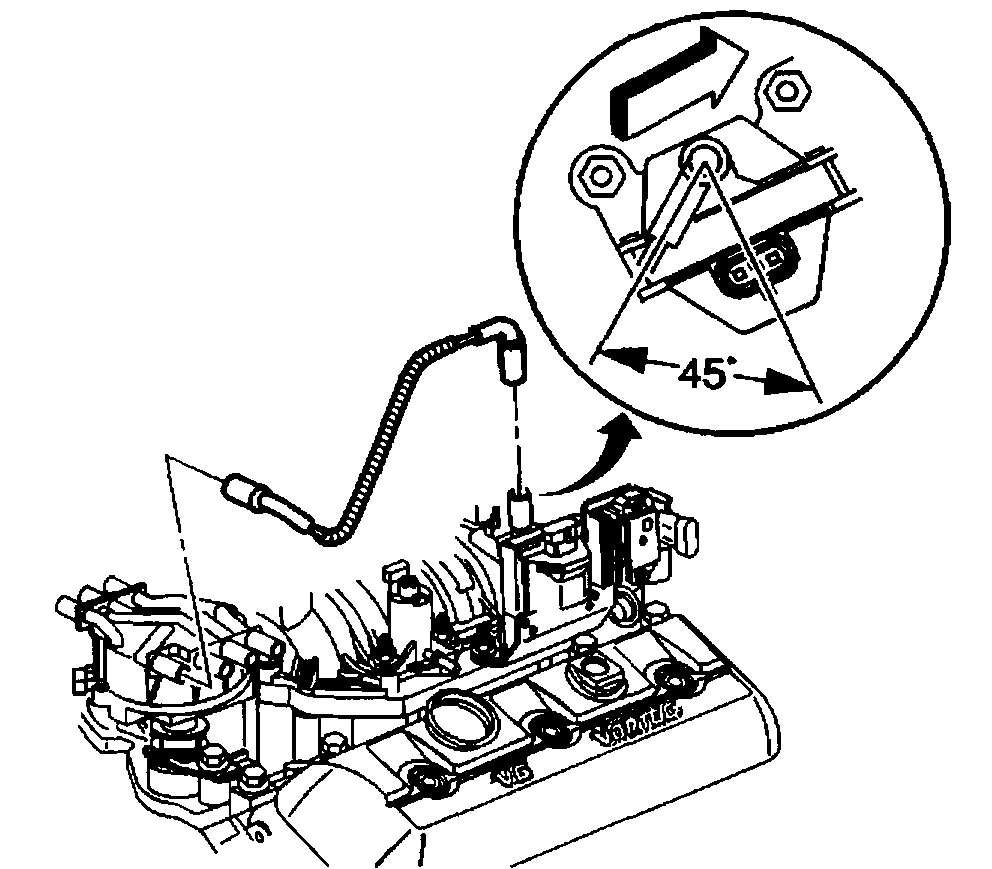
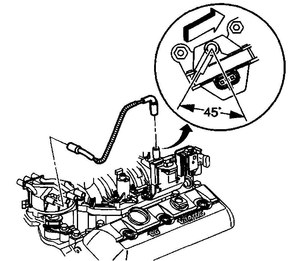
9. Once the distributor is fully seated, align the distributor rotor segment with the number 6 pointer (1) that is cast into the distributor base.
If the distributor rotor segment does not come within a few degrees of the number 6 pointer (1), the gear mesh between the distributor and camshaft may be off a tooth or more. Repeat the procedure again in order to achieve proper alignment.

Pic 7

10. Install the distributor clamp bolt.
Tighten the distributor clamp bolt to 25 Nm (18 ft. Lbs.).

NOTICE: Refer to Fastener Notice in Service Precautions.

Pic 8

11. Install the distributor cap and NEW distributor cap bolts.
Tighten the distributor cap bolts to 2.4 Nm (21 inch lbs.).

Pic 9

12. Install the ignition coil wire harness.

________________________

I hope this helps. Let me know if you have other questions.

Take care,
Joe
Was this
answer
helpful?
Yes
No
+2
Friday, February 5th, 2021 AT 8:21 PM
Tiny
BRIBRI4275
  • MEMBER
  • 24 POSTS
So a timing light is not necessary for this procedure?
Was this
answer
helpful?
Yes
No
Friday, February 5th, 2021 AT 8:36 PM
Tiny
DANNY L
  • MECHANIC
  • 5,648 POSTS
Hello, I'm Danny.

The only real way to get the timing absolutely correct is to use a GM Tech Two factory scanner. A conventional timing light will get you close but not 100 percent. I went through this when I reinstalled my distributor in my 1997 K1500 Silverado 5.7L Vortec. I had the visual marks spot on and it still wasn't right until I used the GM Tech Two. They're still out there you'll just have to borrow one or go to a shop that has one. Just wanted to add my two cents. Hope this helps and thanks again for using 2CarPros.
Was this
answer
helpful?
Yes
No
-1
Friday, February 5th, 2021 AT 9:20 PM
Tiny
BRIBRI4275
  • MEMBER
  • 24 POSTS
Thanks for the info Danny. I will see what I can do to find one of those scanners here in California and if I find one I will get back to you and let you know where I found it in case the subject ever comes up again for you.
Was this
answer
helpful?
Yes
No
Saturday, February 6th, 2021 AT 11:23 AM
Tiny
DANNY L
  • MECHANIC
  • 5,648 POSTS
Hello again.

There out there like on Ebay. If you're only going to use it once it's better to just borrow or rent instead of buying. Mine got stolen and I miss having it. I attached a picture below from Ebay of what it looks like and price. Let us know how things turn out or if you have any further questions on this issue. Hope this helps and thanks again for using 2CarPros.

Danny-
Was this
answer
helpful?
Yes
No
Saturday, February 6th, 2021 AT 12:16 PM
Tiny
BRIBRI4275
  • MEMBER
  • 24 POSTS
Thanks again. They got one left and i'm seriously going to buy that right now. Been a pleasure chatting with you Danny. I will let you know what happens next. Have a good day sir.
Was this
answer
helpful?
Yes
No
Saturday, February 6th, 2021 AT 12:30 PM
Tiny
DANNY L
  • MECHANIC
  • 5,648 POSTS
Hello again.

Yes, the Tech 2 is awesome. Great for diagnostics and programming. One day I will get another. Definitely keep us updated and have a great day as well. Thanks again for using 2CarPros.

Danny-
Was this
answer
helpful?
Yes
No
Saturday, February 6th, 2021 AT 12:47 PM

Please login or register to post a reply.