Thursday, September 24th, 2020 AT 4:08 PM
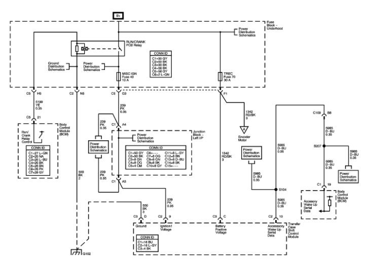
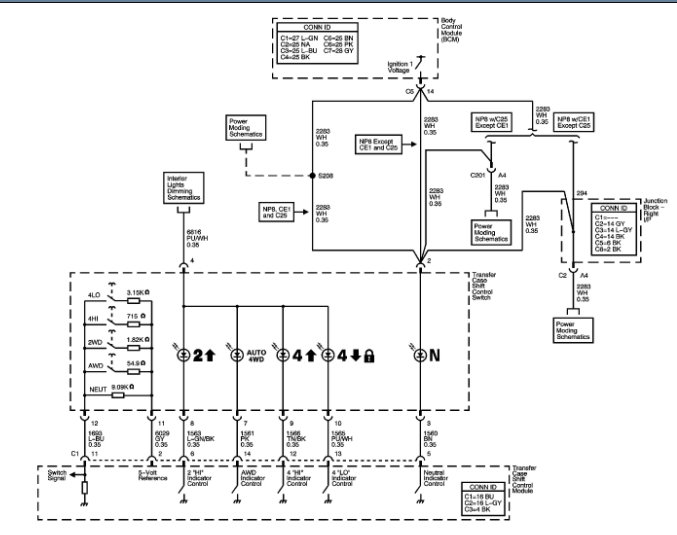
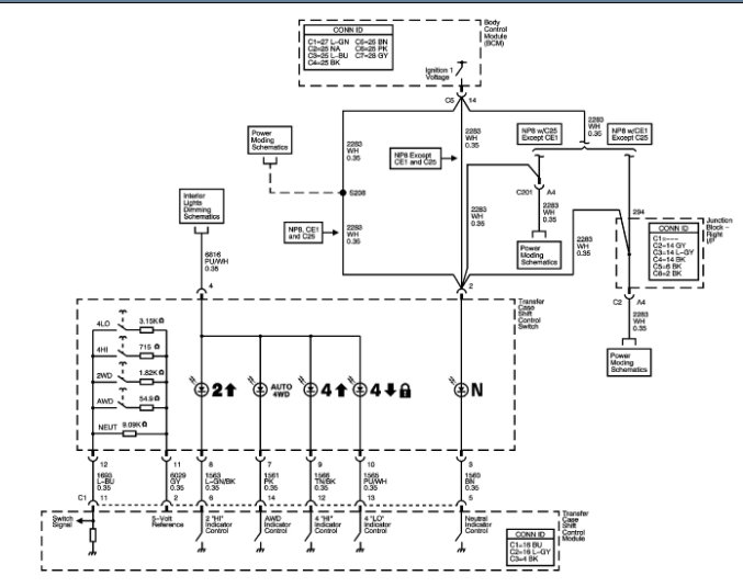
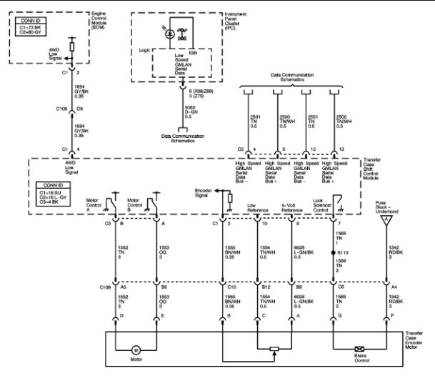
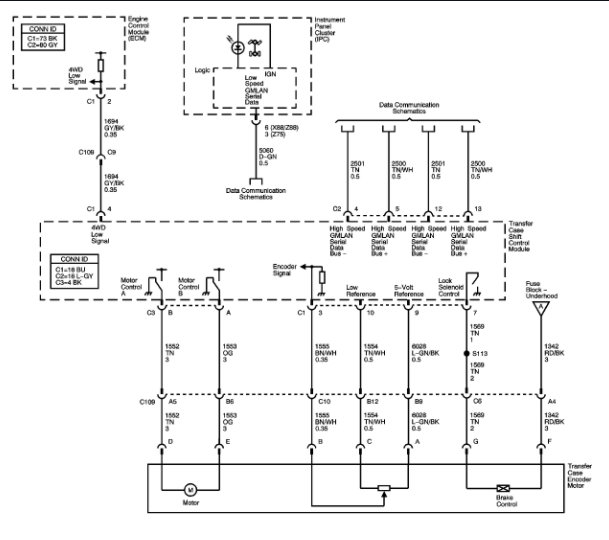
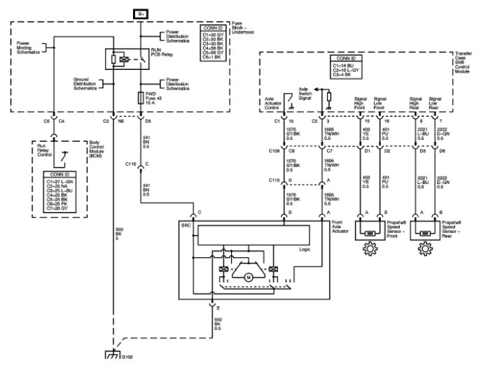
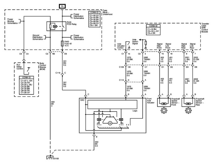
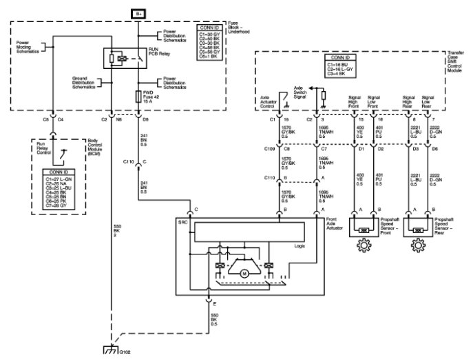
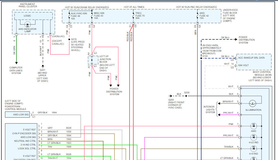
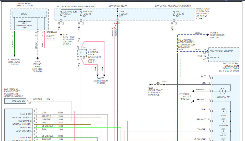
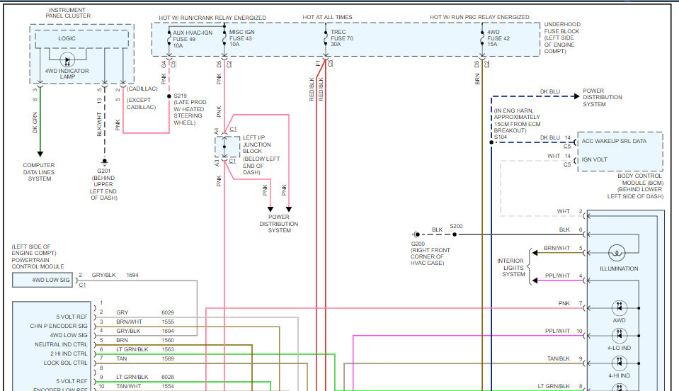
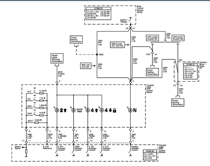
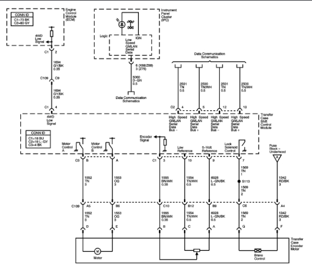
Service four-wheel drive message appears as soon as key is turned on. Replaced the transfer case actuator to no avail. (No sound at the transfer case while selecting 4x4) Needing wiring diagram from the rotary switch to the TCCM and transfer case. This vehicle has the round switch and not the push button style. Edit: 150,000 miles






























