HOME
ASK A QUESTION
REPAIR GUIDES
BECOME A MEMBER
LOG IN
Login with Facebook
OR
Remember me
NOT A MEMBER?
FORGOT PASSWORD?
CONTACT US
PRIVACY POLICY
TERMS AND CONDITIONS
☰
Home
Dodge
Caliber
Engine
Wiring
Can I get a Sentry Key Module wiring diagram?
BRANDONW2022
MEMBER
2007 DODGE CALIBER
2.0L
4 CYL
2WD
AUTOMATIC
117,000 MILES
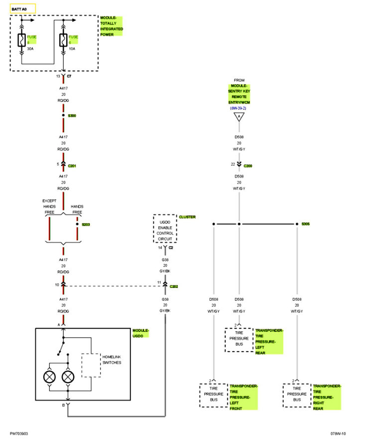
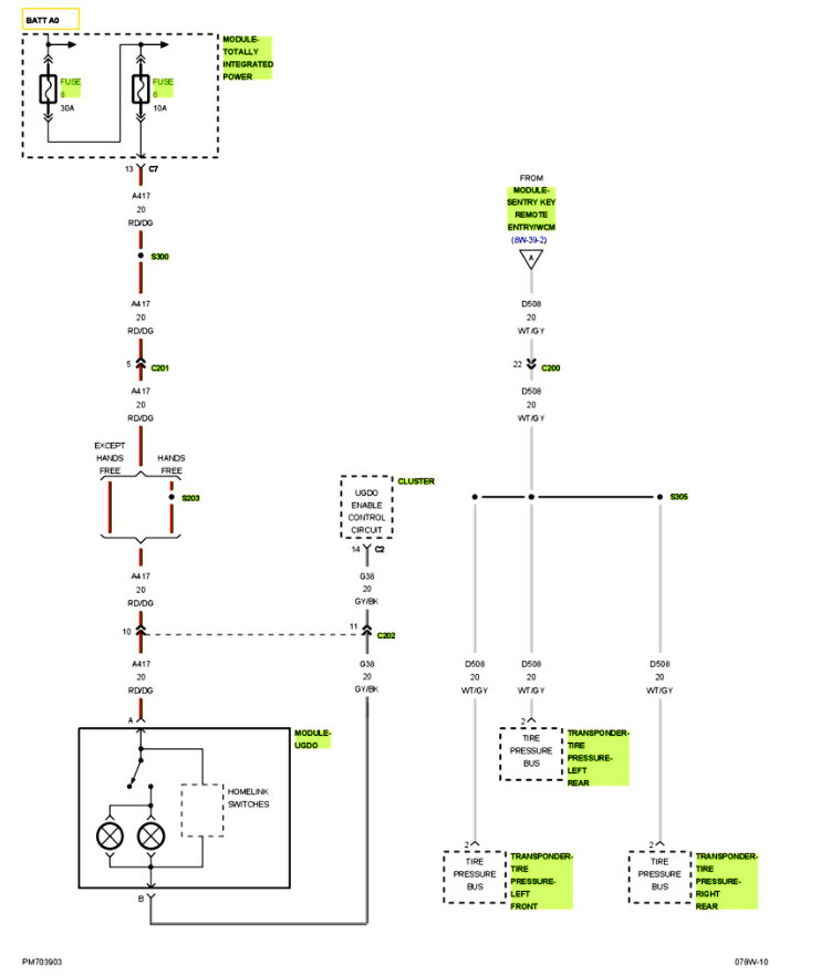
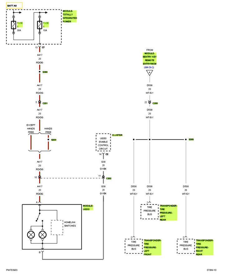
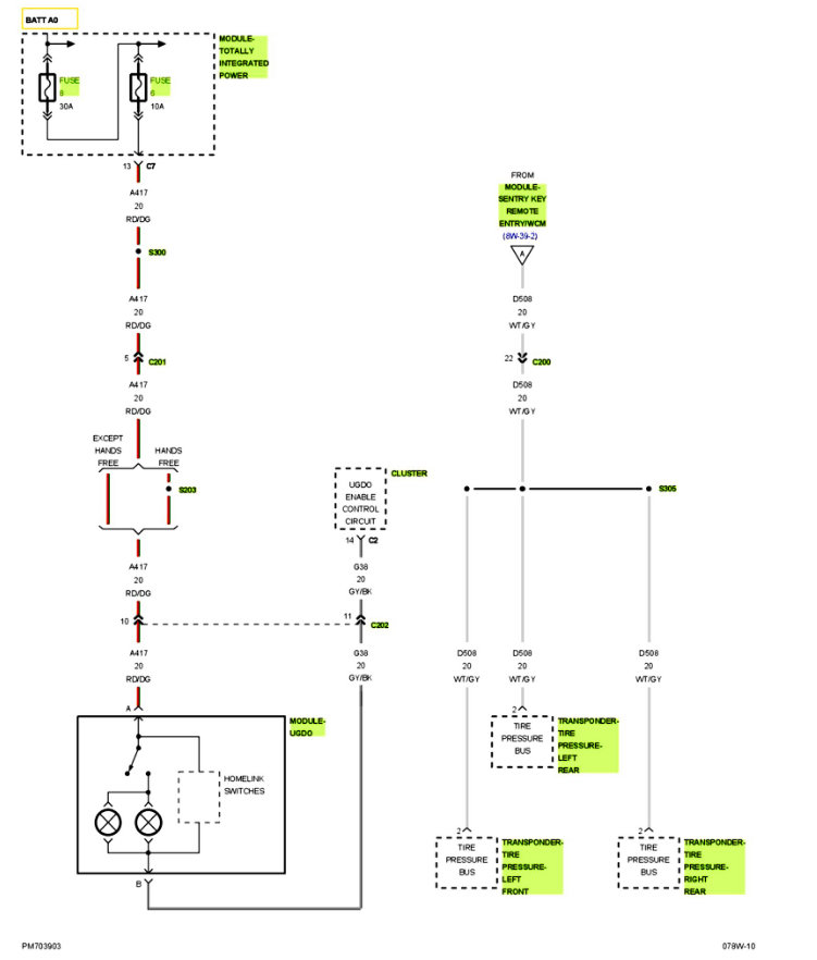
I need a Sentry Key Module wiring diagram for the car listed above SE model. Please all I can find is for 2009.
Sunday, August 7th, 2022 AT 1:07 PM
1 Reply
SQM
MECHANIC
6,383 POSTS
Hello,
See attached for the pinout of the Sentry Key Module as well as the wiring schematics.
Let me know of any questions.
Thank you.
Images (Click to make bigger)
Was this
answer
helpful?
Yes
No
+2
Sunday, August 7th, 2022 AT 10:40 PM
Please
login
or
register
to post a reply.
Related Engine Wiring Content
Plastic Cover Over Engine
When Engine Gets Rough (low Rpm) A Loud Rattle Comes From The Engine Compartment. I Have Placed A Two Litter Plastic Soda Bottle Full Of...
Asked by
Sue Boyd
·
5 ANSWERS
2 IMAGES
2007
DODGE CALIBER
2007 Dodge Caliber Timing Belt
Could You Please Tell Me Where I Can Find A Diagram For The Routing Of A Serpentine Belt? There Isn't One Under The Hood. Any Instructions...
Asked by
MyCaliber
·
1 ANSWER
2007
DODGE CALIBER
2007 Dodge Caliber Starter
I Was Driving When All Of A Sudden My Starter Started Cranking Making A Huge Noise In The Motor. I Pulled Over And Pulled The Keys Out Of...
Asked by
pdswindsor71
·
3 ANSWERS
2007
DODGE CALIBER
2007 Dodge Caliber Starter
I Have Put 2 Starters On This Car In The Pat Month Both Have Burned Up What Can Cause This The Factory One Burned Up First Then Went To The...
Asked by
chuck518
·
1 ANSWER
2007
DODGE CALIBER
2007 Dodge Caliber Please Help.. Need Some Imput On...
This Is A 2007 Dodge Caliber Sxt 4dr Wagon (1.8l 4cyl 5m) At Approximately 26 K, The Car Was Struck In The Front While In Park When A...
Asked by
ZX14
·
1 ANSWER
2007
DODGE CALIBER
VIEW MORE
Ask a Car Question. It's Free!
How to Use a Test Light
Engine Overheating Warning Light
How to Repair an Engine Cylinder Misfire